35 ryobi blower parts diagram
Need to fix your RY09460 4 Cycle Handheld Blower? Use our part lists, interactive diagrams, accessories and expert repair advice to make your repairs easy. Ryobi RY09440 Blower Parts. Search within model. Questions & Answers Page A. Page B. Page C. Previous. Next . ... The manufacture does not offer a parts diagram for the 309370001 carburetor. You might be able to look on it to see if you can find a manufactures name and model number. Such as a Walbro or Zama.
We are a distributor for the multiple brands that we offer parts for. You may wish to contact your manufacturer directly for further assistance. We do carry other spare parts for units such as yours, for example, Part Number: 900777005 Good Luck with your repair.Ryobi 800-525-2579

Ryobi blower parts diagram
Powersmart Lawnmower and Snowblower Parts, Manuals and Diagrams. Powersmart outdoor power equipment has earned a reputation of affordable quality. We're a factory authorized service center and carry the complete line of genuine Powersmart parts for all Powersmart machines including lawnmowers, snowblowers, and engines. Repair Parts Home Lawn Equipment Parts Ryobi Parts Ryobi Blower / Vacuum Parts Ryobi RY08510 Handheld Blower Parts. ... But looking at the parts diagrams the gaskets are the same on all of them. The part number for the gasket is 9071103. Hope this helps,-WJA Shop by Parts Diagram; Login; Carburetors A properly operating carburetor is essential to a smooth running engine that is easy to start. Bring your equipment's engine back to life with a replacement carburetor. You'll find a carburetor for your Riding Lawn Mower or Snow Blower quickly so you can get back to your lawn and garden care. Our Part Finder makes it easy to find the parts you need at ...
Ryobi blower parts diagram. Find the Sears Kenmore sewing machine parts you need to fix any sewing machine failure. We have Kenmore sewing machine 385 parts and accessories as well as parts for other Kenmore models. Use the Kenmore sewing machine parts diagram for your model to look up the replacement parts you need to keep your machine running in top condition. Ryobi RY09053 Parts Diagrams. Parts Lookup - Enter a part number or partial description to search for parts within this model. There are (74) parts used by this model. SCREW 10 14X3/4 IN. Ryobi Blowers & Vacuums parts with OEM Ryobi parts diagrams to find Ryobi Blowers & Vacuums repair parts quickly and easily Order Status Customer Support 512-288-4355 My Account Login to your PartsTree.com to view your saved list of equipment. Need to fix your RY09053 2 Cycle Blower / Vacuum? Use our part lists, interactive diagrams, accessories and expert repair advice to make your repairs easy.
Need to fix your RY09600 Backpack Blower? Use our part lists, interactive diagrams, accessories and expert repair advice to make your repairs easy. Homelite RY09055 Blower/Vacuum Parts Diagrams. Parts Lookup - Enter a part number or partial description to search for parts within this model. There are (82) parts used by this model. SCREW 10 14X3/4 IN. T. Use our part lists, interactive diagrams, accessories and expert repair advice to make your repairs easy. 877-346-4814. Departments Accessories ... Repair Parts Home Vacuum Parts Ryobi Parts Ryobi Blower / Vacuum Parts Ryobi RY09550 Blower / Vacuum Parts. Select a page from the Stihl BG 55 Blower diagram to view the parts list and exploded view diagram. All parts that fit a BG 55 Blower . Pages in this diagram. Air Filter. Carburetor C1Q-S50. Carburetor C1Q-S55A. Carburetor C1Q-S64. Carburetor C1Q-S68G. Crankcase. Fan housing with rewind starter . Fan housing with rewind starter/2. Fan housing, inside BG45,55 (04.2001, 45.2001, 18.2002. Fan ...
Homelite RY09050 Blower/Vacuum Exploded View parts lookup by model. ... There are (75) parts used by this model. Found on Diagram: Figure A. Leaf Bag. Need to fix your RY09466 BLOWER? Use our part lists, interactive diagrams, accessories and expert repair advice to make your repairs easy. PARTS LIST KEY PART NO. NUMBER DESCRIPTION QTY. 4 ROBI BLOWER ITEM NO. R40407VNM WIRING DIAGRAM MR WI MIR WI MR NRR NA ATE RD A. TECHTRONIC INDUSTRIES POWER EQUIPMENT P.O. Box 1288, Anderson, SC 29622 Phone 1-800-860-4050 www.ryobitools.com RYOBI Power Head Item No. RY40007VNM Mfg No. 315580101 Repair Sheet. ROBI POWER HEAD – ITEM NO ... Parts lookup and repair parts diagrams for outdoor equipment like Toro mowers, Cub Cadet tractors, Husqvarna chainsaws, Echo trimmers, Briggs engines, etc. ... RY 40403 VN (107705007) - Ryobi Blower, Rev 05 (2019-04) RY 40802 (107700002) - Ryobi 40V Snow Blower, Rev 02 (2018-03)
Use our part lists, interactive diagrams, accessories and expert repair advice to make your repairs easy. 877-346-4814. Departments Accessories ... Repair Parts Home Power Tool Parts Ryobi Parts Ryobi Blower / Vacuum Parts Ryobi P2102 Cordless 18V Blower Parts.
Shop by Parts Diagram; Login; Carburetors A properly operating carburetor is essential to a smooth running engine that is easy to start. Bring your equipment's engine back to life with a replacement carburetor. You'll find a carburetor for your Riding Lawn Mower or Snow Blower quickly so you can get back to your lawn and garden care. Our Part Finder makes it easy to find the parts you need at ...
Repair Parts Home Lawn Equipment Parts Ryobi Parts Ryobi Blower / Vacuum Parts Ryobi RY08510 Handheld Blower Parts. ... But looking at the parts diagrams the gaskets are the same on all of them. The part number for the gasket is 9071103. Hope this helps,-WJA
Powersmart Lawnmower and Snowblower Parts, Manuals and Diagrams. Powersmart outdoor power equipment has earned a reputation of affordable quality. We're a factory authorized service center and carry the complete line of genuine Powersmart parts for all Powersmart machines including lawnmowers, snowblowers, and engines.
Giant Vac Lbc915751bv 3085651 Giant Vac 15 Classic Leaf Blower 9hp Parts Lookup With Diagrams Partstree
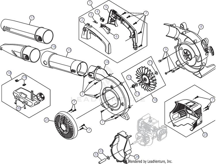
Ryobi P 21081 Vn 107267033 Ryobi 18v Blower Rev 05 2019 04 General Assembly Parts Lookup With Diagrams Partstree
0 Response to "35 ryobi blower parts diagram"
Post a Comment