37 cub cadet series 1000 belt diagram
Step by step instructions, tools needed, and tips on replacing the drive belt on most Cub Cadet lawn tractors. A few minutes watching the video can save you ... Need to fix your 1525 (13A-221F100) Tractor 1000? Use our part lists, interactive diagrams, accessories and expert repair advice to make your repairs easy.
Cub Cadet LT1022 Manuals. Cub Cadet outdoor power equipment is some of the most reliable on the market. Your Cub Cadet products come with years of experience in designing some of the most technologically innovative and customer-focused equipment available. Your LT1022 model is fit with a powerful Briggs & Stratton engine.

Cub cadet series 1000 belt diagram
Replacing a Cub Cadet XT1 LT42 belt is a critical repair - the deck belt allows the mower's moving parts to operate correctly. It's highly unsafe to try to use a lawnmower without a fully functional deck belt. If your mower's deck belt requires replacement, you may hear a loud screeching sound, especially when you first start the mower. A Cub Cadet LT1042 drive belt diagram is an excellent starting point. However, you will also need step-by-step instructions and the proper tools to perform the job correctly. Keep in mind that this DIY task is not one for beginners, so if you feel lost after doing the necessary research, you can also take your LT1042 to an authorized dealer for ... Cub Cadet repair parts and parts diagrams for Cub Cadet 1600 (13AE608G101) - Cub Cadet Garden Tractor Order Status Customer Support 512-288-4355 My Account Login to your PartsTree.com to view your saved list of equipment.
Cub cadet series 1000 belt diagram. There are a number of great models in the LT 1000 series of riding mowers sold by Cub Cadet, and each mower has its own unique audience that will most appreciate its unique features. The LT 1042 is targeted mostly to mid-range homeowners who have at least a medium-sized lawn. Feb 1, 2008 — CUB CADET LLC, P.O. BOX 361131 CLEVELAND, OHIO 44136-0019 ... Model Series 1000 — Hydrostatic Lawn Tractor ... Electrical Schematic .52 pages Buy Genuine OEM Cub Cadet parts for your Cub Cadet LT1045 Tractor (2007 & before) 13AX11CH709 13AX11CH710 13AX11CH712 13AX11CH756 13BP11CH709 13BP11CH710 13BP11CH756 13RX11CH756 and ship today! Huge in-stock inventory of OEM Cub Cadet parts. Butom 754-0461 954-0461 Kevlar Replacement Belt for Cub Cadet MTD LT1050 LT1045 LT1046 LT1042 LT1018 SLT1550 LT1024 Lawn Mower 754-04165 954-04165 1/2-inch x 78-inch. 4.0 out of 5 stars. 8. $11.99.
Cub Cadet LT1046 Manuals. Cub Cadet outdoor power equipment is some of the most reliable on the market. Your Cub Cadet products come with years of experience in designing some of the most technologically innovative and customer-focused equipment available. Your LT1046 model is a heavy-duty mower with enhanced handling and stopping. Find all the parts you need for your Cub Cadet Lawn Mower 1000 at RepairClinic.com. We have manuals, guides and of course parts for common 1000 problems. Model Numbers. The size of belts required for Cub Cadet 2000 series mowers varies depending on deck size. For 38- and 42-inch decks, belts are 110 1/2 inches long and 5/8 inch thick. Cub cadet model 190-281-100 belt diagram. I need a diagram for the belt routing on my 48 in deck replaced two idler pulleys and put new blades on it and have the new belt the old one snapped and trying to put the new one on. Cub Cadet has made more than one 48" deck over the years. One would be called "antique" or "vintage."
Cub Cadet Series 1000 lawn tractors feature a range of cutting decks from 42 to 50 inches wide and engines ranging from 18 to 27 horsepower. All of these tractors use a mower deck drive belt on a ... Belt sizes for Cub Cadet lawn and garden belts. Application, parts number, and belt sizes available. Read reviews and buy Belt Keeper911-1000. Free shipping on parts orders over $45. ... Avoid frustration when buying parts, attachments, and accessories with the Cub Cadet Right Part Pledge. If you purchase the wrong part from Cub Cadet or a Cub Cadet authorized online reseller, Cub Cadet, or your Cub Cadet authorized online reseller will work ... ... <!-- from fixya rte -->Belt diagram for cub cadet 1500 series - Cub Cadet Garden. Posted by Anonymous on Sep 02, 2014. Want Answer 0.
View and Download Cub Cadet LT operator's manual online. Cub Cadet Hydrostatic Lawn Tractor Operator's Manual Series. LT Lawn Mower pdf manual download. Also for: Lt Page Changing The Deck Belt(s). Replace the old mower deck belt with a new Cub Cadet OEM belt. To find the right belt, browse our top-selling belts or use our parts finder tool.
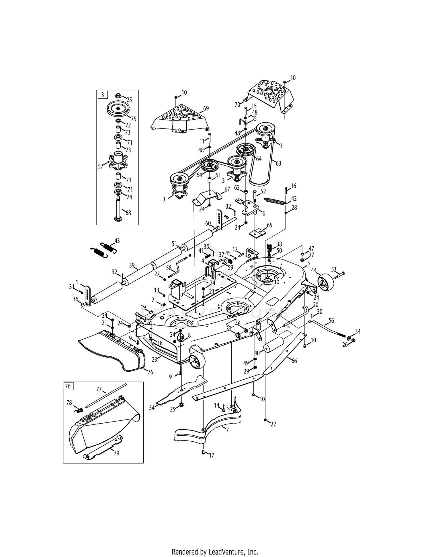
Lookup Parts via Diagram. Use our parts diagram tool below to find the parts you need for your machine. Select the model and year, then browse the parts diagrams to find the right part. Add to cart when you're ready to purchase and we'll ship it to you as soon as possible! This is the most current part for this model.
Cub Cadet Lt1018 Deck Belt Diagram. Garden product manuals and free pdf instructions. Find the user manual you need for your lawn and garden product and more at ManualsOnline. Buy Genuine OEM Cub Cadet parts for your Cub Cadet LT Tractor 13AB11CG 13AB11CG 13AL11CG 13AL11CG 13AX11CG LT 13AX11CG LT mower deck Cover-Belt.
The Cub Cadet 1000 is a 2WD lawn and garden tractor from the Quietline series. This tractor was manufactured by Cub Cadet (a part of International Harvester) in Louisville, Kentucky, USA from 1974 to 1980. The Cub Cadet 1000 is equipped with a 0.4 L (23.7 cu·in) single-cylinder gasoline engine and one of two transmissions: an unsynchronized gear transmission with dry disc clutch and 3 forward ...
Description: Cub Cadet Lawn Mower 2135 User Guide | Manualsonline pertaining to Cub Cadet Mower Deck Parts Diagram, image size 1213 X 1568 px, and to view image details please click the image.. Actually, we also have been remarked that cub cadet mower deck parts diagram is being just about the most popular issue right now. So we attempted to get some good cub cadet mower deck parts diagram ...
About Press Copyright Contact us Creators Advertise Developers Terms Privacy Policy & Safety How YouTube works Test new features Press Copyright Contact us Creators ...
Apr 30, 2019 — It doesnt make any difference if the pto lever is engaged or not. How to change the deck belt on cub cadet riding lawn mower using model. It ...
Summary of Contents for Cub Cadet 1000 SERIES Page 1 Service Manual 1000/1500 Series Riding Tractors NOTE: These materials are for use by trained technicians who are experienced in the service and repair of outdoor power equipment of the kind described in this publication, and are not intended for use by untrained or inexperienced individuals.
Description: Cub Cadet 1000 Series Lt 1042 2005 Update - Youtube regarding Cub Cadet Lt1042 Parts Diagram, image size 480 X 360 px Description : Cub Cadet Steering Fix Slt1554 Hex Bearing Replacement Pt2 - Youtube with regard to Cub Cadet Lt1042 Parts Diagram, image size 480 X 360 px, and to view image details please click the image.
Cub Cadet Lt1045 Mower Deck Diagram. cub cadet mowing deck. Go to schematron.org Click on the Cub Cadet logo then enter your model number. All the diagrams. My 60 hours old LT constantly throws the deck belt. My local supplier doesn't even show this new part in his parts diagrams.
Shop our large selection of Cub Cadet Series 1000 OEM parts, original equipment manufacturer parts and more online or call at 717-375-1021
Cub Cadet LT Tractor Series 1000 Original Equipment Manufacturer Parts at Shank's Lawn Cub Cadet. Please select a model. LT1018 Tractor 13AB11CG710 13AB11CG712 13AL11CG710 13AL11CG712 13AX11CG710 LT1018 13AX11CG712 LT1018. LT1022 Tractor 13AB11CH710 13AB11CH712. LT1024 Tractor 13AR11CP710 13AR11CP712.
Cub Cadet Lt 1042 13bx11cg712 Cub Cadet 42 Lawn Tractor 2007 Before Mower Deck 42 Inch 618 04124a Spindle Parts Lookup With Diagrams Partstree
Feb 28, 2021. #4. It is a 5". I've also seen p/n 490489-R2 listed for the Quiet Line with a 44" deck on a couple of sites. The pulleys seem large enough that a larger belt such as an A or AX (1/2"width) or a 1500 series (15/32" width) automotive could be used. 16 Hp at 3600 Rpm and 5" pulleys seem a bit much for a 3/8 or 6800 belt.
Series-1000 Parts Diagram. GT Tractor; GTX Tractor; LGT Tractor; LGTX Tractor; LT Tractor; LTX Tractor; SLT Tractor; SLTX Tractor; Tractor 1000; Let us help you. Your Account; Quick Order Pad; Shipping Rates and Policies; ... JOIN CUB CADET PARTS DIRECT FOR EXCLUSIVE DISCOUNTS & TIPS. Sign Up
Cub Cadet Gt1554 Tractor Command Engine 14ak13ck S N 1k015 Before 14ak13ck709 14ak13ck710 Mower Deck Arn 39 S Equipment
Cub Cadet repair parts and parts diagrams for Cub Cadet 1600 (13AE608G101) - Cub Cadet Garden Tractor Order Status Customer Support 512-288-4355 My Account Login to your PartsTree.com to view your saved list of equipment.
A Cub Cadet LT1042 drive belt diagram is an excellent starting point. However, you will also need step-by-step instructions and the proper tools to perform the job correctly. Keep in mind that this DIY task is not one for beginners, so if you feel lost after doing the necessary research, you can also take your LT1042 to an authorized dealer for ...
Replacing a Cub Cadet XT1 LT42 belt is a critical repair - the deck belt allows the mower's moving parts to operate correctly. It's highly unsafe to try to use a lawnmower without a fully functional deck belt. If your mower's deck belt requires replacement, you may hear a loud screeching sound, especially when you first start the mower.
0 Response to "37 cub cadet series 1000 belt diagram"
Post a Comment