Iklan 300x250

37 kenmore elite he3 dryer parts diagram

Kenmore Elite 11087872602 dryer parts - manufacturer-approved parts for a proper fit every time! We also have installation guides, diagrams and manuals to ... Kenmore Elite He3 Dryer Parts Diagram. The Kenmore Elite HE3 is cu. ft. capacity electric dryer by Kenmore. Kenmore Elite HE3 Dryer troubleshooting, repair, and service manuals. Buy products related to kenmore dryer parts and see what customers say about kenmore dryer parts on schematron.org FREE DELIVERY possible on eligible.

Kenmore Elite 11087087601 dryer parts - manufacturer-approved parts for a proper fit every time! We also have installation guides, diagrams and manuals to ...

Kenmore elite he3 dryer parts diagram

Kenmore elite he3 dryer parts diagram

Kenmore Elite 11086762701 dryer parts - manufacturer-approved parts for a proper fit every time! We also have installation guides, diagrams and manuals to ... Get kenmore elite he3 dryer parts diagram PDF file for free from our online library. The following KENMORE ELITE HE3 DRYER PARTS DIAGRAM Pdf document begin with Introduction, Brief Discussion ... Kenmore Elite 11087872603 dryer parts - manufacturer-approved parts for a proper fit every time! We also have installation guides, diagrams and manuals to ...

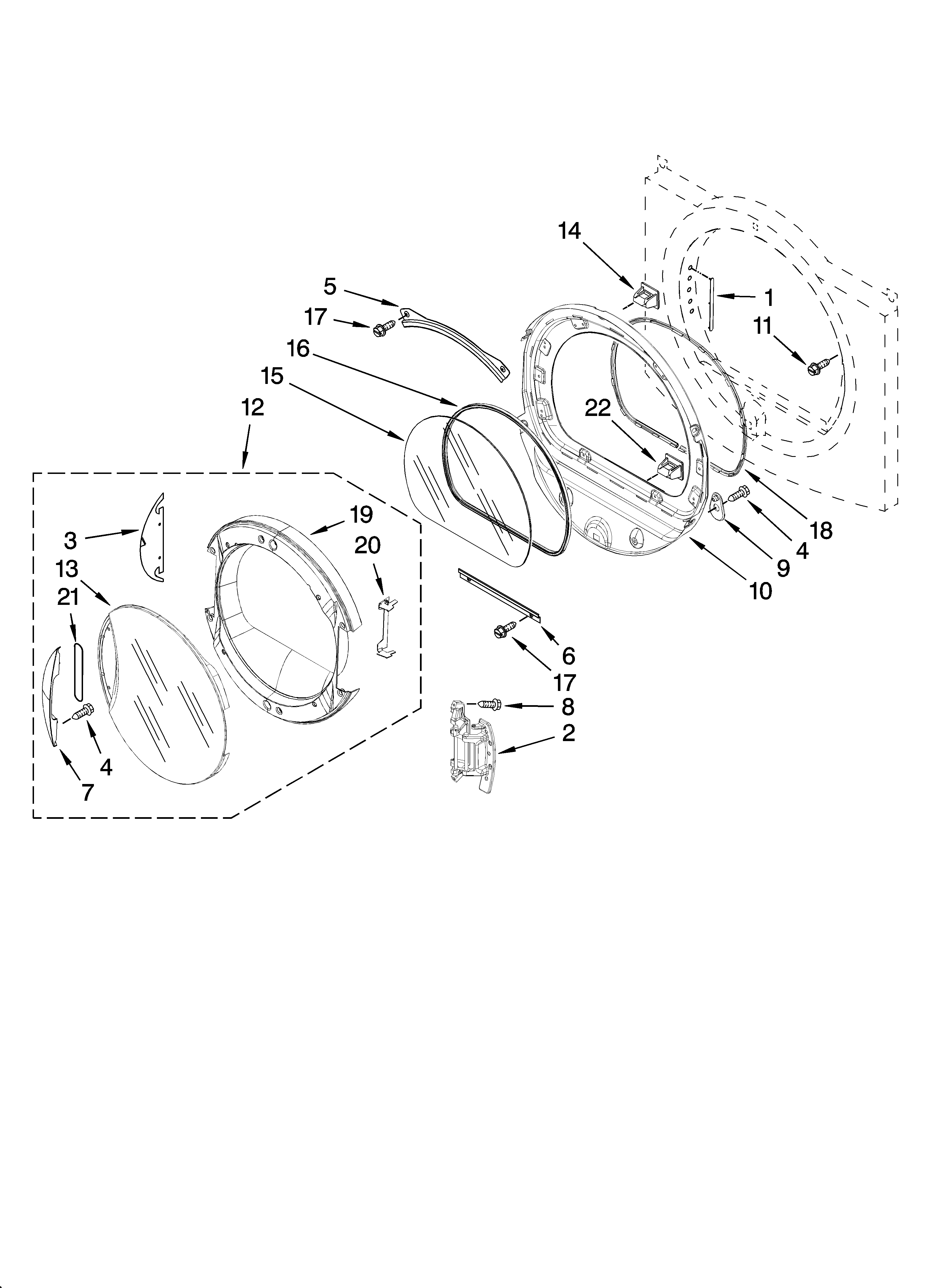
Kenmore elite he3 dryer parts diagram. Kenmore Dryer Model 110.87872601 Parts. Kenmore Dryer Model 110.87872601 Parts are easily labeled on this page to help you find the correct component for your repair. Filter results by category, title and symptom. You can also view diagrams and manuals, review common problems that may help answer your questions, watch related videos, read insightful articles or use our repair help guide to get ... Kenmore Elite 11087872601 dryer parts - manufacturer-approved parts for a proper fit every time! We also have installation guides, diagrams and manuals to ... kenmore elite dryer parts diagram - thank you for visiting our site. Today were excited to announce we have discovered an incredibly interesting content to be pointed out, that is kenmore elite dryer parts diagram. Most people looking for details about kenmore elite dryer parts diagram and definitely one of these is Kenmore Elite 11087738701 Dryer Parts Sears Direct Kenmore elite 11087088601 dryer parts sears direct kenmore elite 11087088601 dryer parts sears direct kenmore elite 11087738701 dryer parts sears direct kenmore elite 11085862400 dryer parts sears direct. Whats people lookup in this blog: Kenmore Elite He5 Dryer Parts Diagram

Kenmore Elite 11087892602 dryer parts - manufacturer-approved parts for a proper fit every time! We also have installation guides, diagrams and manuals to ... Most common Kenmore Elite HE3 and HE4 dryer parts that need replacing. Door switch. The dryer door switch recognizes whether the door is open or closed. The dryer won't start unless the door switch senses that the dryer door is closed. The door switch also turns on and off the drum light on models with a light. Drive belt. Original, high quality parts for KENMORE ELITE HE3 in stock and ready to ship today. 365 days to return any part. Here are the diagrams and repair parts for Kenmore Elite 11097727702 gas dryer, as well as links to manuals and error code tables, if available.

Cb7cfbc Kenmore Elite Dryer Wiring Schematic Library. 4089 Kenmore Electric Dryer Wiring Diagram 110 60922990. Wr 6150 90 Series Dryer Parts Diagram On Clothes Schematic. Kenmore Elite He3 Dryer Ifixit. Repair Manual Kenmore Elite Dryer. Kenmore Elite He3 Dryer Parts Manual. Kenmore elite 11087892601 dryer parts sears partsdirect kenmore elite ... Kenmore Elite 11086742700 dryer parts - manufacturer-approved parts for a proper fit every time! We also have installation guides, diagrams and manuals to ... Kenmore 282059 4 in. Clamps (2/bag) Kenmore 4” Round to Oval Fitting. Kenmore 99901 59027 Stainless-Steel Washing Machine Hose – 2 Pack. Kenmore 99900 59025 4 Ft. Rubber Universal Washing Machine Hose - 2 Pack. Kenmore 99915 58021 Universal Fit 3 Ft. Gas Dryer and Water Heater Connector. Kenmore 99921 57001 4-Prong 6' Round Dryer Cord ... The Kenmore Elite HE3 is a 7.2-cubic-foot capacity electric dryer by Kenmore, a household appliance brand sold by Sears. As of 2017, Kenmore products are produced by Whirlpool, LG, Electrolux, Panasonic, Cleva North America, and Daewoo Electronics. The Kenmore Elite HE3 comes as a washer or dryer and the varieties are sold separately.

Kenmore 110 Series Manuals Manualslib

Kenmore 110 Series Manuals Manualslib

Kenmore Elite 11087872603 dryer parts - manufacturer-approved parts for a proper fit every time! We also have installation guides, diagrams and manuals to ...

Kenmore Elite He3 Washing Machine Central Control Unit Replacement Ifixit Repair Guide

Kenmore Elite He3 Washing Machine Central Control Unit Replacement Ifixit Repair Guide

Get kenmore elite he3 dryer parts diagram PDF file for free from our online library. The following KENMORE ELITE HE3 DRYER PARTS DIAGRAM Pdf document begin with Introduction, Brief Discussion ...

Kenmore Elite 11042922200 User Manual Washer Manuals And Guides L0302234

Kenmore Elite 11042922200 User Manual Washer Manuals And Guides L0302234

Kenmore Elite 11086762701 dryer parts - manufacturer-approved parts for a proper fit every time! We also have installation guides, diagrams and manuals to ...

35 Latest Kenmore Elite He5 Dryer Parts Diagram Stephan Fuchs

35 Latest Kenmore Elite He5 Dryer Parts Diagram Stephan Fuchs

Sold Price Kenmore Elite He3 Electric Dryer July 2 0120 4 00 Pm Edt

Sold Price Kenmore Elite He3 Electric Dryer July 2 0120 4 00 Pm Edt

Heating Element Kit Thermostat Fuse Kenmore Dryer 90 Series Elite He3 Whirlpool Ebay

Heating Element Kit Thermostat Fuse Kenmore Dryer 90 Series Elite He3 Whirlpool Ebay

Kenmore He2 He3 Dryer Won T Start Checking Thermal Fuse Thermistor Youtube

Kenmore He2 He3 Dryer Won T Start Checking Thermal Fuse Thermistor Youtube

Kenmore He3 Dryer Fuse Replacement Youtube

Kenmore He3 Dryer Fuse Replacement Youtube

Whirlpool Duet Kenmore He3 Front Load Washer Disassembly Youtube

Whirlpool Duet Kenmore He3 Front Load Washer Disassembly Youtube

Kenmore Elite Dryer Parts

Kenmore Elite Dryer Parts

Kenmore Elite He3 Not Starting Applianceblog Repair Forums

Kenmore Elite He3 Not Starting Applianceblog Repair Forums

Kenmore Elite H3 Dryer Manual

Kenmore Elite H3 Dryer Manual

How To Fix Kenmore Elite Electric Dryer Not Heating Share Your Repair

How To Fix Kenmore Elite Electric Dryer Not Heating Share Your Repair

Kenmore 110 67062600 Thermal Cut Off Kit Thermal Fuse And High Limit Thermostat Genuine Oem

Kenmore 110 67062600 Thermal Cut Off Kit Thermal Fuse And High Limit Thermostat Genuine Oem

I Have A Sears He5t Gas Dryer That Is Taking Too To Dry Clothes I Have Checked The Outlet Duct And It Appears To Have

I Have A Sears He5t Gas Dryer That Is Taking Too To Dry Clothes I Have Checked The Outlet Duct And It Appears To Have

Fixed Kenmore Dryer 110 649723 Forgot Wire Sequence Applianceblog Repair Forums

Fixed Kenmore Dryer 110 649723 Forgot Wire Sequence Applianceblog Repair Forums

Solved I Have A Kenmore Elite Oasis Electric Dryer Front Fixya

Solved I Have A Kenmore Elite Oasis Electric Dryer Front Fixya

Kenmore Elite 11087872603 Dryer Parts Sears Partsdirect

Kenmore Elite 11087872603 Dryer Parts Sears Partsdirect

Kenmore 80 Series Washer Parts Diagram Wiring Site Resource

Kenmore 80 Series Washer Parts Diagram Wiring Site Resource

Kenmore Elite Oasis 110 6703 Series Use Care Manual Pdf Download Manualslib

Kenmore Elite Oasis 110 6703 Series Use Care Manual Pdf Download Manualslib

Kenmore Elite He3 Dryer Ifixit

Kenmore Elite He3 Dryer Ifixit

Kenmore Elite He3 Model 11082822101 Electric Cloths Dryer Lakes Area Appliance Liquidation K Bid

Kenmore Elite He3 Model 11082822101 Electric Cloths Dryer Lakes Area Appliance Liquidation K Bid

Kenmore Elite He3 Dryer Ifixit

Kenmore Elite He3 Dryer Ifixit

Kenmore Elite 11087872603 Dryer Parts Sears Partsdirect

Kenmore Elite 11087872603 Dryer Parts Sears Partsdirect

Kenmore Elite 11097892601 Dryer Parts Sears Partsdirect

Kenmore Elite 11097892601 Dryer Parts Sears Partsdirect

My Kenmore Elite He3 Dryer Drum Will Not Turn But The Fixya

My Kenmore Elite He3 Dryer Drum Will Not Turn But The Fixya

Kenmore Elite Dryer Error Fault Codes

Kenmore Elite Dryer Error Fault Codes

Fix Your Home Appliances Instantly Electric Dryers Kenmore Dryer Gas Dryer

Fix Your Home Appliances Instantly Electric Dryers Kenmore Dryer Gas Dryer

Kenmore 110 87721700 Dryer Idler Pulley Wheel Bracket

Kenmore 110 87721700 Dryer Idler Pulley Wheel Bracket

Kenmore He3 Dryer Control Panel Part 8529879 For Sale Online Ebay

Kenmore He3 Dryer Control Panel Part 8529879 For Sale Online Ebay

Amazon Com 3387747 Dryer Heating Element Compatible With Whirlpool Cabrio Kenmore Elite 90 Series Maytag Bravo Roper 279816 Thermostat 279973 Thermal Cut Off Fuse 3392519 Thermal Fuse Replacement Parts Appliances

Amazon Com 3387747 Dryer Heating Element Compatible With Whirlpool Cabrio Kenmore Elite 90 Series Maytag Bravo Roper 279816 Thermostat 279973 Thermal Cut Off Fuse 3392519 Thermal Fuse Replacement Parts Appliances

Kenmore He3 Manuals Manualslib

Kenmore He3 Manuals Manualslib

Admiral Residential Admiral Laundry Adg7005aww Ereplacementparts Com

Admiral Residential Admiral Laundry Adg7005aww Ereplacementparts Com

Kenmore Elite Dryer Parts

Kenmore Elite Dryer Parts

35 Latest Kenmore Elite He5 Dryer Parts Diagram Stephan Fuchs

35 Latest Kenmore Elite He5 Dryer Parts Diagram Stephan Fuchs

Kenmore Elite 11087087601 Dryer Parts Sears Partsdirect

Kenmore Elite 11087087601 Dryer Parts Sears Partsdirect

Fixed Kenmore Elite He3 Electric Dryer No Heat Applianceblog Repair Forums

Fixed Kenmore Elite He3 Electric Dryer No Heat Applianceblog Repair Forums

0 Response to "37 kenmore elite he3 dryer parts diagram"

Post a Comment

Iklan Atas Artikel

Iklan Tengah Artikel 1

Iklan Tengah Artikel 2

Iklan Bawah Artikel