38 1994 honda accord wiring diagram
1994 Honda Accord Wiring Diagram. Print the wiring diagram off plus use highlighters to be able to trace the routine. When you employ your finger or follow the circuit together with your eyes, it may be easy to mistrace the circuit. A single trick that I actually 2 to printing a similar wiring diagram off twice. If your vehicle is not listed we unfortunately do not carry a wire / wiring information for it. 1993 HONDA PRELUDE 2DR COUPE wiring information. 1991 HONDA CRX 2DR HATCHBACK wiring information. 1989 HONDA ACCORD 4DR SEDAN wiring information. 1984 HONDA ACCORD 4DR SEDAN wiring information. 1993 HONDA ACCORD 2DR COUPE wiring information.
Whether your an expert installer or a novice enthusiast with a 1994 Honda Accord, an automotive wiring diagram can save yourself time and headaches. One of the most time consuming tasks with installing a car stereo, car radio, car speakers, car amplifier, car navigation or any mobile electronics is identifying the correct wires for a […]

1994 honda accord wiring diagram
Free Wiring Diagrams for 1994 Honda Accord Fuse Box Diagram, image size 1024 X 540 px, and to view image details please click the image. Put up through admin on January, 2 2013. If you like this article you can bookmark or share it to your social media account, I thanks very much because you have seen this web site. All wiring diagrams for honda accord ex 1994 model cars lx tachometer wire location tech forum discussion 1997 2 2l radiator cooling fan diagram ignition system 1995 madcomics 1993 94 radio 1996 dx repair manual 1992 1 5l civic does anyone have an ecu pinout a page enthusiast forums 4 fuse box block circuit breaker carfusebox car stereo… Read More » Engine Compartment Relay Holder No.2 (only 2.2L) Honda Accord - fuse box diagram - engine compartment relay holder no. 2. No. Relay. R1. A/C Compressor Clutch. R2. Condenser Fan. WARNING: Terminal and harness assignments for individual connectors will vary depending on vehicle equipment level, model, and market.
1994 honda accord wiring diagram. im looking the complete engine wiring diagram & schematic thats color coded for my 4dr 1994 honda civic sedan has a D15b7 engine in it for now but someone cut up a few wires in diffrent areas. thank you very much its been difficult to find the correct schematic & diagram again thank you #220. Ed Bro (Friday, 29 January 2021 05:49) Workshop Repair and Service Manuals honda All Models Free Online. ... Accord. L4-1751cc 1800 EK1 (1982) V6-3.5L ... (1994) L4-2.2L DOHC (VTEC) ... Honda 2009 CRV LX t 5 stereo amplifier wiring connector navigation . Honda 2009 CRV LX t 5 stereo wiring connector . Honda 1994 Accord EX stero wiring connector . Honda 1994 Accord EX stero wiring connector 2 1997 Honda Accord Wiring Diagram Pdf Collection. 1997 honda accord wiring diagram pdf - What's Wiring Diagram? A wiring diagram is a kind of schematic which makes use of abstract pictorial signs to reveal all the affiliations of parts in a system. Wiring diagrams are made up of two points: signs that stand for the parts in…
1995 Honda Accord Wiring of Starter/ignition Relay (Mitsuba. Recently my 1995 Honda Accord would not start, I jump started it & left it to idle a bit, came back & smoke was coming form the hood. The ...97 Honda Accord Fuse Box Diagram Color . 95 honda accord fuse box ford fuse box diagram honda … Read More 2002 Honda Accord Starter Wiring Diagram Under Repository Circuits 21301 Next Gr. Ignition System Wiring Diagram 1996 1997 1 6l Honda Civic. Ignition System Wiring Diagram 1998 1 6l Honda Civic. I Need The Wiring Diagram For A 1996 Honda Accord Lx 2 2l 5sp Headlights And Turn Signals Dash Lights. 1994 Honda Accord Lx Tachometer Wire Location ... im looking the complete engine wiring diagram & schematic thats color coded for my 4dr 1994 honda civic sedan has a D15b7 engine in it for now but someone cut up a few wires in diffrent areas. thank you very much its been difficult to find the correct schematic & diagram again thank you #220. Ed Bro (Friday, 29 January 2021 05:49) Please copy and paste the link below instead: ( 1994 Honda Accord Stereo Information ) 1994 Honda Accord Stereo Wiring. Constant 12V+. Blue/White. Switched 12V+. Yellow/Red. Ground. Black.
1994 honda accord wiring diagram wiring diagram mega. Architectural wiring diagrams show the approximate locations and interconnections of receptacles, lighting, and steadfast electrical facilities in a building. Interconnecting wire routes may be shown approximately, where particular receptacles or fixtures must be on a common circuit. 1994, 1995, 1996, 1997 2.2L Honda Accord Starter Motor Wiring Diagram. Accord DX, EX, LX. 1994 Honda Accord Lx Tachometer Wire Location? - Honda-Tech, size: 800 x 600 px, source: honda-tech.com. Below are a few of the top illustrations we receive from various resources, we hope these pictures will work to you, and ideally very appropriate to exactly what you want concerning the 1994 Honda Accord Lx Fuse Box Diagram is. Description: Honda Accord 2.3 1994 | Auto Images And Specification within 1994 Honda Accord Engine Diagram, image size 1000 X 681 px, and to view image details please click the image.. Here is a picture gallery about 1994 honda accord engine diagram complete with the description of the image, please find the image you need.
1996 Honda Accord Wiring Diagram - wiring diagram is a simplified suitable pictorial representation of an electrical circuit. It shows the components of the circuit as simplified shapes, and the capacity and signal connections between the devices. A wiring diagram usually gives opinion practically the relative point of view and accord of ...
Ignition System Wiring Diagram (1994-1995 2.2L Honda Accord) This simplified ignition system wiring diagram applies to the 1994 and 1995 2.2L Honda Accord (DX, EX and LX models) with the ignition coil inside the distributor. This typical circuit diagram includes the following circuits: ignition coil, crankshaft position (CKP) sensors, and igniter.
1994 Honda Accord Wiring Diagram. To properly read a wiring diagram, one offers to learn how typically the components inside the method operate. For example , if a module is usually powered up also it sends out a signal of fifty percent the voltage plus the technician would not know this, he would think he has an issue, as he would expect a new ...
Still Looking For A C Diode In 1996 Honda Accord 2 2l 5 Speed 4dr The Diagram Is Not So Good Could You Please Be
Fuse box diagram (fuse layout), location, and assignment of fuses and relays Honda Accord Mk5 (CD) DX, EX, LX & EX-R (1994, 1995, 1996, 1997).
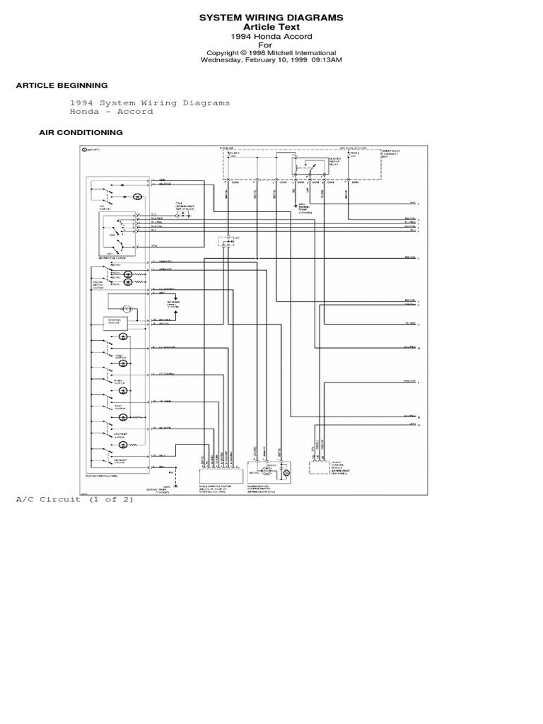
199497 HONDA ACCORD 1994 97 SYSTEM WIRING DIAGRAMS 1994-97; If you have any question about repairing write your question to the Message board. For this no need registration. Please take a look at the below related repair forum topics. May be help you to repair.
1994 Honda Accord Wiring Diagram. 1994 Honda Accord Wiring Diagram from detoxicrecenze.com. Effectively read a cabling diagram, one provides to learn how the components inside the system operate. For example , in case a module will be powered up and it also sends out a new signal of 50 percent the voltage plus the technician would not know this ...
To view the FREE 1994 HONDA ACCORD 2DR COUPE wire information / wiring information press go To view other wiring information Click Here. Thank you for choosing Wirediagram.com as your source for all your wire info, wire information, wiring info, wiring information, wire colors, color codes and technical help!
The Modified Life staff has taken all its Honda Accord car alarm wiring diagrams, Honda Accord car security wiring diagrams, Honda Accord car alarm wire diagrams, Honda Accord car security wiring schematics, Honda Accord car security diagrams, Honda Accord remote starter wiring diagrams and cataloged them online for our visitors to use for free ...
1992 honda accord master power window switch wiring diagram - Honda 1992 Accord question. Search Fixya. Browse Categories Answer Questions ... Also, in here, 1994-Honda-Accord-Coupe-Section-01-Engine (page 47 and next / TDC marks) ...
1994 Honda Accord Radio Wiring Diagram from repairguide.autozone.com Print the cabling diagram off plus use highlighters in order to trace the signal. When you use your finger or perhaps follow the circuit along with your eyes, it's easy to mistrace the circuit.
Listed below is the vehicle specific wiring diagram for your car alarm, remote starter or keyless entry installation into your 1994-1995 Honda Accord.This information outlines the wires location, color and polarity to help you identify the proper connection spots in the vehicle.
Honda Car Radio Stereo Audio Wiring Diagram Autoradio Connector Wire Installation Schematic Schema Esquema De Conexiones Stecker Konektor Connecteur Cable Shema
Here are a few of the leading illustrations we get from numerous sources, we really hope these images will certainly serve to you, and hopefully extremely pertinent to what you want concerning the 1994 Honda Accord Exhaust System Diagram is. 1996 Honda Accord Muffler Repair - Youtube, size: 800 x 600 px, source: i.ytimg.com.
1994 honda accord car stereo wire colors functions and locations. Find the honda radio wiring diagram you need to install your car stereo and save time. Read 1997 honda accord stereo wiring diagram pictures. Honda accord 1994 1997 fuse box diagram. Honda accord 1994 radio wiring diagram. August 19th 2012 posted in honda accord. 1994 1995 1996 1997.
Zd30 Ecu Wiring Diagram have a graphic from the other. - Accelerator Driver Problems functions and parts which do functions ECU Circuit Diagram for Bosch (ECU Schematic) - AUTODTC. Diagram 2005 Honda Accord Ecu Wiring Full Version Hd Quality Vbeadiagram Diagramuml Cyou. No ground no fire. If the wiring appears to be okay, then suspect a bad ecu.
1994 Honda Civic Electrical Troubleshooting Manual Original. Integra Wiring Diagram . Integra wiring diagram1994 Honda Accord Ex Factory Stereo Wiring Color . 1998 honda civic factory radio wiring diagram wiring diagram database 95 honda accord radio wiring harness wiring diagram tutorial Honda civic radio wiring colors wiring diagram tutorial 1998 honda civic factory radio wiring …
Diagrama Eléctrico 1994 HONDA ACCORD LX. Encontrarás información sobre la representación gráfica (wiring diagram en inglés) de los diferentes circuitos eléctricos y sus componentes o si estás buscando un circuito eléctrico en específico. En este sistema eléctrico podrás detallar las interconexiones en el plano que requieras para resolver o solucionar cualquier inconveniente en el ...
1994 Honda Accord Speaker Sizes. Front Speakers Size: 6 1/2″ Speakers. Rear Speakers Size: 6″ x 9″ Speakers. The following information is currently not available: Radio Dimmer Wire. Radio Power Antenna Trigger Wire. Radio Amplifier Turn On Trigger Wire. *If you know any of the above or any other missing information please use the comment ...
Apr 12, 2019 · 1994 Honda Accord Stereo Wiring Diagram. Honda 2009 crv lx t 5 stereo wiring connector. Car stereo wiring diagrams car radio wiring car radio wiring colors car radio ...
Some HONDA Civic Wiring Diagrams are above the page.. HONDA Civic is available in two body versions: 2-door Coupe and 4-door Sedan. The 4-cylinder in-line gasoline engine is mounted transversely in front of the car and is equipped with an electronic fuel injection system.
Engine Compartment Relay Holder No.2 (only 2.2L) Honda Accord - fuse box diagram - engine compartment relay holder no. 2. No. Relay. R1. A/C Compressor Clutch. R2. Condenser Fan. WARNING: Terminal and harness assignments for individual connectors will vary depending on vehicle equipment level, model, and market.
All wiring diagrams for honda accord ex 1994 model cars lx tachometer wire location tech forum discussion 1997 2 2l radiator cooling fan diagram ignition system 1995 madcomics 1993 94 radio 1996 dx repair manual 1992 1 5l civic does anyone have an ecu pinout a page enthusiast forums 4 fuse box block circuit breaker carfusebox car stereo… Read More »
Free Wiring Diagrams for 1994 Honda Accord Fuse Box Diagram, image size 1024 X 540 px, and to view image details please click the image. Put up through admin on January, 2 2013. If you like this article you can bookmark or share it to your social media account, I thanks very much because you have seen this web site.
0 Response to "38 1994 honda accord wiring diagram"
Post a Comment