38 white rodgers 90 290q wiring diagram
White Rodgers 90 290q Wiring Diagram Hanenhuusholli. Click Images to Large View White Rodgers 90 290q Wiring Diagram Hanenhuusholli White Rodgers Relay Wiring Diagram Sample - Collections Of White Rodgers 50e47 843 Wiring Diagram Image. White Rodgers 90 290q Wiring Diagram Download. Dc Relay Wiring Diagram Save White Rodgers 90 290q Wiring Diagram. White Rodgers Relay Wiring Diagram Get Free Image About Wiring.
We've gathered our favorite ideas for White Rodgers 90 290q Wiring Diagram Hanenhuusholli, Explore our list of popular images of White Rodgers 90 290q Wiring Diagram Hanenhuusholli and Download Photos Collection with high resolution

White rodgers 90 290q wiring diagram
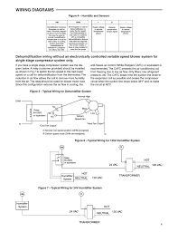
White-Rodgers. Sensi™ ... 90-290Q, 90-290Q Thru 90-295Q Relays Coil Voltage 24 Vac, 50/60 Hz. Product Category Relays and Transformers. Model Number 90-290Q. Coil Voltage Product Category Model Number 24 Vac, 50/60 Hz. Relays and Transformers. 90-290Q ... WHITE-RODGERS 90 SERIES 1F95-391 ... using the appropriate wiring diagram and tighten the terminal screws. CONFIGURING AND PROGRAM-MING ... 90-290Q or equivalent Humidifier System 24 VAC 120 VAC NEUTRAL HOT NEUTRAL 120 VAC HOT TRANSFORMER Typical Wiring for 120V Humidifier System HM R I White Rodgers 90 340 RBM Relay Type 91 DPDT 24V Mara The best out of the ordinary is always to use a verified and accurate White Rodgers Rbm Type 91 Relay Wiring Diagram that's provided from a trusted source. A good, established company that has a long track lp of providing the most up-to-date wiring diagrams comprehensible is not hard to find.
White rodgers 90 290q wiring diagram. www.white-rodgers.com ... Typical wiring diagram for heat only, ... 90-290Q or equivalent. HM. HUMIDIFIER. Figure 4. Typical wiring diagram for 24V humidi-. White Rodgers 90 342 8 40 Relay Switching Zoro Com. Fan relay type 184 24 vac coil 50 60 nest 2 0 honeywell he360 wiring relays electrician talk white rodgers 90 380 for c wire 293q diagrams 1f95 a136 davies supply group ltd distributors installing on millivolt system magnetic enclosed hvac grainger volt emerson 292q furnace transformers index mars er 00000005981lf 000 342 8 40 and 7 35 ... 90-290Q Thru 90-295Q. ... not the external circuit. www.white-rodgers.com ... Transformer and Relay Combination for Easy Installation on a. 90-290q thru 90-295q relays coil voltage ac (50/60 hz) switch action res dc ohms coil data nominal current ma coil data nominal va sealed inrush va model number item number 24 spno 90 125 3 4 90-290q 90 290qs1 ... wiring diagrams spdt spno r-4899_062_12.11.20. created date:
www.white-rodgers.com. 4. RELAYS and. TRANSFORMERS. Approximate Overall Dimensions ... 90-290Q THRU 90-295Q WR/RBM TYPE 84 ... Electrical Life (rated load). The White-Rodgers 90-290Q fan relay is used for switching single or two speed fan motors, solenoids, relays, resistive loads etc. This fan relay is compact, totally enclosed relay, which provides quiet, reliable and economical operation. Jul 12, 2020 - amazing relay wiring panel 2020 #relaywiringpanel #relaywiringdiagram #12vrelaywiring #5pinrelaywiring. See more ideas about relay, diagram, wire. White Rodgers 90-290Q - Fan Relay, Type 84, 24 VAC Coil, SPNO. Coil Data: 90 Ohms DC Resistance, 125 mA (Nominal), 3 VA (Nominal), 4 VA (Inrush) - Used for Switching Single or Two Speed Fan Motors, Solenoids, Relays, Resistive Loads and General Purpose Switching Features Compact, totally enclosed design For heating and cooling applications and ...
WIRING DIAGRAMS ENCLOSED RELAYS Model Number Coil Voltage AC (50/60 Hz) Res DC OHMS Coil Data Inrush SPNO SPDT Nom. Current MA Nominal VA Sealed VA 90-290Q 90-293Q 24 90 125 3 4 90-291Q 90-294Q 120 2,000 25 3 4 90-292Q 90-295Q 240 7,000 12.5 3 4 98 www.white-rodgers.com TRANSFORMERS / RELAYS READ White Rodgers 90 290Q Wiring Diagram For Your Needs. 4 Wire Stepper Motor Wiring Diagram Source: sites.google.com 4 Wire Stepper Motor Wiring Diagram Source: www.oyostepper.com. Facebook Tweet Pin. MUST-KNOW TIPS FOR DIY ELECTRICAL WIRING AND TRANSITIONING 1. Have the right tools handy. Only US$6.85, bulk discount. Shop quality White-Rodgers 90-290Q Fan Relay, Type 84, 24 VAC Coil, SPNO. Coil Data: 90 Ohms DC Resistance, 125 mA (Nominal), 3 VA (Nominal), 4 VA (Inrush), Price/each at wholesale price, with real time product reviews. Excellent customer support, fast & free delivery. Thermostat wiring details & connections for the White Rodgers brand of room thermostats. This article gives a table showing the proper wire connections nearly all types of White Rodgers room thermostats, new and old, used to control heating or air conditioning equipment, including the White Rodgers F90 2-wire and 3-wire thermostat installations.
white rodgers relay wiring diagram - White Rodgers 90 290q Wiring Diagram Collection Also included here is the wiring schematic for. File Type: JPG. Source: visithoustontexas.org. Collection of white rodgers relay wiring diagram. Click on the image to enlarge, and then save it to your computer by right clicking on the image.
White Rodgers 90 290q Wiring Diagram. 28.05.2019 28.05.2019 5 Comments on White Rodgers 90 290q Wiring Diagram. schematron.org 4. RELAYS and Q THRU Q WR/RBM TYPE Used for Switching Single or Two WIRING DIAGRAMS. ENCLOSED. 1 of 4only 1 available. white-rodgers steveco q rbm type 84 relay 1 of 3only 1 available.
White rodgers type 91 relay wiring diagram. Collection of white rodgers relay wiring diagram. I m adding a photo of the wiring diagram and a quarter for sizing since the label is not. A wiring diagram is a streamlined standard pictorial representation of an electrical circuit. Click on the image to enlarge and then save it to your computer by ...
Instead I just spliced into the service switch box and sat the transformer on top and then got the relay to help create a C wire. I researched his video a bit more and he's actually using a White Rodgers 90-290Q which gives a better explanation of why I was confused.
WIRING DIAGRAMS anti-freeze-up control (White-Rodgers CAFC) or equivalent is recommended. The CAFC prevents the air conditioning coil from freezing due to low air flow, dirty filters, low refrigerant pressure, etc. The CAFC snaps onto the suction line close to the evaporator coil as possible and breaks the compressor
C—>blue—>C Nest 2.0 which taps before the Lug 3 on WR 90-290Q relay Lug 1 on WR 90-290Q —->orange—> * on Nest 2.0 Lug 1 on White Rodgers 90-290Q goes to * on Nest 2.0 Lug 3 on White Rodgers 90-290Q goes to C on Nest 2.0 Lug 4 on White Rodgers 90-290Q goes to HUM on Aprilaire 800 Lug 2 on White Rodgers 90-290Q goes to HUM on Aprilaire 800
White Rodgers 50t35 730 Wiring Diagram - wiring diagram is a simplified suitable pictorial representation of an electrical circuit.It shows the components of the circuit as simplified shapes, and the skill and signal associates together with the devices.
White Rodgers 90-380 - Fan Relay, Type 184, 24 VAC Coil, 50/60 Hz, SPNO/SPNC. Coil Data: 77 Ohms DC Resistance, 125 mA - Heavy-Duty General Purpose Relay Operates in Any Position Features Compact, totally enclosed design For heating and cooling applications and general switching Quiet, reliable and economical
White Rodgers. 90-290Q. 120. 8. 16. 25. 3. 4. White Rodgers. 90-291Q ... Molded terminal numbers and circuit diagram on top of relay provide.
56 www.white-rodgers.com TECHNICAL HELP RH 24 VAC 120 VAC Hot Neutral THERMOSTAT SYSTEM G W Figure 1. Typical wiring diagram for heat only, 3-wire, single transformer systems TRANSFORMER Heating System Fan Relay Y RC JUMPER WIRE RED jumper wire (provided with thermostat) must be ... 90-290Q or equivalent H M HUMIDIFIER Figure 4. Typical wiring
It's way cheaper than buying a $90 controller from AprilAire and running another wire. Lug 1 on White Rodgers 90-290Q goes to C on AirHandler Control Board. Lug 3 on White Rodgers 90-290Q goes to + on Ecobee. Lug 4 on White Rodgers 90-290Q goes to DH on Aprilaire 1850. Lug 2 on White Rodgers 90-290Q goes to DH on Aprilaire 1850
White Rodgers 90 290q Wiring Diagram. diagramweb.net 4. RELAYS and Q THRU Q WR/RBM TYPE Used for Switching Single or Two WIRING DIAGRAMS. ENCLOSED. White Rodgers • Q Replacement Heavy Duty Switching Fan Relay . connectors and some pre-setup wiring I did following the Wiring diagrams in the. White Rodgers RBM type 84 replacement relay.
Through the thousand pictures on the internet about hvac fan relay wiring diagram, selects the best selections along with greatest image resolution only for you, and now this photographs is considered one of photos collections inside our best photographs gallery concerning Hvac Fan Relay Wiring Diagram.I really hope you will want it. That picture (White Rodgers 90 290Q Relay Wiring Diagram ...
White Rodgers 90-290q Wiring Diagram. 1 of 4only 1 available. white-rodgers steveco q rbm type 84 relay 1 of 3only 1 available. supco hvac heavy duty fan relay - schematron.org 56 Typical wiring diagram for heat only, Q or equivalent. HM.
White rodgers relay wiring diagram white rodgers 90 290q wiring diagram collection also included here is the wiring schematic for. Cloudflare monitors for these errors and automatically investigates the cause. $13.40 $ 13. A 90-340 is a very common, versatile relay that many techs have on their truck so we will use it as the example.
www.white-rodgers.com. 04. RELAYS and. TRANSFORMERS. 90-112 THRU 90-130. FAN CONTROL CENTER. Transformer and Relay Combination for Easy Installation on a.
Packard Switching Fan Relay 24 Coil Voltage 16 Resistive Amps. Packard. Item ID: PR290Q. Purchase options: Sales Unit: Each. Case Quantity: 150. When ordering per case, enter the total number of pieces in the quantity field. For example, if one case has 30 pieces and you want 2 cases enter 60 in the quantity field.
White Rodgers 90 340 RBM Relay Type 91 DPDT 24V Mara The best out of the ordinary is always to use a verified and accurate White Rodgers Rbm Type 91 Relay Wiring Diagram that's provided from a trusted source. A good, established company that has a long track lp of providing the most up-to-date wiring diagrams comprehensible is not hard to find.
WHITE-RODGERS 90 SERIES 1F95-391 ... using the appropriate wiring diagram and tighten the terminal screws. CONFIGURING AND PROGRAM-MING ... 90-290Q or equivalent Humidifier System 24 VAC 120 VAC NEUTRAL HOT NEUTRAL 120 VAC HOT TRANSFORMER Typical Wiring for 120V Humidifier System HM R I
White-Rodgers. Sensi™ ... 90-290Q, 90-290Q Thru 90-295Q Relays Coil Voltage 24 Vac, 50/60 Hz. Product Category Relays and Transformers. Model Number 90-290Q. Coil Voltage Product Category Model Number 24 Vac, 50/60 Hz. Relays and Transformers. 90-290Q ...
0 Response to "38 white rodgers 90 290q wiring diagram"
Post a Comment