39 vw passat vacuum hose diagram
I'm going to do a coolant pressure test with the provided diagram so I can chase it down. I'll get another reservoir cap and tap a male nipple on it so I can apply pressure with my hand pump. Additionally, I will use the diagram Andreas furnished for replacement diagram to change the 21 year old hoses. I already started this on the vacuum lines. Registered. 1969 Opel GT 1.9L. Hook up to full manifold vacuum port at the bottom of the carb below the throttle plates (the vacuum line goes to the retard canister). The port in the middle of the carb which hooks to the advance canister is ported vacuum and should be at or close to 0" at warm idle.
This is a brief how-to on replacing the PCV hoses on a Volkswagen 1.8t engine. The engine in this video is an AWP out of a 2002 Jetta. Other models of the 1....

Vw passat vacuum hose diagram
Interior Lights Volkswagen Jetta Tdi 2006 System Wiring Diagrams Diagramas De Cableado Para Automóviles. Cruise control volkswagen jetta tdi vw 2006 1 9l sel engine brm radio wiring diagram cikeri diagrams tdiclub forums cars 2000 05 main trunk tailgate fuel door easier to read alh work manuals l4 stereo layout 2018 passat fuse box pdf service electrical hazard switch cooling fan gl 2004 golf ... B6 a4 revo stage 2. Audi a3 (8p) audi a3,s3 (8v) (new!. ) discover pro 高音質化プレミアム・コーディング rev. A7 and a4 must be connected to +12v to get radio power on. Speaker will click and you will see the diaphragm move forward or backward. Connector b is used only for the speakers. passat-engine-diagram 1/1 Downloaded from edu-dev.fuller.edu on November 10, 2021 by guest [PDF] Passat Engine Diagram If you ally craving such a referred passat engine diagram ebook that will give you worth, get the no question best seller from us currently from several preferred authors.
Vw passat vacuum hose diagram. VW Golf TDI MK4 EGR Valve-Vacuum Hose Pipe Blocked Off with Bolt/ScrewEGR Fault P0403 - VW Tiguan 2013 - 2.0 TDI CFFB EASY - How to replace EGR on a 2.0 BKD VAG engine ( audi a3) Page 5/37. Online Library 2009 Audi A3 Egr Vacuum Solenoid Manual VW / Seat / Audi / Skoda 1.9tdi EGR valve ... VW Golf MK5, Jetta, Passat B6, Touran, Skoda Octavia ... 2 Jul 2012 — Two separate cooling system s, each with its own belt-driven water pump, thermostats, radiator, and degas bottle. The 6.7 liter Power Stroke ...8 pages 6.7 Power Stroke Coolant and Oil leaks In the early years of the 6.7 liter engine, there was a high percentage of radiator, turbo base coolant seal, turbo coolant inlet fitting, and water pump leaks. Morris Minor Full Colour Wiring Diagram A3 & Laminated - 16"x12" All Models. ... Audi A8 D2 V8 Brake Servo Vacuum Hose Pipe New Genuine 077133784D. ... Seller 100% positive Seller 100% positive Seller 100% positive. VW PASSAT B6 2005 Vacuum Brake Servo 3C2614105E 3C2611301. £52.24. £54.99 previous price £54.99 5% off 5% off previous price £ ... All coolant hoses, coolant res all new vacuum lines, new fuel filter & all fuel injector O-rings, new battery, all new power steering hoses, new coolant temp sensor & radiator fan thermo switch each w/ corresponding gaskets, both front CV axles, front driver side axle flange seal, oil cooler gasket, all new PCV system components, new throttle ...
August 2, 2011 - I am thinking about adding a hose to run to a vacuum source to fix it. Also, over by the abs and washer bottle, there are 2 hard lines( not part of the abs) where do they run down to? I see they go into the fender but dont know what they connect to. Thanks · 01.5 Passat-Indigo Blue Mods: unitronic ... vacuum hose diagram The Volkswagen New Beetle is a compact car, introduced by Volkswagen in 1997, drawing heavy inspiration from the exterior design of the original Beetle.Unlike the original Beetle, the New Beetle has its engine in the front, driving the front wheels, with luggage storage in the rear.Many special editions have been released ... 1984 Ford F150 Stereo Wiring Diagram Vw Passat Trailer Wiring Diagram. Check the connectors and wiring. ... Vacuum hose diagram I was busy on the bottom header back and hose On the bottom of the engine there is what looks like a. Check to see if you have 12DVC to fuel pump connector when staring. 35 2002 Vw Passat Cooling System Diagram Wiring Diagram List. Save Image. 1999 Jetta 2 0 Engine Diagram : Diagram 1995 Volkswagen . Save Image. ... I NEED A DETAILED VACUUM HOSE DIAGRAM FOR A 1999 VW JETTA TDI. Save Image. 1998 Jetta 2 0 Engine Diagram : 95 Vw 2 0 Jetta Engine . Save Image.
Just posting for anyone else that might need it. I searched for one a while back til I looked ..... under my hood. Volkswagen Passat B5 Discussion. B5 Garage. b5.5 1.9TDI vacuum pump leak. Tags vacuum leak. ... It caused a code for vacuum pump failure, but fixing the hose fixed the problem. That hose is seen on the right of this pic, with a green arrow over it. You can see where the hard line meets the cloth covered rubber line. Volkswagen Golf Engine Bay Diagram Keywords: volkswagen, golf, engine, bay, diagram Created Date: 10/14/2020 3:07:36 PM Volkswagen Golf Engine Bay Diagram - ox-on.nu 1985 vw golf wiring diagram 1 [29 KB] 1985 vw golf wiring diagram 2 [28 KB] 1993 vw corrado ground distribution circuit wiring diagrams [145 KB] 1993 vw passat emergency lights wiring Title: Vw Passat B6 Manual Gearbox Problems Author: app.certus.inf.br-2021-10-11T00:00:00+00:01 Subject: Vw Passat B6 Manual Gearbox Problems Keywords
October 16, 2012 - On a 2002 passat 1.8t where does the vacuum hose go {both ends} there is only one on intake manifold to? - Answered by a verified VW Mechanic
This video will show you how to ...utscheautoparts.com\/vacuum-hose-brake-booster-hose-1k0612041gm.html\\n\\nAudi - A3 - 8P 2006-2008 - 2.0 Turbo FSI\\nVW - GTI - MK5 2006-2009 - 2.0 Turbo FSI\\nVW - Jetta - MK5 2005.5-2010 - 2.0 Turbo FSI\\nVW - Passat - B6 2006-2010 - 2.0 ...
86/87 vacuum hosekit. Vacuum Hose Kit 86 - 87 944 Turbo.Starting from: $347.60. More Info >. Starting from: $347.60. Add to Cart. 32. skukey_1144178174. 944 Turbo Intake Boot Clamp Kit. 93 Legend L Coupe. It's a decent diagram, but I don't care for one thing: the wastegate line shouldn't be running that far. If you tap the wastegate line closer to the turbo, you will have better boost control ...
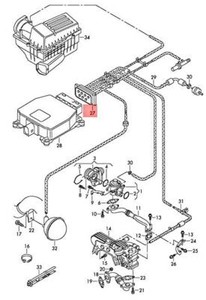
Volkswagen Workshop Manuals Passat B3 Power Unit 4 Cyl Diesel Engine Mech Exhaust System Exhaust Gas Recirculation System Engine Code Afn Vacuum Hose Connection Diagram
2001 Vw Passat 1 8 T Engine Diagram In 2021 Vr6 Engine Volkswagen Jetta Vw Jetta . Vacuum Hose Line Diagram Line Diagram Vacuum Hose . Vw Up Engine Diagram Jakarta . In crafter, diagram, engine. Leave a Reply Cancel reply. Your email address will not be published. Required fields are marked *
058 133 784 Oleh Mobil Vacuum Katup Nafas Selang Perakitan Untuk Vw Passat Kerah Audi A4 A6 Skoda Luar Biasa Kursi Exeo Intake Manifold Aliexpress
Open the hood of the vehicle and look for a large sticker on the radiator mounting frame or fender cover. Many cars made after 1980 have a vacuum hose diagram on the engine data sticker. If the sticker is too damaged to read or is missing, find somebody else who has the same model (same engine!) and ask if you can look at the diagram in that car.
SHINEHOME 058133784AF Vacuum Check Valve Breather Hose Assembly for VW Passat B5 1.8T 1997-2005 A4 A6 1.8T 1999-2008 Skoda Superb 1.8T 2002-2008 SEAT Exeo 1.8T 2009-2014 4.3 out of 5 stars 39 $18.99 Amazon.com: 058133785B Elbow Hose Air Pump Connect Pipe ...
Volkswagen Passat 2001 Wiring Diagram Download Download Now. 1Z and AHU engine vacuum diagram was in the ecu hose article linked. VW Car Manuals PDF. As far as I know its the same sensor for the oil level too.
If your fuel hoses are original or haven't been replaced in more than a decade you are driving around in a bomb. Buy enough of the high pressure ~225 psi 5/16" Gates Barricade hose (it should have both the SAE 30r9 & 30r14 ratings) to replace all the hose from the tank to the engine and back. Use Fuel Injection style clamps that will not cut the hose.
March 24, 2009 - Here is the diagram of vaccum hoses and valves... Volkswagen Passat 1.8T , and Audi A4 1.8T appears to be exactly same.... Components List...
Looyuan Vacuum Check Valve Crankcase Breather Hose Assembly For Vw Passat B5 Audi A4 A6 1 8t Buy Online In Faroe Islands At Desertcart 24174153
4 weeks ago - TDIClub (tdiclub.com) forums - A VW TDI diesel discussion board. Sometimes called Fred's TDIPage with info on UPGRADES, PERFORMANCE, FUEL MILEAGE, and MAINTENANCE
Installing my A4 1.8T vacuum setup
VW Golf TDI MK4 EGR Valve-Vacuum Hose Pipe Blocked Off with Bolt/Screw EGR ( air injection ) valve 1.8T Audi A6 ... FAST & FREE. VW PASSAT AUDI A4 B6 A6 C5 2000-2005 1.9 TDI EGR VALVE 038131501AA 038129637L. 5 out of 5 stars (2) 2 product ratings - VW PASSAT AUDI A4 B6 A6 C5 2000-2005 1.9 ... Car EGR Valves for 2000 Audi A4 for sale ¦ eBay
Hi all, I have a 2009 Golf VI 2.0 GT TDI DSG Highline CBAB - UK Spec. I have an oil leak coming from the turbo oil feed line. I can't clearly see exactly where it's leaking but it's right at the turbo end of the line. Now, I need to resolve the leak and have been advised by 3 mechanics now to...
2008 Volkswagen Passat Engine Technical Service Bulletins (TSBs). ... this document informs with a diagram which vacuum ports on the n75 valve should hold vacuum and which ones should not for diagnosis on the vehicles with 2.0t gasoline engine (engine codes bpy, cc ... Fuel Hose, Line, Piping and Fitting (1) Fuel Injection System (1) Fuel Pump (4)
Vw Passat B5 1998 2005 Hydraulic Unit Brake Booster Brake Master Cylinder Assembly Overview Eng Manualzz
I found a great diagram by Colin Kellogg 2004 from this forum which is extremely helpful. Is there a stock ridged pipe that served part of this purpose in the engine compartment? If so, does anyone have a picture of it they could share? I suspect I could substitute this part with a flexible vacuum hose of correct size and strength.
Volkswagen Jetta GLI Engine Coolant Hose. 2.8 LITER, 2003 . Save Image. 29 2001 Vw Jetta Radiator Hose Diagram Wiring Database 2020
October 9, 2011 - There are four vacuum hoses on the 1.8T engine that become hard as a rock over time and should be replaced. Three of the four are an easy DIY job; the fourth is slightly more work, since one end is accessed from under the car. I replaced the three hoses on my 2001.5 Passat with AWM engine with...
This is a how-to for performing a simple boost or vacuum leak test on a VW 1.8t using a home-made inexpensive boost leak tester. Though I'm working on a MK4 ...
Low prices on Vacuum Hose for your Volkswagen Passat at Advance Auto Parts. Find aftermarket and OEM parts online or at a local store near you.
Time: 1.5 Hours http://forums.tdiclub.com/showpost.php?p=1566427&postcount=30 10 Feet of 3mm hosing 5 Feet of 4mm hosing Social Media: IG: JerryBatista1 Snap
I bought silicone hose to replace the 10 year old braided cloth covered rubber vacuum hosed in my 3 VW TDI cars. These cars rely on vacuum to control key en...
It might be a leaking vacuum hose but the engine will increase in RPM at idle. Check with VCDS. It will note that the oxygen sensors in the exhaust have changed readings and will adjust fuel trim, idle, etc. When I first did mine, I noticed a trace of oil coming out of the small vent hole at the side of the rear of the valve cover.
I am pulling my hair out here with my problem! I have a VW Passat 2001 1.9 TDI SE 130BHP. My car simply does not have any power. The turbo simply does not kick in and when going up a hill the car drags! when on the motorway even the slight steep hill then even micra's are overtaking me.
Vw Volkswagen Passat Service Manual 1998 2005 Bentley Publishers Repair Manuals And Automotive Books
Went home and parked it. I thought the leak was coming from the master cylinder, but now I think it's transmission fluid that needs changed it was a light tan color. There was a hose near this master cylinder that seemed to be spraying. I held a sheet of paper near it so I wouldn't burn my hand, and though no fluid was spraying now, the hissing ...
November 21, 2011 - Free help, troubleshooting & support for 2004 Volkswagen Passat vacuum hose diagram related topics. Get solutions for 2004 Volkswagen Passat vacuum hose diagram related issues from top Volkswagen experts.
2000 Vw Passat Engine Diagram. 2000 Toyota Camry Engine Diagram. ... 2004 Mazda Tribute Vacuum Hose Diagram. 2004 Mazda Tribute Vacuum Line Diagram. 2004 Mazda 6 Bose Subwoofer Wiring Diagram. 2000 Civic Suspension Diagram. 31 V6 Engine Diagram. Bmw X5 Engine Diagram.
May 23, 2012 - Hi everyone, I'm one of the unlucky ones getting the P0234 overboost error code on 2002 Vw bora ALH. Have gone through most minor possibilities and am next going to replace all the vaccuum lines. I have read somewhere that there are 3 different diameters of vacuum hose that will need replacing...
TLDR: BMW PCV/oil separators have a drain to return oil to the pan as it is separated from the crankcase gasses, does this drain have a one way valve in it so only oil flows to drain, or is it also designed for crankcase gases also vent through it to return to the intake? The reason for this post is I am looking for a reasonably priced oil separation system for my crankcase vent on an engine build. I have plans to design one in an aluminum box mounted to the top of my valve cover, but for the a...
The diagram shows one such process. Which energy transformation is represented in the diagram? nuclear to thermal and radiant nuclear to electrical and chemical chemical to nuclear and radiant chemical to electrical and nuclear HURRY I'M TIMED Energy can be transformed from one form to another. The diagram shows one such process.
passat-engine-diagram 1/1 Downloaded from edu-dev.fuller.edu on November 10, 2021 by guest [PDF] Passat Engine Diagram If you ally craving such a referred passat engine diagram ebook that will give you worth, get the no question best seller from us currently from several preferred authors.
On A 2002 Passat 1 8t Where Does The Vacuum Hose Go Both Ends There Is Only One On Intake Manifold To
B6 a4 revo stage 2. Audi a3 (8p) audi a3,s3 (8v) (new!. ) discover pro 高音質化プレミアム・コーディング rev. A7 and a4 must be connected to +12v to get radio power on. Speaker will click and you will see the diaphragm move forward or backward. Connector b is used only for the speakers.
On A 2002 Passat 1 8t Where Does The Vacuum Hose Go Both Ends There Is Only One On Intake Manifold To
Interior Lights Volkswagen Jetta Tdi 2006 System Wiring Diagrams Diagramas De Cableado Para Automóviles. Cruise control volkswagen jetta tdi vw 2006 1 9l sel engine brm radio wiring diagram cikeri diagrams tdiclub forums cars 2000 05 main trunk tailgate fuel door easier to read alh work manuals l4 stereo layout 2018 passat fuse box pdf service electrical hazard switch cooling fan gl 2004 golf ...
0 Response to "39 vw passat vacuum hose diagram"
Post a Comment