40 vw beetle cooling system diagram
VW Beetle VW Type 3 VW Thing / Trekker VW Karmann-Ghia VW Engines T1+T4 VW Electrical. IGNITION SYSTEMS TOOLS. Other (Non VW) Product Catalogues. Air Cooled Porsche Rover V8 Parts Ford Kits BMC Era Car Parts Land Rover Kits: Analysis Of Standard VW Air-Cooling Systems "Dog House" (Late 13/1600cc) Fanshroud Internal Cutaway ... This video will go over instructions for bleeding the air out of the cooling system of your Volkswagen Beetlebug, Volkswagen Jetta, Volkswagen New Beetle, Vo...
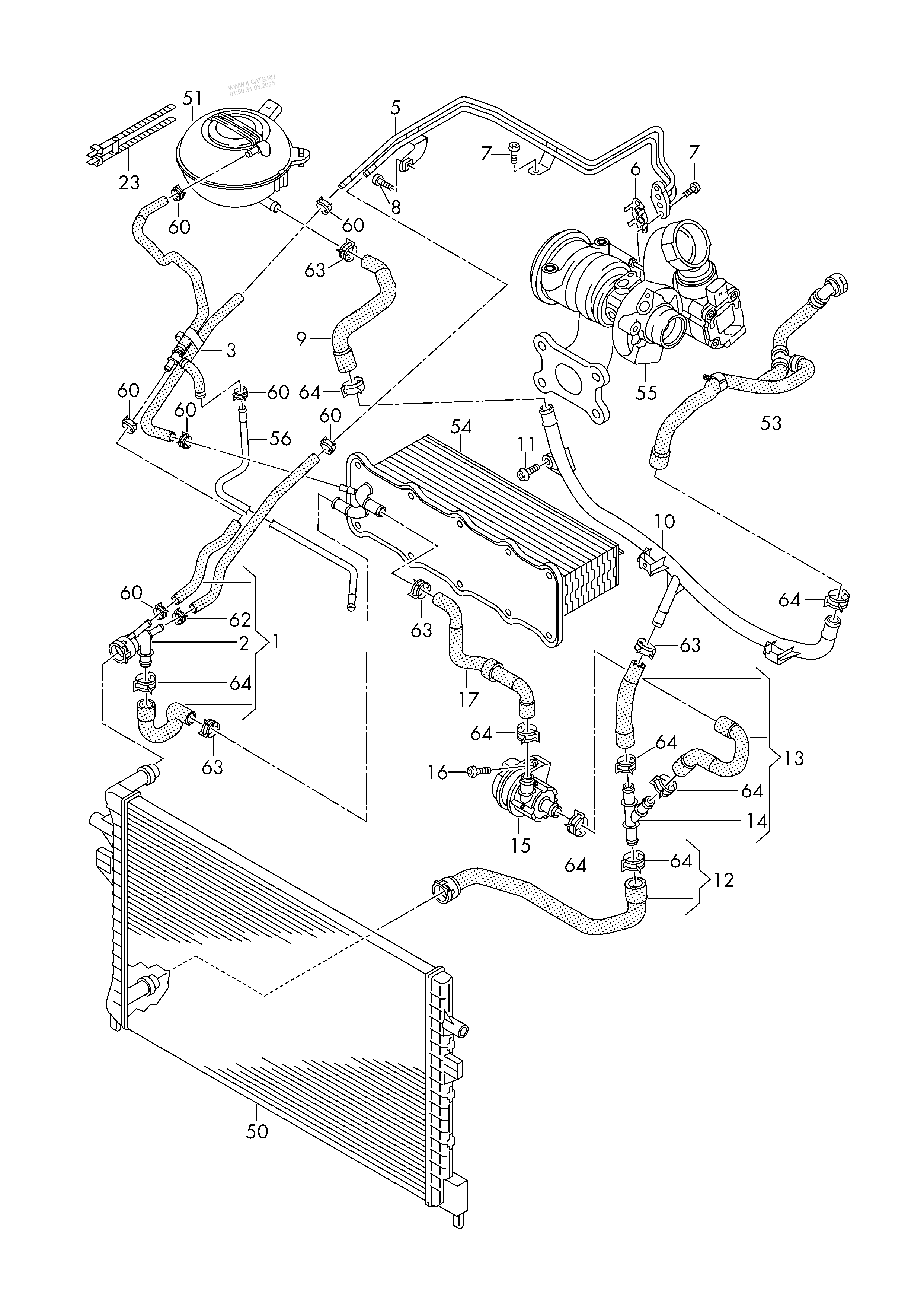
Beetle L4-2.0L (AEG) (2000) > Volkswagen Workshop Manuals > Engine, Cooling and Exhaust > Cooling System > Coolant Line/Hose > Component Information > Diagrams.

Vw beetle cooling system diagram
Fits Beetle, Beetle Convertible, Golf, Jetta, Jetta GLI, Jetta Wagon. Engine Coolant Expansion Tank - Repair or Replace. A failed expansion tank can cause the cooling system in your 2004 Volkswagen Beetle to leak antifreeze, or it can cause your engine to overheat. If you're losing coolant, contact our service department to avoid engine damage. 1C0121422 - Cooling System: Reservoir Cover for Volkswagen: Beetle Image Placeholder. Reservoir Cover · 1C0-121-422. Coupe, 2.0L. Coupe, 1.8L. Coupe, 1.9L, ... Volkswagen New Beetle 2.0 Liter 4-cyl General, Engine (Engine Code AEG) Cooling system components, removing and installing (Page 19-1) Notes: When the engine is warm the cooling system is under pressure.
Vw beetle cooling system diagram. Everything you need to know about the importance of flushing and changing your VW Coolant Antifreeze. Also learn about contaminated VW coolant antifreeze. This information applies a variety of VW models. Applies To: 2004-2005 VW Passat 2.0L TDI BHW (US) 1998-2008 VW Beetle 1.9L TDI ALH BEW (US) 1999-2005 VW Jetta 1.9L TDI ALH BEW (US) Volkswagen Beetle (1998-2010) - Coolant Hose Flanges, Plugs and Seals. The coolant flange like any part of the cooling system can corrode and fail over time. Make sure to inspect them every time you service the cooling system. Coolant Flange - 5 Outlet. Coolant Flange - 5 Outlet. Various VW cooling System components: 1. The cooling fan. fan/alternator assembly. This is a centrifugal fan (sends air from the center outwards - like a centrifuge) located in the fan shroud which is bolted to the front of the generator or alternator (depending on what you have) driven by the engine crankshaft pulley via a V-belt. Cooling Fan Volkswagen New Beetle Glx 2000 System Wiring Diagrams For Cars. I Need A Wiring Diagram For 2005 Vw Beetle 2 0l Sohc Gas Engine The Is Radiator Cooling Fan. 2003 Beetle 2 0 Radiator Cooling Fan Will Not Stop Running. Volkswagen Beetle 2 O 1999 Underhood Fuse Box Block Circuit Breaker Diagram Carfusebox.
Aug 19, 2020 — VW Beetle Forum ... G12 coolant system (ALL HOSES)AWV/AWP 1.8T ... I did a google search for "VW 1.8T Coolant diagram" and it turned up ... Beetle L4-2.0L (AEG) (2000) > Volkswagen Workshop Manuals > Engine, Cooling and Exhaust > Cooling System > Coolant Line/Hose > Component Information > Diagrams > Page 2365 Location. Pineview GA. TDI. Jetta Wagon 2003 RIP Rockford IL. May 25, 2013. #5. Item 6 is the ECT aka Engine Coolant Temperature which drives both the gauge in the car and provides input to the Engine Control module. Assuming you have an ALH engine, the ECT is on the driver's side of the head on the back side. Volkswagen Beetle 1.8L / 1.9L / 2.0L 2000, Dual Radiator and Condenser Fan Assembly by TYC®. The Cooling Fan Assembly is an essential part of a vehicle's cooling system. It must complement the rest of the cooling system by efficiently... OE quality at an affordable price Direct replacement. $105.88.
Description: Parts® | Volkswagen Beetle Air Intake Oem Parts inside 1999 Vw Beetle Engine Diagram, image size 600 X 582 px, and to view image details please click the image.. Here is a picture gallery about 1999 vw beetle engine diagram complete with the description of the image, please find the image you need. Shop Volkswagen Beetle Hose. Flexible hose that is part of the engine cooling system. AND AMPLIFIER LITER, Lower -OEM Volkswagen Part # 1C0122051G (1C0-122-051-G) Cooling System Parts - Check out eVWParts.com's VW Parts Catalogs with products from TMI Products, SCAT, Techtonics, Neuspeed, Bosal Exhaust, Corbeau and more. You get wholesale prices here and we ship worldwide where others won't. You'll find your best value of price, quality parts and service here at eVWParts.com. Flexible hose that is part of the engine cooling system. AND AMPLIFIER; tube ASSEMBLY. ... Diagram RADIATOR & COMPONENTS. for your Volkswagen Beetle.
Volkswagen Work Manuals New Beetle L5 2 5l Bps 2006 Engine Cooling And Exhaust System Radiator Fan Control Module Component Information Diagrams Diagram Instructions Page 4133. Volkswagen Beetle 2001 Main Fuse Box Block Circuit Breaker Diagram Carfusebox. Vw Tech Article 1966 67 Wiring Diagram.
Adding engine coolant (also known as antifreeze) to your 2003 Volkswagen Beetle is pretty easy. Engine coolant circulates through your engine to keep it cool in the summer but won't freeze in the winter. Make sure to check your engine when it is cold for an accurate reading.
Volkswagen Beetle Cooling System Parts. eEuroparts.com® stocks a variety of quality aftermarket, OEM, and genuine Volkswagen Beetle cooling system parts. Our most popular Volkswagen Beetle cooling system parts are displayed below. If you don't see the parts you're looking for, try narrowing you search with the Vehicle Selector above.
2004 Volkswagen Beetle Coolant Overflow Tank. 2004 Volkswagen Beetle Engine Coolant Hose Connector. 2004 Volkswagen Beetle Engine Cooling Fan Module. 2004 Volkswagen Beetle Hose (Lower) 2004 Volkswagen Beetle Hose (Upper) 2004 Volkswagen Beetle Radiator. 2004 Volkswagen Beetle Radiator Cooling Fan Motor Relay.
VW Beetle Cooling Tinware. Great Range of VW Beetle Tinware for all years and models. We've got Air Deflector Plates, Dynamo/Alternator Backing Plates, Lower Tinware Sets, Engine Dress Up Kits, Tinware over Exhaust with Pre-Heat Holes and Cylinder Baffle Plates in our huge range of Top Quality VW Spare Parts. Talk to the leading suppliers of VW ...
This is the summary of the VW heating and engine cooling system. NOTE: the description of the defroster hoses and dash vents apply to Standard Beetles, and 1971-72 Supers. 1973 and later Supers are similar, but hose routing and and air deflection is different.
Electrical wiring diagram of 1971 Volkswagen Beetle and Super Beetle. Accessories For The Beetle And The Beetle Cabriolet. Volkswagen Beetle 1.8 Turbo (APH engine technical manual) Volkswagen Beetle 1954-1979 Automotive Repair Manual. Volkswagen Beetle 1998-2010 Parts Manual PDF.
Volkswagen ; Beetle ; 2012-2017 Beetle ; Engine ; 2.0T TSI ; Maintenance & Repair ; Cooling System; Cooling System. There is no sub category here. 17 items . Page. You're currently reading page 1; Page 2; Page Next; Show per page. Sort By. Set Descending Direction. Coolant Expansion Tank Cap ...
Doghouse Cooling Tin for Twinport for VW Beetle Cabriolet (1971 to 1979) (1 Review) $30.04. 0% finance on orders over £350 *. $41.85. Rear Engine Tin VW Beetle 1961 on VW T2 Split 1961-1967 VW T2 Bay 1967-1971 1300cc, 1500cc and 1600cc.
Thesamba Com Beetle Late Model Super 1968 Up View Topic Engine Cooling And Cabin Heating System Tutorial
Does anyone know the source of a coolant system diagram or schematic? Any ideas on getting suspected trapped air out of the heater core?
Coolant Leak From The Front Of The Engine Not The Thermostat Help Vw Tdi Forum Audi Porsche And Chevy Cruze Diesel Forum
Volkswagen Beetle 2004, Engine Coolant Expansion Tank by Febi®. With Level Sensor. This Febi product is designed to help you restore your engine cooling system to its mint condition, so your motor can run within the proper temperature...
I Need A Wiring Diagram For A 2005 Vw Beetle 2 0l Sohc Gas Engine The Diagram I Need Is For The Radiator Cooling Fan
The VW cooling system is certainly different to the usual water cooled cars, but it's VERY successful, since over 22,000,000 Beetles have been made, plus all the Type2s (Kombi etc) and Type3s (Squareback etc), Things, Kharmann Ghias and so on.
The Air-cooled VW heating system In its stock form the heating system on most air cooled VW's utilizes the engine cooling fan, two heat ... Air Flow Diagram for Type 1 Beetle 1963 through 1975 . 11 Step-by-Step Installation Instructions 1. Remove duct hose on each side.
DTM Cooling Systems. DTM Cooling Systems for Upright VW Type 4 Engine Conversions and VW Type 1 Engines ... "Down The Middle" cooling system, and was designed to allow the installation of the "Type IV" engine into a beetle and all other TI vehicles WITH NO CUTTING OF THE ENGINE BAY. It was titled "DTM" due to its construction of ...
Hose. Coolant. Engine. 2007 Volkswagen Beetle. Genuine Volkswagen Part - 1K0122063G (1K0-122-063-G, 1K0122063D)
Volkswagen New Beetle 2.0 Liter 4-cyl General, Engine (Engine Code AEG) Cooling system components, removing and installing (Page 19-1) Notes: When the engine is warm the cooling system is under pressure.
1C0121422 - Cooling System: Reservoir Cover for Volkswagen: Beetle Image Placeholder. Reservoir Cover · 1C0-121-422. Coupe, 2.0L. Coupe, 1.8L. Coupe, 1.9L, ...
Fits Beetle, Beetle Convertible, Golf, Jetta, Jetta GLI, Jetta Wagon. Engine Coolant Expansion Tank - Repair or Replace. A failed expansion tank can cause the cooling system in your 2004 Volkswagen Beetle to leak antifreeze, or it can cause your engine to overheat. If you're losing coolant, contact our service department to avoid engine damage.
Volkswagen Workshop Manuals New Beetle L5 2 5l Bpr 2007 Engine Cooling And Exhaust Cooling System Engine Coolant Temperature Sensor Switch Coolant Temperature Sensor Switch For Computer Component Information Locations
Vw New Beetle 1998 Thru 2010 Haynes Repair Manual All Gasoline Engines Tdi Diesel Engine 1998 Thru 2004 Freund Ken 9781563929946 Amazon Com Books
1999 Volkswagen Beetle Europe Market Engine Coolant Cooling System And Additional Cooler For Coolant 2 3ltr 5 Cylinder Aqn
0 Response to "40 vw beetle cooling system diagram"
Post a Comment