Iklan 300x250

34 2006 pt cruiser cooling fan wiring diagram

Thank you utterly much for downloading pt cruiser cooling fan wiring diagram.Maybe you have knowledge that, people have look numerous period for their favorite books in Merely said, the pt cruiser cooling fan wiring diagram is universally compatible in the same way as any devices to read.

Pt Cruiser Wiring Diagram from pt cruiser cooling fan wiring diagram , source:magnusrosen.net Best Solutions Pt So, if you want to secure these great images about (Inspirational Pt Cruiser Cooling Fan Wiring Diagram ), click on save icon to download the pictures to your personal computer.

2003 Pt Cruiser Wiring Diagram Security System 2007 Pt Cruiser Wiring Diagram 2006 Pt Cruiser Wiring Diagram. My wife owns a 2006 PT Cruiser and we have discovered that the cooling fan continues to run after shutting off the.

2006 pt cruiser cooling fan wiring diagram

2006 pt cruiser cooling fan wiring diagram

Are you looking for information about Pt Cruiser Cooling Fan Wiring Diagram? In this article, you will find several highest-rated Pt Cruiser Cooling Fan Wiring Diagram pictures we discovered on the internet. We identified it from reliable sources that explain Pt Cruiser Cooling Fan Wiring Diagram.

What i want to do is to wire together: Pt cruiser cooling fan wiring diagram. Trying to find the right automotive wiring diagram for your system can be The best cooling fans on the market can offer just that, thanks to customizable settings and airflow that's powerful enough to reach the entire room.

Read wiring diagrams from unfavorable to positive plus redraw the circuit like a straight range. All circuits are the same : voltage, ground, single component, and switches. Pt Cruiser Cooling Fan Wiring Diagram Source: ww2.justanswer.com.

2006 pt cruiser cooling fan wiring diagram.

Read Or Download Cruiser Cooling Fan Wiring Diagram For FREE Wiring Diagram at CIRUITDIAGRAM.REVERBFESTIVAL.IT. I Need Wiring Diagram For 2003 Pt Cruiser For Fan Motor.

A wiring diagram is a schematic type that uses abstract illustrated symbols to show all of the components of a system. So, with the wiring diagram, you know the relative location of the components and how they are connected. Those language engineers need to learn while working on...

2005 chrysler pt cruiser fuse diagram wiring diagram database2008 saturn astra fuse diagram wiring schematic dat... I need a schematic diagram for the radiator fan on a 24 liter 2006 pt cruiser turbo i dont have a diagram but these have 2 speeds and they are a common problem.

2006 Pt Cruiser Fan Fuse Find Wiring Diagram. Urgent cooling fan not ing on chrysler 300c srt8 forums 2006 dodge charger cooling fan wiring diagram schematic dry format a aliceviola it 07 pt fan relay byp tipm cruiser forum 2006 chrysler pt cruiser fuse box location wiring diagram log clue build...

CHRYSLER PT CRUISER 2006-2010 Electric Radiator Cooling Fan Repair after Banging Noise Three problems related to cooling fan have been reported Page 1/2. Read Free 2006 Chrysler Pt Cruiser Cooling System Diagram. View and Download Chrysler 2006 PT Cruiser specifications online.

Often times a bad bearing in a cooling fan can cause a severe shaking & noise in the engine. It's really a pretty simple repair. If this is your problem...

Read Or Download Pt Cruiser Wiring Diagram Pdf For FREE Diagram Pdf at... Wiring Diagram For The Electric Fan On A 2001 Chrysler Show Picture Of 2006 2 4l Pt Cruiser Wiring Diagram

2003 Pt Cruiser Wiring Harness Problems 2006 Pt Cruiser. 2006 Chrysler Ac Fan Wiring Wiring Schematic Diagram 20. Repair Guides. How To Wire A Cooling Fan Relay. 2002 Pt Cruiser Starter Wiring Diagram Wiring Diagram. 2006 Chrysler Town And Country 3 8 Will Not Start.

Pt Cruiser Wiring Diagram wiring diagram is a simplified tolerable pictorial representation of an electrical circuitIt shows the components of the It will have many fans from all countries readers. And exactly, this is it. You can in reality expose that this record is what we thought at first. without difficulty...

Pt Cruiser Fuel Pump Wiring Diagram Inspirational In 2020 Electric Cooling Fan Cruisers Diagram from www.pinterest.com. Jan 22 I require a wiring diagram and an airconditioner wiring diagram for a PT Cruiser GT. Just need to know which specific part needed diagram for.

2006 Pt Cruiser Cooling Fan Module Location. I Have A P0882 Code On My Wife U0026 39 S 2006 Pt Cruiser Is There. Repair Guides. I Have A 2006 Pt Cruiser The All The Power Windows. 2004 Nissan Frontier Wiring Diagram Diagrams Schematics. Adapting Watesgate Solenoid.

2006 Chrysler Pt Cruiser Cooling System Diagram Full Download Diagram 2002 chrysler pt cruiser cooling fan wiring diagram 2004 pt cruiser cooling fan wiring chrysler pt cruiser 2001 2006 models with a gray head on the ignition key are equipped with a factory immobilizer system 2005 chrysler ...

Chrysler Pt Cruiser Convertible (2005 - 2010) - fuse box diagram ...

Chrysler pt cruiser convertible (2005 - 2010) - fuse box diagram ...

2007 Chrysler Pt Cruiser Owners Manual [PDF, EPUB EBOOK]2007 Chrysler Pt Cruiser Owners Manual Dec 26, 2020 Posted By C. S. Lewis Media TEXT ID There is a lot of books, user manual, or guidebook that related to 2006 Chrysler Pt Cruiser Cooling System Diagram PDF in the link below...

Radiator Fan Relay - 2009 Chrysler PT Cruiser

Radiator fan relay - 2009 chrysler pt cruiser

2006-2008 Chrysler PT Cruiser Wiring Diagram. What complete you get to begin reading [RTF] Pt Cruiser Cooling Fan Wiring Diagram? Searching the photo album that you adore to get into first or find an interesting wedding album that will create you want to read?

2002 Pt Cruiser Cooling System Diagram - Wiring Site Resource

2002 pt cruiser cooling system diagram - wiring site resource

Listed below is the vehicle specific wiring diagram for your car alarm remote starter or keyless entry installation into your 2006 2008 chr...

2- Speed Electric Cooling Fan Wiring Diagram

2- speed electric cooling fan wiring diagram

Print the wiring diagram off and use highlighters to be able to trace the signal. When you employ your finger or even follow the circuit with your All circuits are usually the same - voltage, ground, solitary component, and switches. 2006 Pt Cruiser Cooling Fan Wiring Diagram Source: www.2carpros.com.

Part 2 -Radiator Fan Circuit Wiring Diagram (2001-2006 2.4L DOHC ...

Part 2 -radiator fan circuit wiring diagram (2001-2006 2.4l dohc ...

When presenting [Ebook] 2001 Pt Cruiser Cooling Fan Wiring Diagram as one of the collections of many books here, we say yes that it can be one of the best books listed. It will have many fans from every countries readers. And exactly, this is it. You can in fact spread that this compilation is what we...

Engine Fan: How Do You Wire the Fan to Stay on All the Time.

Engine fan: how do you wire the fan to stay on all the time.

Read Or Download Wiring Diagrams Pt Cruiser For FREE Pt Cruiser at... I Need The Wiring Diagram For A 2004 Pt Cruiser Cruise Wiring Diagram For The Electric Fan On A 2001 Chrysler

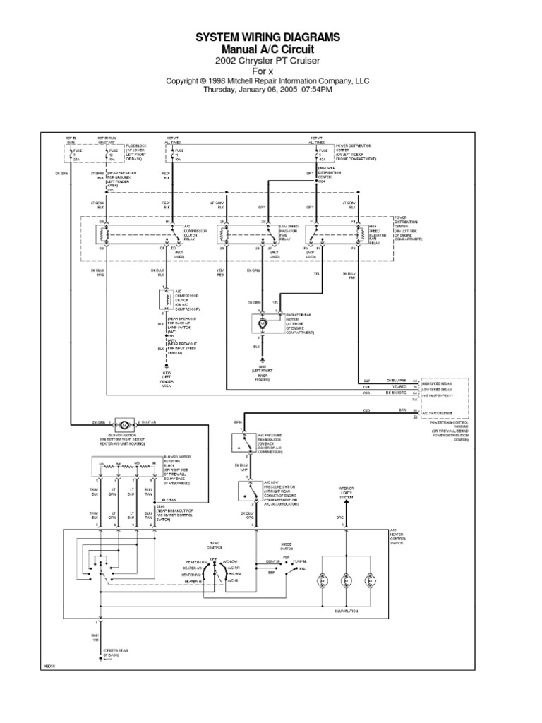
COOLING FAN – Chrysler PT Cruiser GT 2003 – SYSTEM WIRING DIAGRAMS ...

Cooling fan – chrysler pt cruiser gt 2003 – system wiring diagrams ...

The pt cruiser cooling fan is a 2 speed fan. Cooling fan will not engage when ac is turned on. 2000 dodge grand caravan ac diagram wiring van fuse pt cruiser radiator fan wiring diagram image 2005 ac in addition ford show large image 5 4 2016 11 24 45 pm jpg. Here is a wiring diagram below along...

2002 PT Cruiser Touring: Cooling fan..Replaced low speed relay

2002 pt cruiser touring: cooling fan..replaced low speed relay

Pt cruiser wiring diagram Ambient Temperature PDF PDF 2001 Pt Cruiser Radiator Fan Wiring Diagram WIRING DIAGRAMS ertyu org February 630330 chrysler pt cruiser replacement radiator condenser cooling fan motor fan motors amazoncom free delivery possible on eligible purchases...

Chrysler PT Cruiser Questions - Over Heating - CarGurus

Chrysler pt cruiser questions - over heating - cargurus

All wiring diagrams for chrysler pt an airconditioner diagram 2002 cruiser pdf touring 2006 i have a 2005 and 2003 manual part 534 2004 cruise control 2007 Pt Cruiser ac cooling fan not turning on Allpar Forums. Coolant system issue 2006 PT cruiser Page 5 Allpar Forums. I have a 02 pt cruiser...

All Wiring Diagrams for Chrysler PT Cruiser 2005 – Wiring diagrams ...

All wiring diagrams for chrysler pt cruiser 2005 – wiring diagrams ...

For fan circuit wiring diagrams refer to wiring diagrams. Underhood fuses pt cruiser power distribution center. Chrysler pt cruiser radio circuit and wiring schematic throughout 2006 pt cruiser engine diagram image size 495 x 604 px and to view image details please click the image.

2005 Chrysler PT Cruiser Wiring Diagram Manual Original

2005 chrysler pt cruiser wiring diagram manual original

addition relay wiring diagram furthermore pt cruiser cooling fan belt diagram http wwwjustanswercom dodge 5amqdneedbeltdiagram. 2001 pt cruiser radiator fan wiring diagram wormwitch tk 2 speed electric cooling fan wiring diagram 2006 chrysler pacifica harness diagrams...

07 PT Fan Relay bypass (TIPM?) - PT Cruiser Forum

07 pt fan relay bypass (tipm?) - pt cruiser forum

diagram cooling fan on 2001 pt cruiser readingrat net, chrysler pt cruiser radio circuit wiring diagram 58602, chrysler ptcruiser car alarm wiring information, 2006 chrysler pt cruiser headlight wiring diagram auto, repair guides totally integrated power module 2007, pt cruiser pcm wiring...

Chrysler PT Cruiser Diaggramy El | PDF | Chrysler | Cars Of The ...

Chrysler pt cruiser diaggramy el | pdf | chrysler | cars of the ...

Chevrolet Impala Questions - Location of cooling fan relay - CarGurus

Chevrolet impala questions - location of cooling fan relay - cargurus

Radiator and Related Parts for 2006 Chrysler PT Cruiser | Thomas ...

Radiator and related parts for 2006 chrysler pt cruiser | thomas ...

How to test pt cruiser cooling fan? (with pictures, videos) Answermeup

How to test pt cruiser cooling fan? (with pictures, videos) answermeup

07 PT Fan Relay bypass (TIPM?) - PT Cruiser Forum

07 pt fan relay bypass (tipm?) - pt cruiser forum

Cooling Fan Wiring Diagram in 2021 | Chrysler pt cruiser, Electric ...

Cooling fan wiring diagram in 2021 | chrysler pt cruiser, electric ...

2002 Pt Cruiser Cooling System Diagram - Wiring Site Resource

2002 pt cruiser cooling system diagram - wiring site resource

SOLVED: I need a wiring diagram for the radiator fan on my - Fixya

Solved: i need a wiring diagram for the radiator fan on my - fixya

Chrysler Cooling Fan Relay

Chrysler cooling fan relay

07 pt cruiser..no fuel - Maintenance/Repairs - Car Talk Community

07 pt cruiser..no fuel - maintenance/repairs - car talk community

2006 Pt Cruiser Cooling Fan Wiring Diagram - DITDOTTUDIT

2006 pt cruiser cooling fan wiring diagram - ditdottudit

I need wiring diagram for 2003 pt cruiser for fan motor. the fan ...

I need wiring diagram for 2003 pt cruiser for fan motor. the fan ...

I require a wiring diagram and an airconditioner wiring diagram ...

I require a wiring diagram and an airconditioner wiring diagram ...

I have a 2002 pt cruiser. The radiator fan will not come on until ...

I have a 2002 pt cruiser. the radiator fan will not come on until ...

Pin on ceiling fan wiring diagram

Pin on ceiling fan wiring diagram

Radiator Cooling Fan Motor with 4 Pin Connector Assembly Replacement for  06-10 Chrysler PT Cruiser 5179470AA

Radiator cooling fan motor with 4 pin connector assembly replacement for 06-10 chrysler pt cruiser 5179470aa

SOLVED: Need to install remote starter and need wiring - Fixya

Solved: need to install remote starter and need wiring - fixya

2008 PT Cruiser P0480 error code | Allpar Forums

2008 pt cruiser p0480 error code | allpar forums

COOLING FAN – Chrysler PT Cruiser Touring 2006 – SYSTEM WIRING ...

Cooling fan – chrysler pt cruiser touring 2006 – system wiring ...

Cooling Fan Relay?: Can Anybody Tell Me Where I Can Locate the ...

Cooling fan relay?: can anybody tell me where i can locate the ...

Radiator Cooling Fan: Cooling Fan for Radiator Does Not Come On. ...

Radiator cooling fan: cooling fan for radiator does not come on. ...

0 Response to "34 2006 pt cruiser cooling fan wiring diagram"

Post a Comment

Iklan Atas Artikel

Iklan Tengah Artikel 1

Iklan Tengah Artikel 2

Iklan Bawah Artikel