38 2004 honda civic wiring diagram
Электросхемы на следующие модели: Honda Accord DX 1990 Honda Accord EX 1990 Honda Accord LX 1990 Honda Civic 1990 Honda Civic CRX 1990 Honda Civic CRX HF 1990 Honda Civic CRX Si 1990 Honda Civic DX 1990 Honda Civic EX 1990 Honda Civic LX 1990 Honda Civic Si... 2004 Honda Civic Wiring Diagram Malochicolove Com. Diagnose Your Car S Electronic Instrument Panel. 2004 Honda Civic Electrical Diagram Wiring Diagram. Repair Guides. Gauge Cluster Pinout Jeepforum Com. 94 97 98 01 Integra Cluster Into 92 95 96 00 Civic Wiring.
Some HONDA Civic Wiring Diagrams are above the page. HONDA Civic is available in two body versions: 2-door Coupe and 4-door Sedan. The 4-cylinder in-line gasoline engine is mounted transversely in front of the car and is equipped with an electronic fuel injection system.

2004 honda civic wiring diagram
Diagram 95 Honda Civic Wiring Diagrams Full Version Hd. 2009 Honda Civic Hybrid 1 3l Mfi Hev Sohc 4cyl. For continuation in any prolonged 2004 Honda Civic Ex Wiring Diagram circuit, usually use exactly the same dimensions of cable. Vehicle Wiring Details for your 2004-2005 Honda Civic Wiring Diagram. Listed below is the vehicle specific wiring diagram for your car alarm, remote starter or keyless entry installation into your 2004-2005 Honda Civic . 1991 Honda Civic Electrical Wiring Diagram And Schematics. 16 Best 95 Civic Starter Wiring Diagram Photos. 2004 Honda Civic Stereo Wiring Diagram - Database.
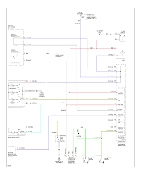
2004 honda civic wiring diagram. Immobilizer Wiring Diagram, Hybrid for Honda Civic Hybrid 2004. Body control modules. Body Control Modules Wiring Diagram, Hybrid for Honda Civic Hybrid 2004. Computer data lines. 2005 Honda Civic Wiring Diagram inside 2005 Honda Civic Wiring Diagram image size 600 X 242 px and to view image details please click the image. 2007 Gmc Sierra 2500hd Classic Radio Wiring Diagram. When you employ your finger or perhaps the actual circuit with your eyes its easy to... 2004 Honda Civic Si Coupe Owner's Manual.pdf. Honda Wiring Diagrams. Title. File Size. Download Link. Honda Odyssey 97 Wiring.zip. 729.5kb. Civic wiring diagram pdf electrical schematic ndash. 2004 honda civic instrument cluster wiring diagram. I need color wiring diagram pinout for 2004 to 2005 civic cluster answered by a verified mechanic for honda we use cookies to give you the best possible experience on our website.
Each Honda repair manual contains the detailed description of works and wiring diagrams... Honda Civic repair manuals & wiring diagrams. 2004-2015 Honda Elysion wiring diagrams. 24f73 Wiring Diagram For Honda Civic 2004 Digital Resources. 2002 Honda Civic Lx Wiring Diagram Wiring Diagram Meta. Ground Switched Headlight Circuit All About Circuits. 2004 Honda Cr V Headlight Wiring Simple Guide About Wiring. ... I need the wiring diagram for a 2004 Honda Radio ... Find the answer to this and other Honda questions on JustAnswer ... Changing the plugs on an 05 honda civic ... 2004 Civic Wiring Diagram - cogicase.hopto.me. Can anybody hook me up with a wiring diagram with wire colors for a 2004 honda civic vp. I need to know the colors of the rear left and right speakers. Thanks
This video demonstrates the Honda Civic Wiring Diagrams and details of the wiring harness. Diagrams for the following systems are included : Radio Wiring... 07 Honda Civic Fuse Diagram Box Enticing Reference Graphic Present. 99 Civic Wiring Diagram Radio Ignition Ecu Excellent Gallery. 1991 Honda Civic Electrical Wiring Diagram and Crx Dx W/ B Radiator Fan Relay Wiring Help! **pics - 10+ 1991 Honda Civic Electrical Wiring Diagram... 734 Honda Civic Workshop, Owners, Service and Repair Manuals. Updated - August 21. We have 734 Honda Civic manuals covering a total of 46 years of These Civic manuals have been provided by our users, so we can't guarantee completeness. We've checked the years that the manuals cover and... Repairing electrical wiring, a lot more than any other household project is about protection. Install an outlet correctly and it's as safe as that can be; do the installation improperly and it can potentially deadly. That's why there are numerous guidelines surrounding electrical cabling and installations.
Some HONDA Car Manuals PDF & Wiring Diagrams above the page - Civic, CR-V, Fit, Ridgeline, S2000, Accord, Odyssey, Element, Pilot ; Honda Car EWD s. I would like to see wiring diagram of the charging system and instrument gauges from a 2004 Nissan pulsar n-16 if you are able please.
Posted in Car Electrical Diagram. Honda Civic Wiring Diagram. delfi Leave a comment.
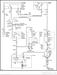
HONDA CIVIC 1988-2004 VEHICLE WIRING Copyright 2002-2004 Triple S Customs WIRING INFORMATION 1988 HONDA CIVIC WIRE 12V CONSTANT WIRE 12v Ignition WIRE STARTER WIRE SECOND ACCESSORY WIRE PARKING LIGHTS (+) DOOR TRIGGER / DOMELIGHT...
This video demonstrates the honda civic wiring diagrams and details of the wiring harness. Obd1 alternator wiring diagram new 1997 honda civic ignition switch. Diagram 2018 Honda Civic Wiring Diagram Full Version Hd. Honda car manuals pdf wiring diagrams above the page.
i need the entire wiring diagram (stereo, power locks and windows, etc...) for the 2001 Honda Civic Coupe Si (cdn) EX (US) model. There used to be a really good one on this site called the Wiring Database or something.
repair guides wiring diagrams wiring diagrams autozone com. If you want to find the other picture or article about 97 Honda Civic Wiring Diagram Repair Guides Wiring Diagrams Wiring Diagrams Autozone Com just push the gallery or if you are 2004 Dodge Dakota Radio Wiring Diagram.
Automobile Honda 2007 Civic Coupe Owner's Manual. Online reference owner's manual (310 pages). Automobile Honda Civic 2018 Manual. Personalized settings worksheet. sedan/coupe. (2 pages). Honda Civic Sedan 2004. Table of Contents.
Cb 360 Wiring Diagram | Wiring Diagram - Honda Civic Wiring Harness Diagram. Wiring Diagram includes both illustrations and step-by-step directions that might allow you to really develop your project. This is beneficial for both the folks and for specialists who are searching to find out more regarding...
1991 Honda Civic Electrical Wiring Diagram And Schematics. 16 Best 95 Civic Starter Wiring Diagram Photos. 2004 Honda Civic Stereo Wiring Diagram - Database.
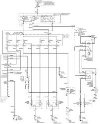
Vehicle Wiring Details for your 2004-2005 Honda Civic Wiring Diagram. Listed below is the vehicle specific wiring diagram for your car alarm, remote starter or keyless entry installation into your 2004-2005 Honda Civic .
Diagram 95 Honda Civic Wiring Diagrams Full Version Hd. 2009 Honda Civic Hybrid 1 3l Mfi Hev Sohc 4cyl. For continuation in any prolonged 2004 Honda Civic Ex Wiring Diagram circuit, usually use exactly the same dimensions of cable.
0 Response to "38 2004 honda civic wiring diagram"
Post a Comment