38 gas furnace parts diagram
If our list of models doesn't contain your Amana Furnace model number, call our Customer Service team at 1-800-269-2609 or start a Live Chat for help. Lastly, make sure to check our Repair Help section which gives free troubleshooting advice and step-by-step video instructions for replacing a variety of Amana Furnace parts. Ruud Furnace parts that fit, straight from the manufacturer. Use our interactive diagrams, accessories, and expert repair help to fix your Ruud Furnace . 877-346-4814. Departments ... 80LJ05EAR01 Ruud Gas Furnaces Parts 80LJ05NAR01 Ruud Gas Furnaces Parts
Call 1-800-479-2754 We ship anywhere in the USA. Coleman Electric Parts. Nordyne Electric. Nordyne Gas. This integrated control board replaces the following Coleman part numbers: 03101932001 / 03101910000 / 03101932000 / 7990-320P. This Control board has been used in the following Coleman Gas furnaces: DGAA056BDTA.

Gas furnace parts diagram
6 thoughts on " Gas Furnace Components and Parts Explained " Beth July 7, 2020. I have a 12-year-old Byrant Model 163A/165A furnace. My HVAC company tells me I need a new heat exchanger (corroding) and a new blower fan because the blades are starting to crack. To repair they quoted me $600.00 and to buy a new one $3,000 to $4300.00. Learn more about the parts of furnace system using these hands-on furnace diagrams in best quality! In these 101 Diagramss, the parts of some types of furnace system are explained in pictures. The first one posted below is the air furnace diagram. Furnace parts and functions or furnace component identification. For anyone who needs to know the name of a furnace part, in this video I go over what every ...
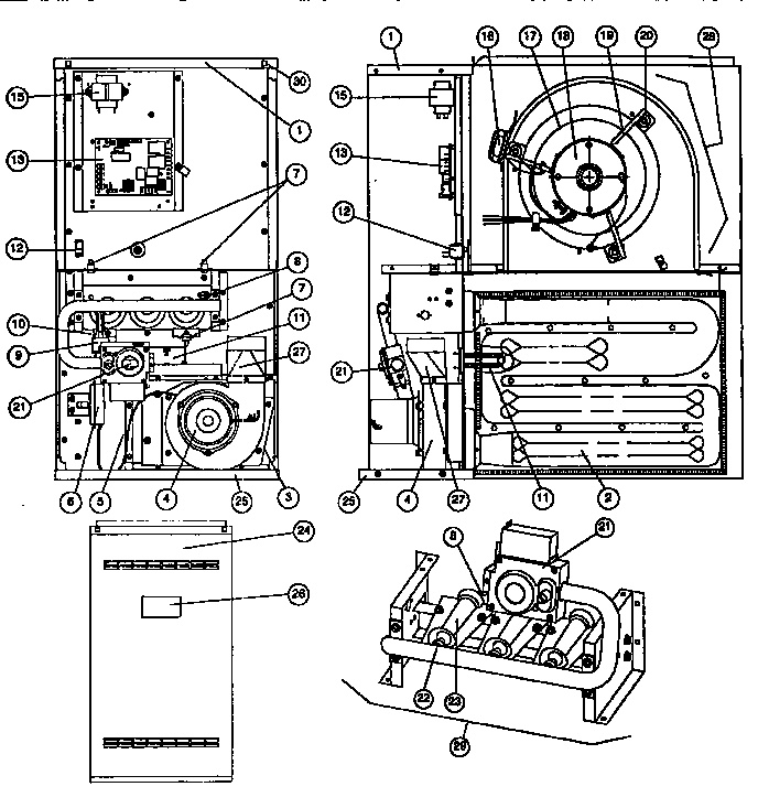
Gas furnace parts diagram. PARTS MANUAL. Gas Furnace: F9MXE, G9MXE. 440 03 4311 00. 3. PARTS DIAGRAM. 9MAC-1. NOTE: This illustration is for reference only. Your unit may. A gas furnace can be broken down into 12 main parts. The following are the basic components that makeup nearly every type of gas furnace, regardless of the model or manufacturer. Heat Exchanger. The heat exchanger is the core of your gas furnace. Through an exchange process, the component generates heat - as the name suggests. PARTS MANUAL Gas Furnace: N9MSE 440 03 4401 00 7 PARTS DIAGRAM NOTE: This illustration is for reference only. Your unit may differ in appearance or may not include all components shown. 9MAC−5 1 & 2 STAGE PRESSURE SWITCH 25 26 9 N L 32 26 LL 27 29 28 Spare Parts Diagram Spare Parts Diagram Download; Download (PDF 1.3 MB) Download (PDF 3.3 MB) Download (PDF 4.3 MB) Download (PDF 2.1 MB) Download (PDF 2.5 MB) ... BGS80 80% AFUE Gas Furnace BGH96 96% AFUE Gas Furnace Type; Parts Diagram Parts Diagram Download; Download (PDF 0.7 MB) Download (PDF 1.7 MB) Climate 5000 Series
PARTS MANUAL Gas Furnace: F8MVL, G8MVL 441 03 2101 00 3 PARTS DIAGRAM NOTE: This illustration is for reference only. Your unit may differ in appearance or may not include all components shown. M 9 LL L N K EE 8 7 HH J B C 19 FF 5 VV 3 G 20 DD 21 D 18 Z X CC BB AA 1 2 A 17 27 28 26 E 31 KK 13 30 No one likes being stuck without heat or air conditioning. Our friendly customer service staff can assist you and make sure you are getting the Goodman parts that are compatible for your unit. All of our parts are brand new factory OEM replacement parts. At GoodmanParts.com, we will get you back in a comfortable climate. Call Us: 1-800-359-1334. A wiring diagram for the burner will be inside exceed 3500 parts per million in a scotch marine boiler. If boiler blowdown is not controlled, Find potential air or flue gas leaks in the furnace of out of service boilers operated with positive furnace. Manual at Marks Electronic ignition wiring diagram gas furnace, ultra sx 80 furnace parts ... Rheem Manufacturing ranks as the global leader in the manufacture of high-quality, sustainable, and innovative water heaters, tankless water heaters, air conditioners, furnaces, pool heaters, and HVAC systems for residential and commercial applications, and is a full member of AHRI, the Air-Conditioning, Heating, & Refrigeration Institute.
Lennox, Armstrong, Concord, and Ducane Replacement Parts Welcome to our OEM Lennox parts online. This site we have created is here to help you find Lennox parts for any Lennox furnace. If you don't find what you are looking for on our site, please call and a our trained personal will locate the part you […] Parts Breakdown. AHEFC20A-1 20KW ELECTRIC HEAT UNIT. Parts Breakdown. AHEFC25A-1 25KW ELECTRIC HEAT UNIT. Parts Breakdown. CG90UB075D16C 90% NAT GAS FURNACE. Parts Breakdown. Specification Sheet. CG90UB100D20C 90% NAT GAS FURNACE. Reset any tripped circuit breakers to restore power to the furnace. Check the thermostat setting and adjust the settings if needed. Many York furnaces has a cut-off switch that looks like a light switch installed beside the furnace. Make sure the cut-off switch is turned on. If these tips don't help, you'll likely need to have the furnace serviced. Furnace Parts All Furnace Parts Blower Motors Gaskets Burners Electric Heat Kits Flame Sensor Flue Parts Gas Valves Heat Exchangers ... Gas Valves Heat Exchangers Ignitors Induce Draft Blowers ...
Furnace Switches Gas Furnace Ignitors Gas Valves Goodman Furnace Parts Janitrol Furnace Parts Payne Furnace Parts Pilot and Hot Surface Ignition Controls Rheem Furnace Parts Rollout Switchs Ruud Furnace Parts Sequencers Thermocouples, Pilot Generators, Flame Sensors, Pilots Thermostats Transformers - General Purpose Wall Thermostats Williams ...
This illustrated guide diagrams the various parts of a gas furnace and explains how they all work together. A gas forced-air heating system goes into action when the thermostat tells it that the room temperature has dropped below a preset comfort level. The thermostat sends a low-voltage electrical signal to a relay in the furnace, which ...
Free Carrier Furnace, Heat Pump, Air Conditioner Installation & Service Manuals, Wiring Diagrams, Parts Lists. Below we provide Carrier HVAC contact information and direct links to free downloadable installation, service, wiring diagrams, and users manuals, focusing on hard-to-find manuals for older models or discontinued equipment.
Furnaces that work on gas typically have some common gas furnace parts: a gas manifold, gas burners, heat exchanger, vents, ignition controls, safety controls, and blower motor.The appliance itself resembles a large box that absorbs cold air and cleans it by means of an air filter.
Furnace Duct Booster Fans 6", 7" and 8" duct booster fans and accessories. Furnace Vibration Absorbers (Small rubber squares to put under noisy equipment) York Part number S1-37320717001 replaces 024-27641-000, 02427641000. Found in York G9T upflow furnaces. Voltage: 115 Amps: .7 RPM: 3450 Fasco # 7062-5766.
Armstrong heating equipment, heat pumps, air handler manuals, parts lists, wiring diagrams for HVAC equipment: air conditioners, boilers, furnaces, heaters, etc. Here we provide free downloadable copies of installation and service manuals for heating, heat pump, and air conditioning equipment, or contact information for the manufacturers who ...
Genuine OEM ICP, Tempstar, and Heil Parts Lookup. Welcome to ICPTempstarParts.com. This site is run by Technical Hot and Cold and is a resource for finding service parts for ICP, Tempstar, Heil, Day & Night, Arcoaire, Comfortmaker and KeepRite HVAC units. Below you can search for parts by model number, or browse through our selection of ICP parts.
PARTS MANUAL. Gas Furnace: F9MVT, G9MVT. 440 03 4221 00. 3. PARTS DIAGRAM. 9MAC-1. NOTE: This illustration is for reference only. Your unit may.11 pages
www.supercoolsliderule.com -- This video tutorial identifies what the different components of a gas furnace are. Knowing the different parts of a gas furnace...
PARTS MANUAL Gas Furnace: F9MXT, G9MXT 440 03 4321 00 3 PARTS DIAGRAM 9MAC−1 NOTE: This illustration is for reference only. Your unit may differ in appearance or may not include all components shown. 8 7 J B C 5 VV 3 G E 31 KK 13 30 X 23 MM M ZZ Z PP D A
Coleman Wire Diagram / Parts manual/ Helpful user guide DGAA, DGAH, DGPH #0.01Download - Manual for manufactured/mobile home repair & upgrade #5100dl Sale price $ 29.94 Regular price $ 35.93 Sale
KIT09660. KIT15815 Trane XV80 (2) stage-variable speed Gas Furnace Control KIT15815. Replaces CNT0378, CNT05120. KIT15943 Trane XL80 80% Gas Furnace Fan Control (As used in Model TUD 2 stage heat non variable speed) MOT02619 Trane 1/2 HP Furnace Motor Come see the list of (54) G.E. and Trane furnace models it is used in.
furnace assembly replacement parts 350 / 500 / 650 modles - fireplace front 72 floor furnace 74 furnace assembly replacement parts 450 / 600 modles 74 ... 6 williams exploded views and replacement parts list ac2030t top vent gas wall heater motorized rear outlet replacement parts ref. no. replacement part description ac2030tn ac2030tp kit 6920
Furnace parts and functions or furnace component identification. For anyone who needs to know the name of a furnace part, in this video I go over what every ...
Learn more about the parts of furnace system using these hands-on furnace diagrams in best quality! In these 101 Diagramss, the parts of some types of furnace system are explained in pictures. The first one posted below is the air furnace diagram.
6 thoughts on " Gas Furnace Components and Parts Explained " Beth July 7, 2020. I have a 12-year-old Byrant Model 163A/165A furnace. My HVAC company tells me I need a new heat exchanger (corroding) and a new blower fan because the blades are starting to crack. To repair they quoted me $600.00 and to buy a new one $3,000 to $4300.00.
0 Response to "38 gas furnace parts diagram"
Post a Comment