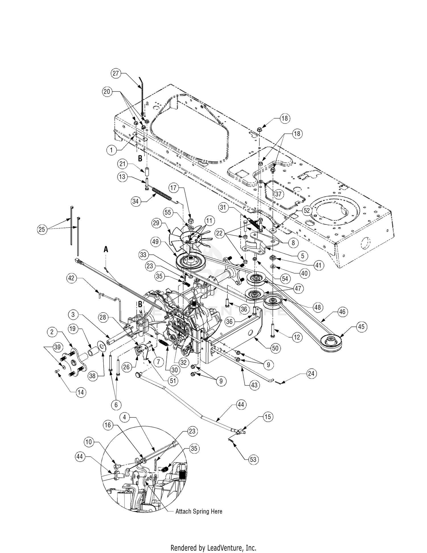
39 cub cadet lt1045 mower deck diagram
Description: Pizzahutblog: Cub Cadet Ltx 1045 Parts regarding Cub Cadet Lt1045 Parts Diagram, image size 400 X 300 px, and to view image details please click the image.. Truly, we have been realized that cub cadet lt1045 parts diagram is being one of the most popular issue at this time. So that we attempted to find some good cub cadet lt1045 parts diagram picture for your needs. Nov 28, 2021 · Cub Cadet LT1045 lawn tractor attachments include Snowblower, 46″ mid-mount mower deck, and Blade. Now, let's find out the Cub Cadet LT1045 Lawn Tractor Price, Parts Specs, Reviews, Serial. Cub Cadet 1018 Belt Diagram. Cub Cadet LT Diagrams and Manuals. Shop for Cub Cadet LT Parts. Factory Direct from Cub Cadet.
Buy Genuine OEM Cub Cadet parts for your Cub Cadet LT1045 Tractor (2007 & before) 13AX11CH709 13AX11CH710 13AX11CH712 13AX11CH756 13BP11CH709 13BP11CH710 13BP11CH756 13RX11CH756 and ship today! Huge in-stock inventory of OEM Cub Cadet parts.

Cub cadet lt1045 mower deck diagram
Mower Deck 46-Inch diagram and repair parts lookup for Cub Cadet LT 1045 (13RX11CH056) - Cub Cadet 46" Lawn Tractor (2008 & After) Order Status Customer Support 512-288-4355 My Account Login to your PartsTree.com to view your saved list of equipment. cub cadet mowing deck. Go to wiringall.com Click on the Cub Cadet logo then enter your model number. All the diagrams.Jan 02, · Cub Cadet deck belt diagram for LT - Cub Cadet Garden. Posted by Pamela Evans on May 09, I was going to replace my deck belt on my cub cadet ags mower and i cant remember how it goes back on,do you have a diagram i ... Mower Deck 46 inch 618-0660 spindle SN 1A257H & before diagram and repair parts lookup for Cub Cadet LT 1045 (13BP11CH756) - Cub Cadet 46" Lawn Tractor (2007 & Before)
Cub cadet lt1045 mower deck diagram. Cub Cadet Parts Diagrams, Cub Cadet LT1040 Tractor 13AX10CG709 13AX10CG710 13BX10CG710 .Quick Reference Attachment; Command Engine - Air Intake & Exhaust ... Mower Deck 42 inch 1C097H & after. Mower Deck 42 inch 1C097H & before PTO System. Seat. Steering. Transmission. Wheels. Let us help you ... Aug 15, 2018 · Cub Cadet Lt1045 Mower Deck Diagram. cub cadet mowing deck. Go to schematron.org Click on the Cub Cadet logo then enter your model number. All the diagrams. My 60 hours old LT constantly throws the deck belt. My local supplier doesn't even show this new part in his parts diagrams. Nov 14, 2018 · Go To Cub Cadet Parts Diagrams really powerful model that combines a solid engine with a heavy overall weight and a large mower deck. Cub Cadet LTX LTX 46" Mower Deck Parts Rebuild Kit Spindle Spindle Assembly Replaces Cub Cadet MTD A, Jan 02, · SOURCE: cub cadet model LT belt coming off the pulley. Cub Cadet Mower Deck Assemblies parts with OEM Cub Cadet parts diagrams to find Cub Cadet Mower Deck Assemblies repair parts quickly and easily Order Status Customer Support 512-288-4355 My Account Login to your PartsTree.com to view your saved list of equipment.
Cub Cadet LT1042, LT1046, LT1042, LT1045, LT1050 Hydrostatic Transmission, Changing the Deck Belt . Hydrostatic Transmission, Changing the Deck Belt, WARNING ... Mower Deck 46 inch 618-0660 spindle SN 1A257H & before diagram and repair parts lookup for Cub Cadet LT 1045 (13BP11CH756) - Cub Cadet 46" Lawn Tractor (2007 & Before) cub cadet mowing deck. Go to wiringall.com Click on the Cub Cadet logo then enter your model number. All the diagrams.Jan 02, · Cub Cadet deck belt diagram for LT - Cub Cadet Garden. Posted by Pamela Evans on May 09, I was going to replace my deck belt on my cub cadet ags mower and i cant remember how it goes back on,do you have a diagram i ... Mower Deck 46-Inch diagram and repair parts lookup for Cub Cadet LT 1045 (13RX11CH056) - Cub Cadet 46" Lawn Tractor (2008 & After) Order Status Customer Support 512-288-4355 My Account Login to your PartsTree.com to view your saved list of equipment.
0 Response to "39 cub cadet lt1045 mower deck diagram"
Post a Comment