Iklan 300x250

40 raspberry pi zero w diagram

30/10/2019 · Below is a diagram of the Pinout: Flick Zero – 3D Tracking & Gesture pHAT for Raspberry Pi Zero ($25.50) ... These are just some Raspberry Pi Zero and Zero W projects for you to get your brain juices flowing! Even though the Raspberry Pi Zero capabilities are not the best, there are still many things you can do with it! Summary. There you go! That is all for our …

15/09/2021 · In this tutorial, we are going to interface a 3.5-inch TFT display with Raspberry Pi Zero W development board. Although Raspberry pi zero itself has an HDMI output that can be directly connected to a Monitor, but in projects where space is a constrain, we need smaller displays. This TFT touch screen display can be easily interfaced to the Raspberry Pi to display …

The GPIO header on your Raspberry Pi has a total of 40 GPIO pins. On the Raspberry Pi Zero W, pins 1 and 17 supply 3.3 volts; pins 2 and 4 ...13 Sept 2021 · Uploaded by Circuit Digest

Raspberry pi zero w diagram

Raspberry pi zero w diagram

06/06/2020 · The Raspberry Pi 3 Model B, B+, Pi Zero W contain two UART and Pi 4 four UART controllers which can be used for serial communication (more information here), the mini UART and PL011 UART. By default, the mini UART is mapped to the TXD (pin 8 / GPIO 14) and RXD (pin 10 / GPIO 15) on the 40 pin GPIO header and the PL011 UART is used for the …

Here's a snazzy accessory for your Raspberry Pi Zero or Zero W, a color-coded 2x20 header! This Color Coded Header takes the mystery out of your Raspberry Pi's 2x20 pinout. No longer will you stare in confusion at all 40 pins, trying to count out which one you want to plug your wires into. Peep this handy color coding: Red = 5VYellow = 3VBlack = GNDBlue... Add to Cart $ …

Raspberry Pi Zero W USB-A Addon Board V1.1 No Data Line Required Plug in Then Play Provide A Full Sized, USB Type-A Connector with Protective Acrylic Case for Raspberry Pi Zero or Zero W . 4.4 out of 5 stars 86. 1 offer from $10.99. Next page. What other items do customers buy after viewing this item? Page 1 of 1 Start over Page 1 of 1 . Previous page. Raspberry Pi

Raspberry pi zero w diagram.

A powerful feature of the Raspberry Pi is the row of GPIO (general-purpose input/output) pins along the top edge of the board. A 40-pin GPIO header is found on all current Raspberry Pi boards (unpopulated on Pi Zero and Pi Zero W). Prior to the Pi 1 Model B+ (2014), boards comprised a shorter 26-pin header.

5 Mar 2019 — The Raspberry Pi Zero W board contains a single 40-pin expansion header labeled as 'J8' providing access to 28 GPIO pins.

Schematics and Mechanical Drawings. Edit this on GitHub. Schematics for the various Raspberry Pi board versions: ... Raspberry Pi Zero 2 W. Schematics.

14/11/2021 · The Raspberry Pi Zero’s small size isn’t the only thing that makes it an awesome single board computer. Thanks to its ability to be recognized as a USB/Ethernet gadget, you can connect to your Pi from another computer via USB. Power is provided over USB, and your computer’s internet connection is shared over USB too.

Raspberry Pi Zero. A Raspberry Pi Zero with smaller size and reduced input/output (I/O) and general-purpose input/output (GPIO) capabilities was released in November 2015 for US$5. On 28 February 2017, the Raspberry Pi Zero W was launched, a version of the Zero with Wi-Fi and Bluetooth capabilities, for US$10.

The Raspberry Pi Zero W (Wireless) is the smallest form factor Raspberry Pi on the market and now incorporates WiFi and Bluetooth connectivity on board. It is 40% faster than the original Raspberry Pi but measures only 65mm long by 30mm wide and 5mm deep. The Raspberry Pi Zero W supports mini connectors to save on space and the 40 pin GPIO is unpopulated …

The Raspberry Pi GPIO pinout guide. This GPIO Pinout is an interactive reference to the Raspberry Pi GPIO pins, and a guide to the Raspberry Pi's GPIO interfaces. Pinout also includes dozens of pinouts for Raspberry Pi add-on boards, HATs and pHATs. Support Pinout.xyz. If you love Pinout, please help me fund new features and improvements:

Raspberry pi or RPI Zero 2W is the second generation Zero board released by the RPI foundation. It has a 64 bit Quad-core CPU with four A53 ...17 Nov 2021‎RPI Zero 2W Specs · ‎RPI Zero 2W board layout · ‎Raspberry PI Zero 2W Power...

Raspberry Pi Zero v1.3. Raspberry Pi Zero W v1.1 ... Camera Connector (not on Zero 1.1 or 1.2) - 22pin, 0.5mm. Board Dimensions - 65mm x 30mm x 0.2mm.

Pin on Raspberry Pi

Pin on raspberry pi

Getting Started with the Raspberry Pi Zero Wireless - learn ...

Getting started with the raspberry pi zero wireless - learn ...

Official Raspberry Pi Zero W Overview and Case - Hackster.io

Official raspberry pi zero w overview and case - hackster.io

What is Raspberry Pi Zero? Pinout, Specs, Projects & Datasheet ...

What is raspberry pi zero? pinout, specs, projects & datasheet ...

Meretas dengan Raspberry Pi Zero W.

Meretas dengan raspberry pi zero w.

File:Raspberry Pi Zero - Location of connectors and ICs.svg ...

File:raspberry pi zero - location of connectors and ics.svg ...

Getting Started with the Raspberry Pi Zero Wireless - learn ...

Getting started with the raspberry pi zero wireless - learn ...

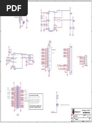
Raspberry Pi Zero W - Schematics and Circuit

Raspberry pi zero w - schematics and circuit

Pi Zero W Web Server – UnBrick.ID

Pi zero w web server – unbrick.id

Introducing the Raspberry Pi Zero W - Raspberry Pi Spy

Introducing the raspberry pi zero w - raspberry pi spy

Raspberry Pi Zero W module (Source: Raspberry Pi Foundation ...

Raspberry pi zero w module (source: raspberry pi foundation ...

What

What "wiring" pin numbers on pi zero pinout diagram mean ...

The Pi4J Project – Pin Numbering - Raspberry Pi Zero W

The pi4j project – pin numbering - raspberry pi zero w

Asli Raspberry Pi Zero W Paket D Pengembangan Dasar Kit Micro SD ...

Asli raspberry pi zero w paket d pengembangan dasar kit micro sd ...

Communicating with Raspberry Pi via MAVLink — Dev documentation

Communicating with raspberry pi via mavlink — dev documentation

Componentes de la Raspberry Pi Zero W. | Download Scientific Diagram

Componentes de la raspberry pi zero w. | download scientific diagram

How to Build a Simple Object Detector With the Raspberry Pi Zero W ...

How to build a simple object detector with the raspberry pi zero w ...

Raspberry Pi Zero GPIO Pinout, Specifications and Programming language

Raspberry pi zero gpio pinout, specifications and programming language

Raspberry Pi Zero W V1.1 Schematics | PDF | Network Protocols ...

Raspberry pi zero w v1.1 schematics | pdf | network protocols ...

New Raspberry Pi Zero 2 W - 5 x Faster! - Documents - Raspberry Pi ...

New raspberry pi zero 2 w - 5 x faster! - documents - raspberry pi ...

Raspberry Pi Zero v 1.3 Board | Shopee Indonesia

Raspberry pi zero v 1.3 board | shopee indonesia

Raspberry Pi Zero W Wireless Projects | Packt

Raspberry pi zero w wireless projects | packt

The Pi4J Project – Pin Numbering - Raspberry Pi Zero W

The pi4j project – pin numbering - raspberry pi zero w

Raspberry Pi Zero W Board Asli CPU 1GHz RAM 512MB dengan WI-FI Bawaan &  Bluetooth RPI 0 W

Raspberry pi zero w board asli cpu 1ghz ram 512mb dengan wi-fi bawaan & bluetooth rpi 0 w

New Raspberry Pi Zero 2W Specs, Board layout and Pinout

New raspberry pi zero 2w specs, board layout and pinout

Raspberry Pi Zero W Review - KaliTut

Raspberry pi zero w review - kalitut

Basic GPIO Control on Raspberry Pi Zero W – Blinking an LED

Basic gpio control on raspberry pi zero w – blinking an led

RPI Zero 2W Board Layout: GPIO Pinout, Specs, Schematic in detail

Rpi zero 2w board layout: gpio pinout, specs, schematic in detail

Sjk Raspberry Pi Zero W include Cassing LED MiniHDMI MicroUSB MicroSD

Sjk raspberry pi zero w include cassing led minihdmi microusb microsd

Pin on Raspberry Pi

Pin on raspberry pi

Raspberry Pi Zero W V1.1 Schematics | PDF | Network Protocols ...

Raspberry pi zero w v1.1 schematics | pdf | network protocols ...

Raspberry Pi Zero Guide: Projects, Specs, GPIO, Getting Started ...

Raspberry pi zero guide: projects, specs, gpio, getting started ...

Raspberry Pi Zero and Zero W Guide - Set up, Accessories, Projects ...

Raspberry pi zero and zero w guide - set up, accessories, projects ...

GitHub - hallard/RAK831-Zero: Pi Zero RAK831 Adapter board

Github - hallard/rak831-zero: pi zero rak831 adapter board

Hsv Papan Wh Board Raspberry Pi Zero Wh Ukuran 3x6.5cm / 1.18x2 ...

Hsv papan wh board raspberry pi zero wh ukuran 3x6.5cm / 1.18x2 ...

AlphaBot2 Robot Building Kit untuk Raspberry Pi Nol WH IR Kontrol ...

Alphabot2 robot building kit untuk raspberry pi nol wh ir kontrol ...

Raspberry Pi Zero W

Raspberry pi zero w

Raspberry Pi Documentation - Raspberry Pi Hardware

Raspberry pi documentation - raspberry pi hardware

How the Latest RPi Could Have Scored a Perfect Zero – Pi-Plates

How the latest rpi could have scored a perfect zero – pi-plates

0 Response to "40 raspberry pi zero w diagram"

Post a Comment

Iklan Atas Artikel

Iklan Tengah Artikel 1

Iklan Tengah Artikel 2

Iklan Bawah Artikel