Iklan 300x250

38 eaton power divider diagram

Apr 22, 2019 · Eaton Power Divider Diagram The Detroit Locker / NoSPIN maximizes traction by delivering percent of the torque and power to both drive wheels. It is engineered to keep both wheels in a. Remove Power Divider from Differential Carrier. (with carrier .. For specific recommendations, contact your local Eaton representative. See back cover of this . Wiring Diagram - OEM Responsibility. 2012 Parts Manual 2012 Classic T. 73. 5-Inch axle. The following links will take you to exploded views from our parts catalog. All Moser M88 Housings are designed and manufactured in the U. Quick view Compare. This rear end was available in a 10 bolt version only. The full locking power

Read PDF Peterbilt Engine Fuel System Diagram manual switch F44 Voltage converter for radio, 12 V socket F45 Voltage divider for 12 V sockets F46 Signal Beacon F47 ACC F48 ABS / EBS Systems Switch. F49 Air Suspension F50 Phone F51 Hydraulically Operated Bridge F52 Engine … PETERBILT: STERLING: VOLVO: WABCO: OEM Original Factory

Eaton power divider diagram

Eaton power divider diagram

Ordering Eaton ® Parts • This parts book is organized in sections according to parts servicing requirements. ... IN POWER DIVIDER COVER LUBE PUMP. 8 Item Description Qty Order Part No. Notes Forward Axle Single Reduction 1 Diff. Carrier & Bearing Caps 1 122474 Includes items 2-5, 8-14 Carrier Casting no. 128282C NSS 2 Bearing Cap Screw 4 ... Power Divider Gear Changes – New Spicer® Service Kit Release Date: August 7, 2019 To: All Dana Aftermarket Group Spicer® Heavy Axle Customers Affected Models: Tandems - DS404, DSP40, DSH44, DST40, D155, D170 & D190, D590*, D156** **Please note, the D156 model was released into production on July 1st, 2019. Spicer carriers with serial If you are an eaton distributor and wish to take an eaton product training course, please visit our brand certifications, service school and/or power, motion & control training sections. Bucher hydraulics creates systems that reveal the immense flexibility of modern hydraulics when combined with easy-to-use electronic controls.

Eaton power divider diagram. Power Divider Conversion Kit . ... The charts on these pages indicate how many axle models can be serviced using the new high-torque gear sets when slight ... R= (12 - 9.9)/3. R = 0.7 ohms. R watts = V x A = (12-9.9) x 3 = 2.1 x 3 = 6.3 watts. Restricting LED Current using Transistors. In case you do not have an access to the IC LM338 or if the device unavailable in your area, then you could simply configure a few transistors or BJTs and form an effective current limiter circuit for your LED.. The schematic for the current control circuit using ... Circuit diagram. Hydraulic system circuit diagram represented by professional graphic symbols. Hydraulic drive system. The hydraulic transmission device is a device that converts pressure of fluid into power. Hydraulic pressure station. A hydraulic device consisting of a fuel tank, a hydraulic pump, a motor, a control valve, etc. Hydraulic balance About Press Copyright Contact us Creators Advertise Developers Terms Privacy Policy & Safety How YouTube works Test new features Press Copyright Contact us Creators ...

Acces PDF Service Manual For Mahindra Tractor 4025 29.12.2021 · 2006 Sterling AT9500 T/A Truck Tractor, 668,298 Miles Showing, C13 Caterpillar Twin Turbo 6 Cylinder Diesel Engine, Eaton Fuller Roadranger 15 Speed Manual Transmission, 246" WB, Engine Brake, Air Cab & Ride Suspension, Eaton power divider axle diagram welcome to our site, this is images about eaton power divider axle diagram posted by brenda botha in eaton category on . If you need to repair your atv or motorcycle, do it right the first time with genuine oem parts & oem accessories from. Moneywatch, radioshack shakeup, verizon selling parts of landline business. In operation, the power divider accepts the torque from the vehicle driveline and distributes it equally to the two axles. This as- This as- sembly is of the two-gear design consisting of an input shaft, inter-axle differential, output shaft and two constant-mesh helical (All) Alliance Axle DAF Detroit Eaton FWD GM Hino International Isuzu Mack Meritor Mitsubishi Paccar Spicer UD Volvo White. Tandem Axle - 4 air bag suspension - power divider - air disc brakes - 10 bolt hub pilot - 2017 Mack CXU613. 1992 GMC C6000 Topkick 4 X 2. Need help? 888-630-1123. 888-725-9355 MeritorPartsOnline. • A description of each ...

May 29, 2019 · 50 Power Divider Cover. 1. 11 hole design. Pinion page Power. Divider page Seals page Inter-Axle. Lockout page 11 .. JD EATON 5. 2. 3. 1 .. diagrams below. Failure to.The Eaton power divider differential is used to divide the power between the front and rear axle equally. The full locking power divider provides maximum traction and improved ... January 24, 2011 - Okay...two weeks ago the power divider exploded in Warsaw In....installed a used one at a local shop. Tonite...same deal...broke something and it went... The hydraulic system was comprised of a diesel-hydraulic power unit, which was being used to power a pipe-cutting saw. The saw was designed for sub-sea use and was connected to the hydraulic power unit on the surface via a 710-foot umbilical. The operating requirements for the saw were 24 GPM at 3,000 PSI. Solving Hydraulic System Overheating ... The Eaton power divider differential is used to divide the power between the front and rear axle equally. The full locking power divider provides maximum traction and improved ability to drive over slippery and uneven surfaces. Regularly scheduled inspections of the differential help to check ...

Eaton Power Divider Diagram - Free Wiring Diagram

Eaton Power Divider Diagram - Free Wiring Diagram

Eaton December, 1995 ... Flow Divider Backplate Tandem Backplate 2E 31 30 32 27 27A. 5 Series 26 - Model 26000 Multiple Gear Pump Backplate Parts List Item Part No. Number Description Qty. 2A Plain Backplate 1 26000- 02 Side Ports – 1 5/16-12 Suction, 7/8-14 Pressure

31 Eaton Power Divider Diagram - Wiring Diagram Database

31 Eaton Power Divider Diagram - Wiring Diagram Database

6 Item Current Part Description Replaced Part Qty. Notes Kits/Assys Where Needed 3 K-2918 OIL SEAL KIT 4302322 4302323 1 "FOR MAGNETIC COVER" K-3339,K-3340,K-

Eaton DS404 Differential Assembly (Front, Rear) | Payless ...

Eaton DS404 Differential Assembly (Front, Rear) | Payless ...

Buy Eaton DS404PACK Power Divider Kit Aftermarket Replacement | DS404PACK online. Same day shipping available on most parts.

Taller windmill

Taller windmill

Wiring Diagram How To Video Kenworth T800 Service Truck2020 Kenworth T370 Lumber Truck - MEDIUM DUTY TOUR 1920s Longines restoration cushion case sterling silver inspired from world war 1 Pronto Inc. Power Divider RT46 160. Meritor Kenworth Service Manual Kenworth T120, T270, T370, T440, T470, T680, T800, T880, W800 - Service Manuals, Spare Parts

Patent US5404963 - Power divider lubrication in tandem ...

Patent US5404963 - Power divider lubrication in tandem ...

Meritor RT 46-160, removal of power divider and finding its faults is spread over parts 1 and 2.The official Maintenance Manual which provides maintenance a...

Another last scene of the day

Another last scene of the day

AboutPressCopyrightContact usCreatorsAdvertiseDevelopersImpressumNetzDG TransparenzberichtNetzDG ComplaintsTermsPrivacyPolicy & SafetyHow YouTube worksTest new features · © 2021 Google LLC

Eaton Power Divider Diagram - Hanenhuusholli

Eaton Power Divider Diagram - Hanenhuusholli

Events | Institute for Translational Medicine and Eaton rear end diagram. 99 ,744. 1952 Chevrolet Rear Axle Overhaul Booklet . 2241 x 1686 pixel image type. Dana differential parts, ring and pinion sets, power divider, positraction, spools, Detroit lockers, axle gears, seals, bearing overhaul kits and diff case Parts.

Rebuilt Mack Differential - Global Differential Supply 877 ...

Rebuilt Mack Differential - Global Differential Supply 877 ...

Meritor RT 46-160 Differentials with Power Divider & Front & Rear Diff Locks, 1,002,900km, truck has been on contract 1. A domesticated carnivorous mammal (Canis familiaris syn. Canis lupus subsp. familiaris) occurring as a wide variety of breeds, many of which are traditionally used for hunting, herding, drawing sleds, and other tasks ...

REAR AXLE/EATON TWO SPEED

REAR AXLE/EATON TWO SPEED

Guaranteed low prices on Double Reduction Power Divider - Exploded View.

26 Eaton Power Divider Diagram - Wiring Database 2020

26 Eaton Power Divider Diagram - Wiring Database 2020

Circuit Diagram & Types of ElevatorsHydraulic Valves - Industrial, Mobile & Screw-In Cartridge Hydraulic Press Machine ... became part of Eaton in 1999. A comprehensive supplier of power and motion control components and systems, Vickers vane and piston pumps, valves, electro-hydraulic ... Thus a potential divider with a variable resistor is so ...

32 Eaton Power Divider Diagram - Free Wiring Diagram Source

32 Eaton Power Divider Diagram - Free Wiring Diagram Source

DS404 POWER DIVIDER PARTS. Eaton Fron Rebuilt DS402 with 4.11 Ratio Differential Please call us to purchase this product. Pasternack 8 Way N Wilkinson Power Divider From 690 MHz to 2.7 GHz Rated at 10 Watts is one of over 30,000 RF, microwave and fiber optic parts with 99% availability.

Patent US7744500 - Electronic locking differential with ...

Patent US7744500 - Electronic locking differential with ...

a truck power train, the engine develops horsepower and delivers the power in the form of torque. The transmission multiplies this torque and delivers it to the drive axle which multiplies torque a second time. The drive axle gearing and its related components must be designed to transmit this torque to the driving wheels, so they will

Patent US6863634 - Tandem axle power divider assembly with ...

Patent US6863634 - Tandem axle power divider assembly with ...

2006 international 9400i owners manual 2007 International 9400i for sale Cummins isx engine Eaton 10 speed transmission All tires with above 80% tread. Ac/ heater everything work well Recently oil changed. New battery and starter …

Eaton Power Divider Diagram - Free Wiring Diagram

Eaton Power Divider Diagram - Free Wiring Diagram

Metal Oxide Varistor (MOV) Calculations and Formulas. The calculation of energy during application of such a pulse is given by the formula: E = (Vpeak x I peak) x t2 x K. where: Ipeak = peak current. Vpeak = voltage at peak current. β = given for I = ½ x Ipeak to Ipeak. K is a constant depending on t2, when t1 is 8 μs to 10 μs.

Wiring Diagram: 30 Eaton Power Divider Diagram

Wiring Diagram: 30 Eaton Power Divider Diagram

Diversified power management company and global technology leader in electrical systems for power quality, distribution and control; hydraulics components, systems and services for industrial and mobile equipment; aerospace fuel, hydraulics and pneumatic systems for commercial and military ...

Eaton DS404 Differential Assembly (Front, Rear) | Payless ...

Eaton DS404 Differential Assembly (Front, Rear) | Payless ...

bushed,power divider,radiator Call Jack Carson 419,467,1900 Volkswagen Transporter PDF Workshop and Repair manuals Volkswagen Transporter T4 1982-1992 Service Repair Manual Volkswagen Transporter T5 GP Service Training Volkswagen Transporter 1980-1992 (aka T3, T25, Type 25, Vanagon)

Truck Differential Parts, Discount Prices & Delivery ...

Truck Differential Parts, Discount Prices & Delivery ...

Eaton Corporation reserves the right to discontinue or modify its models and/or procedures and to change specifications at any time without notice. Any reference to brand name in this publication is made as an example of the types of tools and materials recommended for use and should not be considered an endorsement. Equivalents may be used.

Follow my Instagram @karsten.wuerth

Follow my Instagram @karsten.wuerth

Car Eaton clutch adjustmentKenworth w900 ecm fuse location - fashionbid.it1967-69 GM F-Body LS Swap System - Holley2015 peterbilt 579 fuse panel diagram - cxjt.bookastycznie.plSpn 520372 fmi16 - dgj.bcmt.plFreightliner airliner suspension problemsHYUNDAI Accent Wiring Diagrams - Car Electrical

Eaton Power Divider Diagram - Atkinsjewelry

Eaton Power Divider Diagram - Atkinsjewelry

August 8, 2012 - Due to the significant number of failures surrounding the Inter-Axle Differential (IAD) Lock, also known as the Power Divider, there is confusion and frustration with the proper use of this component. Read this article for tips on how to prevent damage to your IAD, which can save you thousands ...

Eaton Power Divider Diagram - Free Wiring Diagram

Eaton Power Divider Diagram - Free Wiring Diagram

Axles - Eaton: Backed by Roadranger Support

http://www.truckt.com Manual Transmissions Explained

http://www.truckt.com Manual Transmissions Explained

Rebuilding another sqhd power divider.

Rebuilt Eaton Differential. Rebuilt, New and Used Eaton ...

Rebuilt Eaton Differential. Rebuilt, New and Used Eaton ...

If you need assistance, contact your Eaton Roadranger ... IN POWER DIVIDER COVER LUBE PUMP. 8 Item Description Qty Order Part No. Notes Forward Axle Single Reduction 1 Diff. Carrier & Bearing Caps 1 122474 Includes items 2-5, 8-14 Carrier Casting no. 128282C NSS 2 Bearing Cap Screw 4 127180 ...

Patent US20120234024 - Hybrid pumper - Google Patents

Patent US20120234024 - Hybrid pumper - Google Patents

Browse our inventory of new and used Eaton Ds402 Differential For Sale near you at TruckPaper.com. Page 1 of 4

Follow my Instagram @karsten.wuerth

Follow my Instagram @karsten.wuerth

Freightliner classic air conditioning diagram For information on South Africa's response to COVID-19 please visit the COVID-19 Corona Virus South African Resource Portal. full top surface milling pcd inserts for machining J1939 retarder. 1 SPN 973/FMI 9 This fault is typically the J1939 EBC1 message from the transmission is missing. 1 R.

Wiring Diagram: 30 Eaton Power Divider Diagram

Wiring Diagram: 30 Eaton Power Divider Diagram

4 Rail Divider Install. English (US) 30-Nov-2011 111 kB. Adjustable Organizer Install. English (US) 30-Nov-2011 91 kB. Bin Rail Install. English (US) 30-Nov-2011 147 kB. Cabinet Installation. English (US) 30-Nov-2011 150 kB. Caster Base Install. English (US) 30-Nov-2011 436 kB.

Wiring Diagram: 30 Eaton Power Divider Diagram

Wiring Diagram: 30 Eaton Power Divider Diagram

FT1330 Series Hose Crimper Die Cage Spring. Aeroquip Lomar FT1330-2-9-21. Specifications. Brand. Aeroquip Lomar. Product Type. Simple product. Supplier Part Number. FT1330-2-9-21.

Eaton Power Divider Diagram

Eaton Power Divider Diagram

Hi all. Please try to bare with me as I attempt to explain what and why I wish to do. I have this 94' Pete 377 with 1.5 million on it. [IMG] I...

Wiring Diagram: 30 Eaton Power Divider Diagram

Wiring Diagram: 30 Eaton Power Divider Diagram

EATON 13 SPEED TRANSMISSION AIR HOSE DIAGRAM Pdf (eaton_13_9071.pdf) ... piston and vane pumps, gold cup hydrostatic transmission pumps and flow dividers and intensifiers. Four-cylinder engine section 1.6l ohv kent engine open-wheel racing enthusiasts associate this overhead valve design with the long-lived international formula ford series ...

Eaton Power Divider Diagram - Hanenhuusholli

Eaton Power Divider Diagram - Hanenhuusholli

With more than eighty thousand (80,000) square feet full of merchandise through our eight stores in Puerto Rico, we are ready to give you the parts you need for your commercial vehicle

Eaton Power Divider Diagram - Hanenhuusholli

Eaton Power Divider Diagram - Hanenhuusholli

4 Rail Divider Install. English (US) 30-Nov-2011 111 kB. Adjustable Organizer Install. ... Eaton Power Xpert 9395 High Performance (9395P) UPS (1100 kVA, 1100 kW ...

Photovoltaic PV plant ground mounted with string inverters

Photovoltaic PV plant ground mounted with string inverters

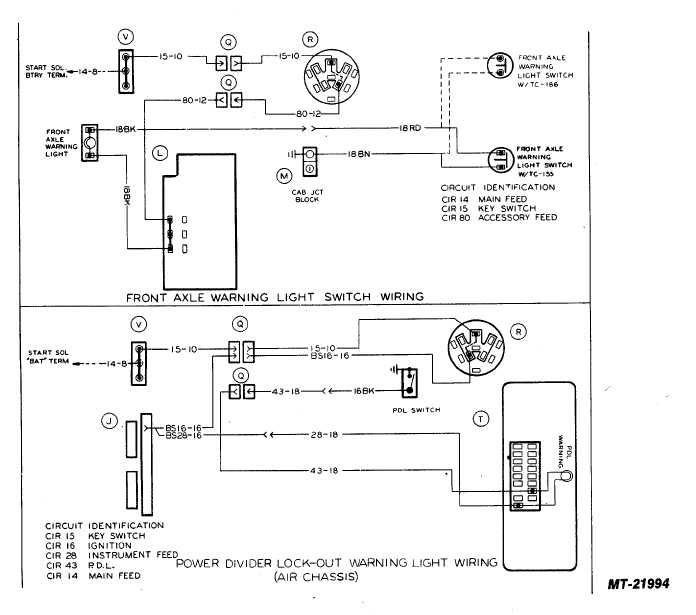
www.eatonperformance.com. • Eaton Posi ... delivering 100 percent of the torque and power to both ... switch through the opening, per the wiring diagram.64 pages

EATON DSP40 Differential (Front) in Jackson, MN #33780

EATON DSP40 Differential (Front) in Jackson, MN #33780

Eaton Power Divider Diagram. More Details . 2004 Mitsubishi Galant 2.4 Serpentine Belt Diagram. More Details . Tekonsha P3 Prodigy Electric Trailer Brake Controller Wiring Diagram. More Details . Diagram Of The Tabernacle Of Moses. More Details . 2003 Chevy Trailblazer Serpentine Belt Diagram.

Figure 154. Rear Axle Power Divider

Figure 154. Rear Axle Power Divider

hydraulic power unit, which was being used to power a pipe-cutting saw. The saw was designed for sub-sea use and was connected to the hydraulic power unit on the surface via a 710-foot umbilical. Hydraulic Calculation Guidelines (PDF) - What Is Piping For hydraulic calculation, a Hydraulic circuit needs to be built prior to hydraulic calculation.

Clark Differentials.

Clark Differentials.

If you are an eaton distributor and wish to take an eaton product training course, please visit our brand certifications, service school and/or power, motion & control training sections. Bucher hydraulics creates systems that reveal the immense flexibility of modern hydraulics when combined with easy-to-use electronic controls.

Buy Reman Mack CRDP92 Front Differential 4.42 Ratio in ...

Buy Reman Mack CRDP92 Front Differential 4.42 Ratio in ...

Power Divider Gear Changes – New Spicer® Service Kit Release Date: August 7, 2019 To: All Dana Aftermarket Group Spicer® Heavy Axle Customers Affected Models: Tandems - DS404, DSP40, DSH44, DST40, D155, D170 & D190, D590*, D156** **Please note, the D156 model was released into production on July 1st, 2019. Spicer carriers with serial

REAR AXLE/EATON TWO SPEED

REAR AXLE/EATON TWO SPEED

Ordering Eaton ® Parts • This parts book is organized in sections according to parts servicing requirements. ... IN POWER DIVIDER COVER LUBE PUMP. 8 Item Description Qty Order Part No. Notes Forward Axle Single Reduction 1 Diff. Carrier & Bearing Caps 1 122474 Includes items 2-5, 8-14 Carrier Casting no. 128282C NSS 2 Bearing Cap Screw 4 ...

Patent US4901600 - Manual control for extended range ...

Patent US4901600 - Manual control for extended range ...

Unplugged cord on a floor

Unplugged cord on a floor

0 Response to "38 eaton power divider diagram"

Post a Comment

Iklan Atas Artikel

Iklan Tengah Artikel 1

Iklan Tengah Artikel 2

Iklan Bawah Artikel