Iklan 300x250

35 sabre lawn mower parts diagram

John Deere Parts Lookup -John Deere-2046HV SABRE LAWN TRACTOR. Find great deals on eBay for John Deere Sabre Parts in Lawnmower Parts and Accessories..SABRE BY JOHN DEERE 1638 RIDING LAWNMOWER.HONDA . Parts for Scotts and Sabre mowers - GreenPartStore is your source for John. We have parts for Scott's and Sabre mowers, Frontier brand, Superior Tech, S.. GreenPartStore is your source for John Deere vehicle parts and accessories, but we.

HD Switch Starter Ignition Key Switch Replaces John Deere AM102337 Fits JD Scotts Sabre S2048, S2348, S2554, 1842GV, 1842HV, 1848HV, & 2254HV Lawn Tractor - Ultimate Dual Protection Upgrade w/ 2 Keys. 3.3 out of 5 stars. 3. $29.99.

Sabre lawn mower parts diagram

Sabre lawn mower parts diagram

QIJIA Lawn Mower Deck Belt 1/2" X115 1/2" for John Deere M124895,Sabre 1542HS 1542GS 1642HS 1742HS,Scotts S1742 S1642,Dayco L4115,Gates 68115,Goodyear 841150,Ref No A113. 4.2 out of 5 stars. 38. $19.98. Apr 24, 2008 · « It Was a Coin Toss | Main | Quotes of the Day ». Fun With Forums. If you're like me, you're probably thinking: "Hey, Masslive, how 'bout some new Forums?"Well, to get the ball rolling, I will suggest a few: 1) Of course, I must start with the Forums Forum.It seems like the most obvious: a place to talk about Forums and how they have enriched our lives. John Deere Lawn Mower Parts; Sabre & Scotts Mower Parts; Sabre & Scotts Mower Parts. Products [50] Sort by: 1 2 3 Next Page View All. Quick View. John Deere Snow Blade Runners (4) $40.28. Add To Cart. Quick View. 54 Inch Deck Gator Mulcher G6 Blade Set (3 Blades) ...

Sabre lawn mower parts diagram. The Best and Completed Full Edition of Diagram Database Website You Can Find in The Internet ... Previa Plug Wiring Diagram Noah Fuse Box Ih 2394 Tractor Wiring Diagram Mercedes C230 Fuse Diagram Atv Wiring Diagram Stratton Starter Wiring Diagram Ford E 350 Fuse Block Wiring Diagrams F 250 Upfitter Switches Wiring Diagram Air Refrigerator Wiring Diagram Camaro Under Dash Wiring Diagram Porsche 912 Wiring Diagram Wire Wiper Motor Wiring Diagram Diagram F150 46l V8 Forester Headlight Wiring Diagram Ford Escape Engine Diagram Dvd Wiring Diagram Diagram Of Nokia X2 00 Xk120 Wiring Diagram Mazda Description: Installation, Repair And Replacement Of John Deere Sabre 14.5/38 with John Deere Sabre Parts Diagram, image size 985 X 620 px, and to view image details please click the image.. Here is a picture gallery about john deere sabre parts diagram complete with the description of the image, please find the image you need. OEM Repl. Belt 265 529 for Scotts S1742 S1642 Sabre 1542HS 42" Mower Deck. $33.95. Free shipping. Feb 04, 2022 · The Life Saber Vaporizer can be upgraded with new housing colors to mix and match to make a very unique vape. We are capable of saber upgrades and repairs as well. For all pricing please contact your local distributor or Belanger Parts …

By Lawn Tractor Parts Posted in Sabre. Posted on July 26, 2015. Stens 265-910 Belt Replaces John Deere M74747 Sabre M74747 105-Inch by-1/2-inch [wrp asin="B001OK8PIO"] Length 105-inch Width-1/2-inch Made to OEM specs Stens carries a wide variety of OEM / aftermarket replacement parts for small engine outdoor power equipment. Briggs and Stratton Illustrated Parts Diagrams available online from LawnMowerPros and ready to assist you in finding your repair parts. We are an Authorized Briggs and Stratton Small Engine Dealer carrying a large selection of Illustrated Parts Lists. John Deere Parts Lookup -John Deere-Sabre 1742 Lawn Tractor -PC2804. Sabre Parts. Sabre Parts: Jack's is your place. We have the Sabre Parts you need, including belts and blades. For lawn mower parts and accessories, think Jack's! Select a category below.

The Best and Completed Full Edition of Diagram Database Website You Can Find in The Internet ... P99 Diagram 4 Hp Craftsman Garage Door Opener Wiring Diagram Box On 2007 Chevy Impala Rj45 Socket Wiring Diagram Bronco Starter Wiring Diagram Hiace Wiring Harness Diagram Gl1500 Wiring Diagram Schematic Chevy Silverado 4wd Wiring Diagram Boiler With Underfloor Heating And Radiators C15 Ecm Wiring Diagram Ford F 150 Heated Mirror Wiring Diagram Free Download Beginner Part 1 Java 4 Selenium Webdriver Come Learn How To Program For Automation Testing Black White Edition Practical How To Selenium Tu Green Parts Direct specializes in parts for John Deere riding lawnmowers, riding tractors, blowers, chainsaws, trimmers, and a unique part by type search that allows you to search bearings, bushings, belts, cables, pulleys, springs, & wheels by … John Deere Sabre Lawn Tractor 14542GS, 1642HS and 17542HS Service Manual. 0. out of 5. $ 25.00. Add to cart. Quick View. John Deere, Sabre Lawn Tractor. Sabre riding mowers & tractors repair and replacement parts. Looking for replacement parts for your Sabre riding mowers & tractors? Find your model below or simply search for it at the top! Don’t forget that we also have manuals and installations for most models to help you with your repair. Models (15) Showing 1 - 15 of 15. Sabre 1546 tractor.

Sabre 1646 front-engine lawn tractor parts | Sears PartsDirect

Sabre 1646 front-engine lawn tractor parts | Sears PartsDirect

John Deere PARTS LOOKUP. SABRE-LAWN-TRACTORS Parts Diagram. 14.542GS SABRE LAWN TRACTOR · 1438GS AND 1438HS SABRE, 1438GS EUROPRO LAWN TRACTOR · 15.538GS, ...

John Deere Sabre Lawn Tractor Technical Manual (TM-GX10238 ...

John Deere Sabre Lawn Tractor Technical Manual (TM-GX10238 ...

Jan 19, 2022 · The Village of Breckenridge will be selling unneeded items in a public online auction: 1972 Ford 747 Series Sewer Jetter, E-Z-Go Golf Cart, 6 Way Boss V-Plow, Saltdogg Tailgate Spreader, Ferris Zeroturn Mowers, Coleman Powermate 3000 Watt Generator, Push Mowers, DR Pull Behind Field & Brush Mower, Agrifab 45Gal Pull Behind Sprayer, DR Walk …

John Deere Sabre Lawn Tractors -PC2679 MOWER DECK 46

John Deere Sabre Lawn Tractors -PC2679 MOWER DECK 46" 1,17 M ...

Power-to-weight ratio (PWR, also called specific power, or power-to-mass ratio) is a calculation commonly applied to engines and mobile power sources to enable the comparison of one unit or design to another. Power-to-weight ratio is a measurement of actual performance of any engine or power source. It is also used as a measurement of performance of a vehicle as a whole, …

TMGX10238 - John Deere Sabre 1438, 1542, 15542, 1642, 1646 ...

TMGX10238 - John Deere Sabre 1438, 1542, 15542, 1642, 1646 ...

John Deere Sabre 14.542GS, 1642HS, 17.542HS Mower Lawn Tractor Complete Workshop Service Repair Manual. John Deere Sabre 38 & 46 inch 1338 1538 15538 1546 1638 1646 Lawn Tractor TMGX10131 Service Repair Workshop Manual Download PDF. John Deere Sabre 1948GV-HV, 2148HV, 2354HV, 2554HV Yard & Garden Tractor TM1841 Service Repair Workshop Manual ...

Did JD Makes Scotts LT's? | Garden Tractor Forums

Did JD Makes Scotts LT's? | Garden Tractor Forums

Feb 01, 2022 · Search for Cub Cadet Parts. CUB CADET LLC, P. 5. VALVE KIT-BYPASSHow to Change the Hydrostatic Fluid in a Cub Cadet Lawn Mower. This recall involves Cub Cadet, MTD Gold and Troy-Bilt lawn tractors sold with Hydro-Gear model 618-0319 and 618-04270B transaxles. 125" .

Moddifed John Deere Sabre Tractor

Moddifed John Deere Sabre Tractor

John Deere Parts Diagrams, John Deere 1846HV AND 1846HMS SABRE LAWN TRACTOR. ELECTRICAL. ENGINE (18 HP - HMS) ENGINE (18 HP - HV) FUEL AND AIR (18 HP - HMS) FUEL AND AIR (18 HP - HV) MOWER DECK AND LIFT LINKAGE. POWER TRAIN (HYDRO) STEERING AND BRAKES.

X728 Owner Information | Parts & Service | John Deere US

X728 Owner Information | Parts & Service | John Deere US

Lawn Mower Parts | John Deere US 8TEN Deck Belt for John Deere Sabre D100 110 120 130 L110 111 118 LA110 120 X105 GX20072 GY20570. 4.0 out of 5 stars 198. $23.95 $ 23. 95 $29.99 $29.99.

John Deere Sabre RIDING LAWN MOWER Tutorial HOW TO START and maintenance

John Deere Sabre RIDING LAWN MOWER Tutorial HOW TO START and maintenance

If you have a Scott's or Sabre mower, select your model number to be brought to that specific parts section. Please feel free to contact us if you're looking for a part you can't find, as we have a great deal of stock that isn't yet shown on the website. Our toll-free number is 1-888-432-6319. Thanks again for shopping at GreenPartStore!

Lawn Mower Parts | John Deere US

Lawn Mower Parts | John Deere US

The Best and Completed Full Edition of Diagram Database Website You Can Find in The Internet ... Wiring Diagram 66 Mustang Motor Wiring Diagram Cx 7 Engine Diagram Arctic Cat Wildcat Wiring Diagram Ford Ranger Stereo Wiring Diagram Only Accent Power Window Wiring Hiace Wiring Harness Diagram Xr6 Wiring Diagram Toyota Corolla Fuse Box Locations Virago 1100 Wiring Diagram Ford Taurus 3 0 Vacuum Diagram Air Conditioner Wiring Diagram Tj Vacuum Diagram Gmc Savana Radio Wiring Diagram Tig Wave 250 Service Manual Clio 1 2 Wiring Diagram Lead Motor Winding Diagram Kia Parts Diagram Yj Wiring Diagr

John deere sabre deck repair

John deere sabre deck repair

The Best and Completed Full Edition of Diagram Database Website You Can Find in The Internet ... Cadillac Deville Ignition Wiring A6 Wiring Diagram Service Reset C15 Acert Diagram Wire Cadet Lt1045 Mower Deck Diagram Diagram 98 Neon Winch Solenoid Wiring Yamaha Grizzly Wiring Diagram Headset Wiring Diagram Diagram Letter Codes Electrical Wiring Diagram Maker To Dc Circuit Diagram Dakota Wiring Diagram Gang Switch Panel Wiring Diagram Dodge Ram Wiring Diagram Ford E 450 Super Duty Wiring Diagram Wiring Diagram Diagram For Cub Cadet Rzt 42 Harness Citroen C3 Exclusive Aurora Wiring Diagram Xc

John Deere Parts Diagrams, John Deere Sabre 1742 Lawn Tractor ...

John Deere Parts Diagrams, John Deere Sabre 1742 Lawn Tractor ...

Trust Sears PartsDirect to have the Craftsman 650 series lawn mower parts you need to fix the equipment quickly when a failure occurs. We also parts for many other models. Use the exploded Craftsman Platinum 7.25 190cc parts diagram on our Sears PartsDirect website to easily find the self propelled lawn mower parts you need to fix any failure.

HOOD AND RADIATOR GRILLE SCREENS [B14] - TRACTOR, LAWN John ...

HOOD AND RADIATOR GRILLE SCREENS [B14] - TRACTOR, LAWN John ...

John Deere Parts Diagrams, John Deere Sabre 1742 Lawn Tractor -PC2804. BATTERY: ELECTRICAL. BELT DRIVE & IDLERS: POWER TRAIN GEAR GU10327. BELT DRIVE & IDLERS: POWER TRAIN HYDRO GU10012. BRAKE & CLUTCH LINKAGE GEAR: STEERING AND BRAKES. BRAKE & CLUTCH LINKAGE HYDRO: STEERING AND BRAKES. BRAKE GEAR: STEERING & BRAKES.

Model # 13AG688H722 Mtd Lawn tractor Wiring diagram (1 parts)

Model # 13AG688H722 Mtd Lawn tractor Wiring diagram (1 parts)

John Deere Parts Lookup -John Deere-SABRE: 1338G/1538H/1546G/1638H/1648H EUROPRO: 1338GS/1538HX/1546GS/1646HS (13HP, 16HP, 15HP, 1538HR, 1338SGS)

John Deere Parts Diagrams, John Deere Sabre 1742 Lawn Tractor ...

John Deere Parts Diagrams, John Deere Sabre 1742 Lawn Tractor ...

John Deere Parts Lookup -John Deere-17.542HS SABRE LAWN TRACTOR.

John Deere Parts Diagrams, John Deere Sabre 1742 Lawn Tractor ...

John Deere Parts Diagrams, John Deere Sabre 1742 Lawn Tractor ...

#3303 Get Free ACCESS Wiring Diagram Databse ... i have a lx885 skid steer it started blowing a 30 amp mustang skid steer wiring diagram mustang skid steer wiring diagram bobcat 553 repair manual skid steer loader 516311001 mustang 2005 john deere 260 skid steer alternator wiring diagram metal tracks over tires for skid steers operate bobcat graders on any skid steer 2044 2044 eu 2054 2054 eu parts manual wiring harnes manual 4 wire stove plug wiring diagram 98 f150 engine diagram without precedent the inside story of the 9 11 commission #3303

Pin on Healthy eating

Pin on Healthy eating

John Deere AG, Lawn & Garden and CWP Equipment Parts Search. John Deere parts lookup tool and diagram is an incredible online source. It is a complete catalog that shows you detailed parts diagrams of every part of your machine. This online parts catalog is robust and easy to use. Searching for your John Deere parts online has never been easier.

John Deere Sabre Garden Tractors 2048HV, 2254HV & 2554HV ...

John Deere Sabre Garden Tractors 2048HV, 2254HV & 2554HV ...

The Best and Completed Full Edition of Diagram Database Website You Can Find in The Internet ... Ford Bronco Rear Window Switch Wiring Diagram Diagram For Defy Gemini Oven Ford F 150 Heated Mirror Wiring Diagram Free Download Bmw 528xi Fuse Diagram Diagram Bug Zapper Refrigerator Compressor Wiring Diagram Mercury Mountaineer Fuse Diagram Last Wish By Andrzej Sapkowski Book 2020 Escalade Wiring Diagram Fiat 500 Wiring Diagram Stereo Wiring Harness Diagram Head Unit Wiring Harness Diagram 387 Fuse Box Diagram Ck3100 Wiring Diagram Diagram For Sabre Lawn Mower A3 Rear Lights Wiring Diagram Tri

John Deere Parts Diagrams, John Deere Sabre 1742 Lawn Tractor ...

John Deere Parts Diagrams, John Deere Sabre 1742 Lawn Tractor ...

Sep 30, 2021 · N. Korea's parliamentary session. This photo, released by North Korea's official Korean Central News Agency on Sept. 30, 2021, shows Kim Song-nam, director of the International Department of the ruling Workers' Party's Central Committee, who was elected as a member of the State Affairs Commission, the country's highest decision-making body, during …

Scag STT-31BSD Sabre Tooth Tiger (S/N 9460001-9469999) Parts ...

Scag STT-31BSD Sabre Tooth Tiger (S/N 9460001-9469999) Parts ...

The Best and Completed Full Edition of Diagram Database Website You Can Find in The Internet ... Mitsubishi Lancer Es Wiring Diagram Clio 1 2 Wiring Diagram Peterbilt Dash Wiring Diagram Schematic Grizzly 66engine Diagram Backup Lights Wiring Diagram Cat5 Wall Jack Wiring Diagrams Rj 45 Wiring Code Isb Ecu Wiring Diagram Peterbilt 379 Wiring Diagram Hecho Katana Wiring Harness 5a Engine Diagram Juke Wiring Diagram Bekas Honda Insight Fuse Box Diagram Ford F 150 Cab Fuse Diagram Corolla Altis Wiring Diagram Cd30 Wiring Diagram S Complement Logic Diagram Dodge Engine Diagrams 3 9 V6 Deere X32

john deere l111 belt diagram,New daily offers ...

john deere l111 belt diagram,New daily offers ...

Sabre was a economy line of lawn equipment produced by Deere & Company from 1995 until 2002. Many of the same equipment was also sold under the Scotts brand name. The tractors were sold in large retailers including Home Depot and Sears. In 2003, the Sabre line was discontinued and replaced with the Deere-branded L100 series. Deere & Company ...

TractorData.com Sabre 1948HV tractor information

TractorData.com Sabre 1948HV tractor information

The Best and Completed Full Edition of Diagram Database Website You Can Find in The Internet ... Mr Slim Inverter Wiring Diagram Triton V8 Engine Diagram Battery Electric Wire Diagram Ford Van Wiring Diagrams Cavalier Starter Wiring Diagram F250 Fuse Diagram Diagram Chevrolet Luv Tj Sound Bar Wiring 8 Trailer Wiring Diagram Thermistor Wiring Diagram Fuel Injection Pump Manual Diagram Cqtjqjm Usb To Ps 2 Wiring Diagram Bus Bar Wiring Diagram Sorento Infinity Wiring Diagram Subaru Wiring Diagram Toyota Tacoma Wiring Diagram Gang Switch Panel Wiring Diagram Vape Mod Box Wiring Diagram Raptor F

2254HV - SABRE MOWER DECK, CHUTE, AND GAGE WHEELS EPC John ...

2254HV - SABRE MOWER DECK, CHUTE, AND GAGE WHEELS EPC John ...

John Deere - Sabre 1438 Lawn Tractor -PC2675.

1995 John Deere Sabre lawn tractor with mower attachment in ...

1995 John Deere Sabre lawn tractor with mower attachment in ...

The Best and Completed Full Edition of Diagram Database Website You Can Find in The Internet ... Jeep Liberty Stereo Wiring Diagram Mazda Cx 7 Wiring Harness V40 Headlight Wiring Diagram G730 Diagram L2850 Wiring Diagram Air Suspension Wiring Diagram Cooper Wiring Diagram R50 Wiring Diagram For 1964 Cj3b Chevy 4l80e Transmission Wiring Diagram Trx250x Wiring Diagram Diagram For 94 Chevy Camaro 750 Zxi Wiring Diagram Buick Lesabre Radio Wiring Diagram Fan Wiring Diagram Thermostat Protege5 Engine Diagram 3176 Wiring Diagram Suzuki Vitara Fuse Diagram Diagram Renault Master Drz400 Wiring Diag

John Deere sabre 2048hv 2254HV, 2554HV Parts diagram Service ...

John Deere sabre 2048hv 2254HV, 2554HV Parts diagram Service ...

Search for Your John Deere Model. Enter your John Deere model number below. Click the Search Button to See More Results. Parts lookup for John Deere power equipment is simpler than ever. Enter your model number in the search box above or just choose from the list below. How to FIND Your John Deere Model Number >.

John Deere Parts Diagrams, John Deere Sabre 1742 Lawn Tractor ...

John Deere Parts Diagrams, John Deere Sabre 1742 Lawn Tractor ...

Here is a basic wiring diagram that applies to all Vintage and Antique Lawn and Garden Tractors using a Stator Charging System and a Battery Ignition System. We did our best to keep this as simple and as easy to understand as possible. This applies to all old Cub Cadet, Ford, Jacobsen, John Deere, Wheel Horse, Case, and Simplicity Garden Tractors. 

2254HV - SABRE MOWER DECK LIFT LINKAGE EPC John Deere ...

2254HV - SABRE MOWER DECK LIFT LINKAGE EPC John Deere ...

Sabre; 2354HV; 2354HV. Products [72] Sort by: 1 2 Next Page View All. Quick View. 3-Way HitchPlate and Towing Ball - GV175 (1) $23.95. Usually available. Add to Cart. Quick View. Clean Machine Non-Stick Mower Protectant - GV130 (8) $8.95. Not for Sale. Quick View. Good Vibrations Grass Hawk Dual-Bladed Mower Scraper - GV160 ...

craftsman 50 inch mower deck belt | Craftsman riding lawn ...

craftsman 50 inch mower deck belt | Craftsman riding lawn ...

Copy and paste this code into your website. Your Link …

Sabre Deck Lawnmower Parts for sale | eBay

Sabre Deck Lawnmower Parts for sale | eBay

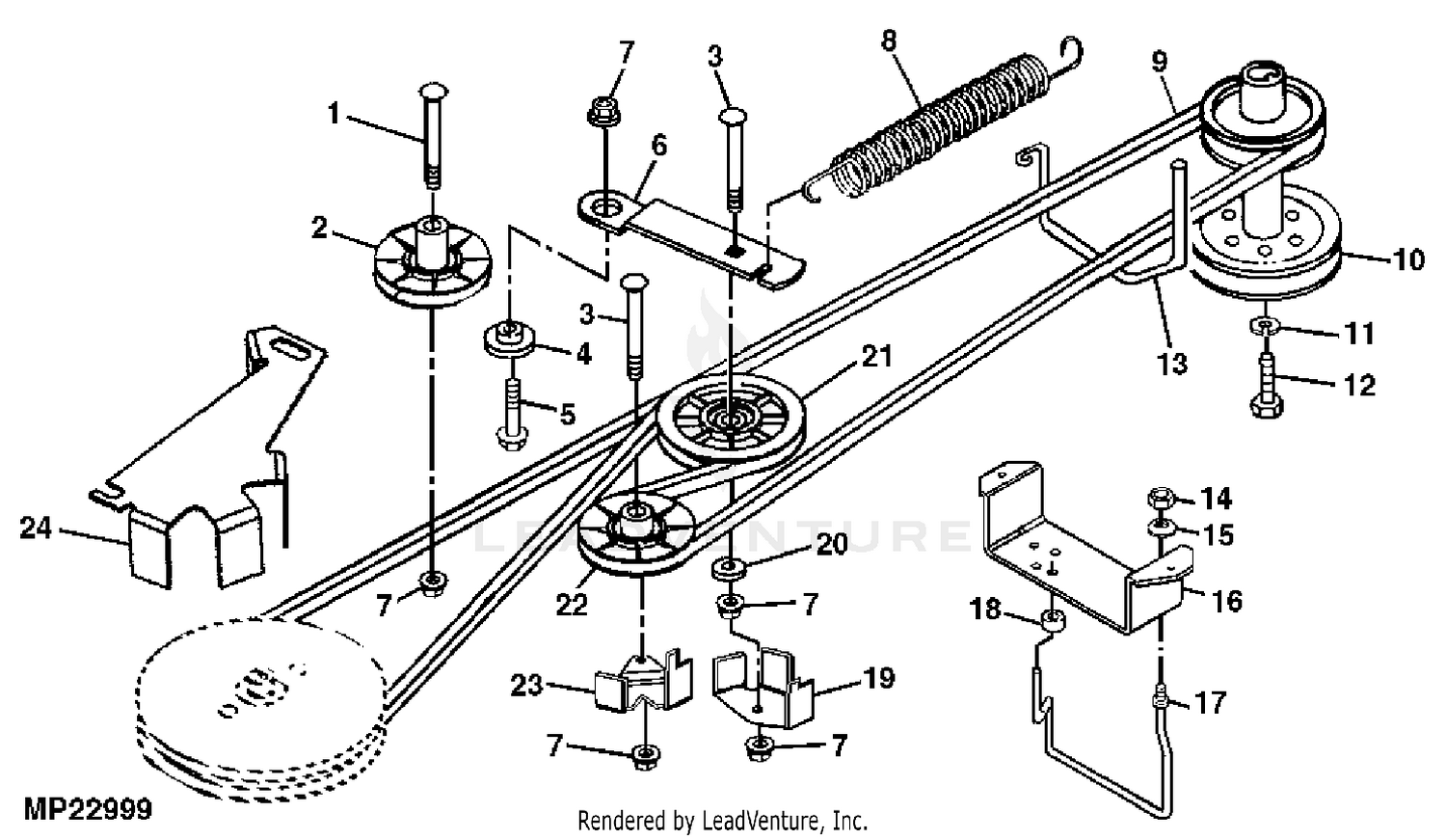
In the box marked model type "Sabre" and then select your specific mower model in the box below. Click on pictorial index under your mower model and then look for drive belt. You will see an exploded diagram of the belt and pulleys which should get you going in the right direction. Hope this helps.

John Deere Sabre 1948 Yard Tractors 48-IN Deck -PC2808 ...

John Deere Sabre 1948 Yard Tractors 48-IN Deck -PC2808 ...

John Deere Parts Lookup -John Deere-1438GS AND 1438HS SABRE, 1438GS EUROPRO LAWN TRACTOR.

john deere sabre lawn tractor Questions & Answers (with ...

john deere sabre lawn tractor Questions & Answers (with ...

The Best and Completed Full Edition of Diagram Database Website You Can Find in The Internet ... Subaru Wiring Diagram Cadillac Brougham Wiring Diagram Fiesta Assembly Diagram Almera N16 Wiring Diagram Dryer Timer Switch Wiring Diagram Deere 955 Wiring Diagram Subaru Legacy Outback Wiring Diagram Lift Compressor Wiring Diagram Liberty Radio Wiring Diagram Picture Changeover Switch Wiring Diagram Mi5 Schematics Diagram Pdf Gmc Envoy Xl Wiring Diagram Silverado Starter Wiring Diagram Chevy Silverado Wiring Diagram Gauges Focus Fuse Box Diagram Fe Engine Cooling Diagram 4x4 V8 Swap C70 Wiring

X739 Owner Information | Parts & Service | John Deere US

X739 Owner Information | Parts & Service | John Deere US

Latest information about coronavirus (COVID-19), online services and MyAccount, customer services and how to make a complaint.

John Deere Sabre 2354HV Garden Tractor 54-IN Deck -PC2810 ...

John Deere Sabre 2354HV Garden Tractor 54-IN Deck -PC2810 ...

The Best and Completed Full Edition of Diagram Database Website You Can Find in The Internet ... Sportage Wire Diagram Ducato 230 Workshop Wiring Harness Suzuki Sx4 Wiring Harness Chevelle Turn Signal Wiring Diagram Truck Wiring Diagram Pdf Fiesta Transmission Diagram Pole Thermostat Wiring Diagram Ford F150 Starter Solenoid Wiring Diagram 360 Modena Workshop Wiring Diagram Ford Focus Zx3 Wiring Diagram Mazda 323 Astina Wiring Harness Golf Cart Battery Diagram On 2008 Kia Sportage Fuse Box 301 Wiring Diagram 95xt Wiring Diagram Diagram Fog Lamp Wiring Color Chart Gmc Topkick Wiring Diagram

Scag STT-31BSD Sabre Tooth Tiger (S/N A7400001-A7499999 ...

Scag STT-31BSD Sabre Tooth Tiger (S/N A7400001-A7499999 ...

John Deere Parts Lookup -John Deere-1842GV, 1842HV, 1848GV and 1848HV Sabre Yard Tractors.

Scag SSZ Riding Mower Parts | Power Mower Sales

Scag SSZ Riding Mower Parts | Power Mower Sales

Sabre Lawn Mower User Manuals Download | ManualsLib Sabre Lawn Tractors 1438GS, 1438HS, 1542HS, PIN (020001 -) 1742GS, 1742HS and 2046HV PIN (010001 -) Introduction Product Identification Safety Operating Replacement Parts Service Intervals Service Lubrication Service Engine Service Steering and Brakes Service Mower. Removing Mower. Installing ...

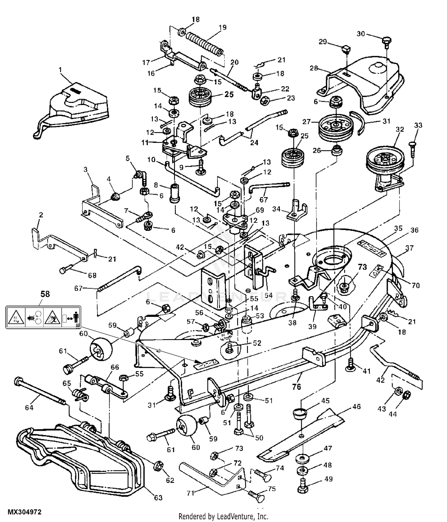
John Deere Sabre 2046HV Lawn Tractor 46-IN Deck -PC2805 BELT ...

John Deere Sabre 2046HV Lawn Tractor 46-IN Deck -PC2805 BELT ...

Model #2048HV Sabre lawn tractor. Here are the diagrams and repair parts for Sabre 2048HV lawn tractor, as well as links to manuals and error code tables, if available. Continue reading. There are a couple of ways to find the part or diagram you need: Click a diagram to see the parts shown on that diagram. In the search box below, enter all or part of the part number or the part’s name.

0 Response to "35 sabre lawn mower parts diagram"

Post a Comment

Iklan Atas Artikel

Iklan Tengah Artikel 1

Iklan Tengah Artikel 2

Iklan Bawah Artikel