37 billy goat blower parts diagram
Vision Spares Ltd Trading as DIY Spare Parts The Barn Shearstock Estate Shaftesbury Dorset SP7 9PT Hurricane / Ferris / Billy Goat Blower Parts. OEM Hurricane Blowers Parts for X3 and X3 Stand-On Blowers. Hurricane was purchased by Briggs & Stratton last year and now Ferris and Billy Goat have versions of the stand-on blower. A lot of the part numbers are interchangeable.
Find Your Billy Goat Manual & Parts Lists. Model numbers can be found on the Product Identification Tag located on your Billy Goat product. They are used to look up your product’s Operator’s Manual and Illustrated Parts Lists. If you're searching for a manual for a former Hurricane Power blower, please visit our Manuals Archive.

Billy goat blower parts diagram
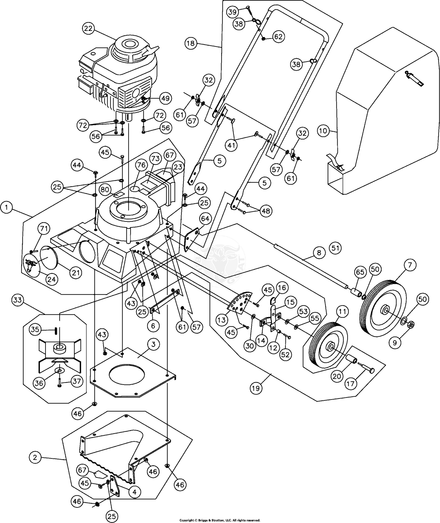
Parts; Equipment; Diagrams; My Account Menu Toggle. My Account; Contact Menu Toggle. Contact Us / Request Parts; Our Store; Billy Goat F1302H F13 Force™ Series Wheeled Leaf Blower. Home | Diagrams | F1302H. No. Part Number Qty Used ... CONTROL THROTTLE BLOWER : 32: 440014: 1: CABLE THROTTLE BLOWER : 33: 8161042: 1: NUT LOCK 3/8-16 LT WT THIN ... View Exhaust System OEM Parts diagram for Briggs & Stratton 294447-1219-E1 online FORCE BLOWER PUSH Owner's Manual INSTRUCTION LABELS The labels shown below were installed on your BILLY GOAT ® FORCE Blower. If any labels are damaged or missing, replace them before operating this equipment. Item numbers from the Illustrated Parts List and part numbers are provided for convenience in ordering replacement labels.
Billy goat blower parts diagram. This Billy Goat F1302H Push Walk Behind Blower can cut your work time in half, or more with 6.2X the air volume of backpack leaf blowers. A smooth rounded housing provides consistent air flow, reduced noise, and increased output efficiency, along with 30% less weight than steel blowers for effortless pushing. The housing has a replaceable polymer liner that takes the brunt of abuse as leaves, lawn clippings, and other matter are drawn through. At maximum throttle, the 3700V moves air at a rate of 5,050 CFM. Debris enters the loader through a 14 inch by a 10-foot clear hose. This hose attaches using a tool-free, thread-free clamp, making it easy to ... Billy Goat Industries is the premier manufacturer of specialty turf products with a reputation for innovation, productivity and quality. Started in 1967 as a subsidiary of Clipper Manufacturing, Billy Goat became independent in 1969. In May, 2015, the company was acquired by the Briggs & Stratton Corporation. Billy Goat Industries features a complete line of product solutions for residential ... Billy Goat® Debris Loader Parts. Billy Goat truck-bed debris loaders make fast work of cleanup by sucking it all up! Their 13 HP, 14 HP, 18 HP, 29 HP, and 37 HP heavy-duty units with armor plate steel impellers provide a 12:1 reduction ratio. Whether you need a new debris reducer, a throttle control, or just some washers, we've got you covered.
Billy Goat 891125 Hose Kit for Lawn Vacuums. 4.3 out of 5 stars. (3) Total Ratings 3, $179.89 New. Genuine Billy Goat Liner Housing Dl18 Part# 812214. $160.49 New. Billy Goat F1302H Walk Behind Leaf Blower. $2,125.00 New. Located outside of Kansas City, Missouri, Billy Goat is a family-owned and operated manufacturer of yard cleanup and outdoor chore equipment. To keep your lawn looking its best, shop Weingartz for Billy Goat equipment , leaf blowers , trimmers and brushcutters , walk behind lawn mowers , and specialty equipment ), find parts using our parts lookup diagrams , or check out our service packages ... Snow Blowers; Trimmers ; Parts Diagrams » ... Billy Goat F902H Full Assembly Parts Diagram SWIPE SWIPE. Full Assembly; F902H Full Assembly Move JavaScript Disabled - Unable to show Cart. 1. 430287. Engine Honda GX270 9 HP. No Longer Available Add to Cart. 2. 440244S ... Part Number: F1302SPH. Specs: Self-Propelled Walk Behind Leaf Blower - GX390 Honda. Model: F1302SPH. View More Details. Your Price: $2,525.00. Billy Goat F1302H Push Walk Behind Leaf Blower - GX390 Honda. Part Number: F1302H. Specs: Push Walk Behind Leaf Blower.
Ideal for large size maintenance contractors, landscapers, seal coaters, schools, parks departments, cemeteries, resorts, street departments, golf courses and estate properties, the Hurricane Z3000** doubles down on productivity with world class commercial cleanup power. The Hurricane Z3000's seamless operating controls, tri-directional blowing options, robust blowing power and zero-turn ... Billy Goat F601S Parts Diagrams. Parts Lookup - Enter a part number or partial description to search for parts within this model. There are (72) parts used by this model. ELASTIC LOOP BLACK 5. Billy Goat Replacement Cable Diverter ; Billy Goat Part # 440117 ; Replaces: N/A ; Fits Many Models; Please see below for more details. Please verify the original Billy Goat part number in your owner's manual or on the appropriate parts diagram of your model for correct location and fitment of this item. How to find parts for the older Billy Goat models listed below: Step 1: Click a model below to view its parts diagram. Step 2: Find the part number you need on the diagram. Step 3: Enter the part number in the search box at the top center of this website to purchase. Aerators.
We also have catalogs of commonly-requested parts and accessories, arranged by category. Our company has years of experience with selling, maintaining, and repairing all types of Billy Goat equipment: vacuums, blowers, truck loaders, aerators, overseeders, sod cutters, power rakes, and more. We love the quality and innovation of Billy Goat ...
Billy Goat Blower QB1304H Parts Original Billy Goat Parts << Return to Model List. Know the part number? Find it here. Find a specific Billy Goat part number by searching for it here. ... Use the diagrams to identify the exact part number(s) you need. Then find those numbers on the parts lists below to check availability and proceed to checkout.
Genuine Billy Goat Black Vacuum Nozzle 5 in 840182. Please verify the original Billy Goat part number in your owner's manual or on the appropriate parts diagram of your model for correct location and fitment of this item. We are an Authorized Billy Goat Dealer.
Stihl BG 86 Blower (BG86) Parts Diagram Select a page from the Stihl BG 86 Blower diagram to view the parts list and exploded view diagram. All parts that fit a BG 86 Blower . Pages in this diagram. Air filter. Carburetor C1M-S141E. Carburetor C1M-S151C BR. Crankcase. Fan housing outer. Fan Housing. Gutter Cleaning.
Billy Goat F602X force blower features the next level of performance and productivity in push blowers. Forget the fatigue factor associated with heavy metal machines, this model is a remarkable 30% lighter than comparable steel units and weighs only 83 lbs., making it a breeze to roll around the yard.
F 601 S - Billy Goat Force Wheeled Blower, 6hp Subaru. F 601 V - Billy Goat Force Wheeled Blower, 10 hp Vanguard. F 601 X - Billy Goat Force Wheeled Blower, 10 hp Briggs & Stratton. F 800 - Billy Goat Force Wheeled Blower, 8hp Briggs & Stratton. F 901 H - Billy Goat Force Wheeled Blower, 9hp Honda.
Parts Assembly diagram and repair parts lookup for Billy Goat F 1302 H - Billy Goat Force Wheeled Blower, 13hp Honda
Parts Diagram of John Deere 47" and 54" two stage snowblower chute and deflector. ... Ariens Auger Torque Billy Goat Boss Briggs & Stratton Exmark Frontier Honda John Deere Kawasaki Kohler Little Wonder Ryan Shaver Stihl Toro Trac-Vac ... John Deere 47/54 Blower Chute Diagram Join the MuttonPower.com Mailing List for Special Savings! ...
Billy Goat Industries is the premier manufacturer of specialty turf products with a reputation for innovation, productivity and quality. Started in 1967 as a subsidiary of Clipper Manufacturing, Billy Goat became independent in 1969. In May, 2015, the company was acquired by the Briggs & Stratton Corporation. Billy Goat Industries features a complete line of product solutions for residential ...
Billy Goat covers the housing for 5 years and the rest of the machine for two years. Briggs & Stratton offers a three-year commercial warranty on the engine. Getting Parts for Billy Goat Debris Blowers. Whether you have the new F10, an older metal impeller model or anything in between, you can get everything you need for it at www ...
Find parts for your billy goat parts assembly with our free parts lookup tool! Search easy-to-use diagrams and enjoy same-day shipping on standard Billy Goat parts orders. 855-669-7278 My Store ... Snow Blower Paddles and Scraper Bars NOW IN STOCK!
FORCE BLOWER PUSH Owner's Manual INSTRUCTION LABELS The labels shown below were installed on your BILLY GOAT ® FORCE Blower. If any labels are damaged or missing, replace them before operating this equipment. Item numbers from the Illustrated Parts List and part numbers are provided for convenience in ordering replacement labels.
View Exhaust System OEM Parts diagram for Briggs & Stratton 294447-1219-E1 online
Parts; Equipment; Diagrams; My Account Menu Toggle. My Account; Contact Menu Toggle. Contact Us / Request Parts; Our Store; Billy Goat F1302H F13 Force™ Series Wheeled Leaf Blower. Home | Diagrams | F1302H. No. Part Number Qty Used ... CONTROL THROTTLE BLOWER : 32: 440014: 1: CABLE THROTTLE BLOWER : 33: 8161042: 1: NUT LOCK 3/8-16 LT WT THIN ...
 
     
     
     
     
     
     
     
     
     
     
     
     
     
     
     
     
     
     
     
     
     
     
     
     
     
     
     
     
     
     
     
     
     
    
0 Response to "37 billy goat blower parts diagram"
Post a Comment