39 1999 jeep cherokee ignition wiring diagram
1988 Jeep Cherokee XJ Service and Repair Manual PDF Free Download.This manual contains maintenance and repair procedures for the 1988 2014-2016 Jeep Grand Cherokee WK2 Workshop Manual + Wiring Diagram. This is a complete Service Manual contains all necessary instructions... Jeep - Grand Cherokee - Wiring Diagram - 2002 - 2003 Updated: February 2022. Show full PDF. Get your hands on the complete Jeep factory workshop software
How To Replace Ignition Coil 4.0 1999-2004 Jeep Grand Cherokee.

1999 jeep cherokee ignition wiring diagram
1999 Jeep Cherokee Wiring Diagram Unique | Wiring Diagram Sep 22, 20181996 Jeep Grand 1999- wiring diagram is a simplified suitable pictorial representation of an electrical circuit shows the components of the circuit as simplified shapes, and the skill and signal links between the devices. The EJ201 and EJ202 engines had two ignition coils (one for each pair of cylinders, i.e. 1-2 and 3-4) which fired the spark plugs directly twice per cycle. The ignition knock control system had ‘fuzzy logic’ that enabled the maximum ignition advanced angle to be used without detonation since the programme continually adapted to changes in ... 1999 1999 Jeep Cherokee Ignition Wiring Diagram Pictures Sep 13, 20201999 Jeep Cherokee Ignition Wiring Diagram from wwwomagazin Effectively read a cabling diagram, one has to know how typically the components within the program operate. For instance , in case a module is powered up...
1999 jeep cherokee ignition wiring diagram. Jeep cherokee headlight switch wiring diagram 1995 jeep cherokee with regard to 1998 jeep cherokee wiring diagrams pdf image size 640 x 837 px image Information regarding the vehicles wiring content. Jeep cherokee xj 1995 1996 1997 1998 1999 wiring diagrams general information. All Wiring Diagrams for Jeep Grand Cherokee Limited 1999. Ground Distribution Wiring Diagram (2 of 4) for Jeep Grand Cherokee Limited 1999. Получить доступ ко всем схемам автомобиля. Jeep Yj Wiring Wiring. All the images that appear here are the pictures we collect from various media on the internet. If there is a pictures that violates the rules or you want to give criticism and suggestions about 1988 Jeep Cherokee Ignition Wiring Diagram please contact us on Contact Us... Jeep Cherokee Transmission data Service Manual PDF. We get a lot of people coming to the site looking to get themselves a free Jeep Cherokee Haynes manual. 1999-2005--Jeep--Grand Cherokee 4WD--8 Cylinders N 4.7L FI SOHC--32534202.
Электросхемы на следующие модели: Jeep Cherokee 1990 Jeep Cherokee Laredo 1990 Jeep Cherokee Limited 1990 Jeep Cherokee Pioneer 1990 Jeep Cherokee Sport 1990 Jeep Comanche 1990 Jeep Comanche Eliminator 1990 Jeep Comanche Pioneer 1990 Jeep Grand Wagoneer 1990... 1996 jeep cherokee sport with an open or short connection between the ignition swith and starter relay. I had a older 87 cherokee that had that problem. It turns out that the multi function switch on the column was prone to shorting ( actually breaking into) try jumpering... does anybody have wiring color code & diagram for the ignition switch itself for and 88 xj?' I have most of the FSM. My Cherokee starts then stalls after cpl seconds. I lose spark and injectors ater a cpl seconds of it firing over. Cherokee, Grand Cherokee, Comanche, Wrangler. Verifying the Ignition Coil is Getting Power. One: That the ignition coil's high tension wire is not the cause of the no spark-no-start problem. The following wiring diagrams will help you check the color of the wires of the igntion coil's connector
Jan 12, 2015 · Kindly please help me with a complete wiring diagram for Alfa Romeo 155v6 2.5 167(AIC)..1995 to show the Bosch Motronic 88 pin outs and the location on the car of the ignition COTROL module.Thanks a mil and Happy New Year from Nairobi. Fuel/ignition system . ... . . Related Manuals for Jeep Cherokee 2000. Automobile Jeep Grand Cherokee 2013 Owner's Manual. Jeep Wrangler 1999. cherokee 2000 Wiring Diagrams. Jeep cherokee 2000. 200 Cherokee Wiring Diagrams. 1999 jeep grand cherokee electrical diagram you are welcome to our site this is images about 1999 jeep grand cherokee 1999 47l jeep grand cherokee wiring diagram for the power distribution box looking for a really good copy of a 1998 Jeep Ignition Wiring Diagram Online Wiring Diagram. Jeep Cherokee XJ 1995-1999 Front Suspension. Jeep YJ 87-90 Parts List. ¬Manual de Taller Jeep Cherokee, Grand Cherokee y Wrangler 1994-1996 inglés. GENERAL INFORMATION 8W - 01 - 5 DESCRIPTION AND OPERATION (Continued) Wiring Diagram Symbols 8W - 01 - 6 8W - 01...
JEEP GRANG CHEROKEE 1999 - 2004 ... 1-+12 VOLT IGNITION WIRE. 12-Speaker ... JEEP 05TJ car stereo wiring diagram harness pinout connector subwoofer
Ignition System Circuit Wiring Diagram. 1993, 1994, 1995 4.0L Jeep Cherokee. Ignition Coil, CKP Sensor, CMP Sensor, ASD Relay Circuits. You can find a complete list of diagnostic tutorials and wiring diagrams for the 4.0L Jeep Cherokee here
Jeep Grand Cherokee Factory Service Manual, repair manuals, workshop manuals, wiring diagrams, owners manuals - free download more than 50 manuals! Download. Jeep Grand Cherokee 1999 - 2005 Electrical wiring diagrams.pdf. 690.6kb.
Jeep-Cherokee-Wiring-Diagram.jpg. JPG Image 44.9 KB. JEEP Car Manuals PDF & Wiring Diagrams above the page - Grand Cherokee, Liberty, Wrangler, Compass, WK, WJ, Patriot, JEEP Cars EWDs I need wiring diagram ignition switch Sistema for 2006 Honda element 4wd 2.4 thanks.
1999 Jeep Dash Light Wiring Diagram Wiring Diagram. Jeep Cherokee Spark Plug Wire Replacement Youtube. If there is a pictures that violates the rules or you want to give criticism and suggestions about 95 Jeep Cherokee Ignition Wiring Diagram please contact us on Contact Us page.
1993 Jeep Cherokee. 1993 WIRING DIAGRAMS Jeep Wiring Diagrams. Jeep; Cherokee IDENTIFICATION COMPONENT LOCATION MENU.
Jan 12, 2015 · Kindly please help me with a complete wiring diagram for Alfa Romeo 155v6 2.5 167(AIC)..1995 to show the Bosch Motronic 88 pin outs and the location on the car of the ignition COTROL module.Thanks a mil and Happy New Year from Nairobi.
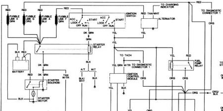
Description : Jeep Cherokee Xj Wiring Diagram 1999 Jeep Cherokee Ignition Wiring with regard to 1998 Jeep Cherokee Wiring Diagrams Pdf, image size 1045 X 655 Truly, we have been remarked that 1998 jeep cherokee wiring diagrams pdf is being just about the most popular topic right now.
1997 Jeep Cherokee Headlight Wiring Diagram Wiring. 1999 Grand Cherokee Power Windows Drivers Side Window. 96 Cherokee Wiring Diagram Diagrams Schematics And 1996 Jeep.
Effectively read a wiring diagram, one has to learn how typically the components within the program operate. For instance , when a module will be powered up and it also sends out the signal of fifty percent the voltage and the technician will not know this, he'd think he offers a challenge...
1999 1999 Jeep Cherokee Ignition Wiring Diagram Pictures Sep 13, 20201999 Jeep Cherokee Ignition Wiring Diagram from wwwomagazin Effectively read a cabling diagram, one has to know how typically the components within the program operate. For instance , in case a module is powered up...
The EJ201 and EJ202 engines had two ignition coils (one for each pair of cylinders, i.e. 1-2 and 3-4) which fired the spark plugs directly twice per cycle. The ignition knock control system had ‘fuzzy logic’ that enabled the maximum ignition advanced angle to be used without detonation since the programme continually adapted to changes in ...
1999 Jeep Cherokee Wiring Diagram Unique | Wiring Diagram Sep 22, 20181996 Jeep Grand 1999- wiring diagram is a simplified suitable pictorial representation of an electrical circuit shows the components of the circuit as simplified shapes, and the skill and signal links between the devices.
0 Response to "39 1999 jeep cherokee ignition wiring diagram"
Post a Comment