Iklan 300x250

40 predator 8750 wiring diagram

HF Predator 8750 generator | Tacoma World HF Predator 8750 generator. Discussion in 'Garage / Workshop' started by windsor, Dec 28, 2015. I figured I would share my experience with the Predator 8750 generator from HF. Wired to the back side of the 12v supply. There is a perfect gap in the protective housing where all the wiring and stuff is. Predator Generator 8750 Wiring Diagram 19.09.2018 19.09.2018... · Predator 8750 Wiring Diagram- wiring diagram is a simplified welcome pictorial representation of an electrical circuit.It shows the components of the circuit as simplified shapes, and the aptitude and signal friends amongst the devices. Seen 189 times.

Predator 8750 Generator Review - Read Before You Buy it. This predator 8750 generator comes with an easy operating system. It doesn't require to be an expert to use the generator. about 8750 generator. Re: the 120 volt 3 wire twist lock receptacle Vs. the 120/240 volt 4wire twist lock receptacle. They are of different NEMA configurations.

Predator 8750 wiring diagram

Predator 8750 wiring diagram

Predator 8750 generator auto start diy | All About Circuits | Forum I wanted to make the predator 8750 generator have the ability to start via dry contacts. I came up with and are doing a sketch and a circuit diagram that... Predator 8750 Wiring Diagram Generator Head... | autocardesign ...Head Wiring Diagram Wiring Diagram just push the gallery or if you are interested in similar Gallery of Predator 8750 Wiring Diagram Generator Head Wiring We always effort to show a picture with HD resolution or at least with perfect images. Popular of Predator 8750 Wiring Diagram Generator... Predator 420cc Engine Wiring Diagram - Wiring Site Resource 212 346 and 420cc horizontal engines. Or you can search for a more searchable search through the search box that is in the top corner of th...

Predator 8750 wiring diagram. Predator 8750 Generator how to start, Видео, Смотреть онлайн This was made for my wife to start our generator Видео Predator 8750 Generator how to start канала Ronald Anthony. Predator 8750 Generator Predator 8750 Generator from Harbor Freight Permanent Install in a Custom Built DIY Generator Shed. How to start the Predator 7000 8750 Generator. Trouble shooting tips. Both manual pull start and with the optional 12 volt battery ... Predator 8750 - 7000/8750W Portable Generator: User Review & Deals The Predator 8750 (63087) is a portable open frame generator with a rated wattage of 7000 W and a The Predator 8750 is EPA-approved and CARB-compliant. It can therefore be sold and purchased in It's wired through a transfer switch and easily powers our country home - including electric water... predator generator 8750 schematic - Search Predator 8750 Wiring Diagram - wiring diagram is a simplified welcome pictorial representation of an electrical circuit. Predator Generator 8750 Wiring Diagram. Harbor Freight Tools Manual Online: Wiring Diagram. DC coil R M O BL PI Wiring Diagram.

Predator 8750 Generator Review & Best features The predator 8750 generators is a heavy duty engine designed for people with high power requirements. The 7000 running watts, 13 horsepower generator is the best alternative during a power outage. Predator 8750 Generator Troubleshooting Recipes 2019-09-23 · Predator 8750 Wiring Diagram - wiring diagram is a simplified welcome pictorial representation of an electrical circuit. It shows the components of the circuit as simplified shapes, and the aptitude and signal friends amongst the devices. A wiring diagram usually gives guidance very... Predator Generator 8750 Wiring Diagram - schematron Sep 19... Predator generator wiring diagram on predator download wirning diagrams. Page 26 for generator technical questions please call 1 800 444 3353. I have a harbor freight predator generator 7000 8750 with electric start and i need a wiring diagram any suggestions on answered by a verified... Predator 8750 Wiring Diagram 9 Images - New Predator 8750 7000... Predator 8750 Wiring Diagram. Here are a number of highest rated Predator 8750 Wiring Diagram pictures on internet. We identified it from trustworthy source. Its submitted by admin in the best field. We take on this nice of Predator 8750 Wiring Diagram graphic could possibly be the most trending topic...

Autostart House Generator : 4 Steps - Instructables * Have an existing electric start generator like a Harbor Freight Predator 8750 known by many as a typical The faint diagram is what I got from Harbor Freight by calling their customer service. This is the wiring for my generator. It may work for you but I do recommend contacting your generators... HONDA - Car PDF Manual, Wiring Diagram & Fault Codes DTC Some HONDA Car Manuals PDF & Wiring Diagrams above the page - Civic, CR-V, Fit, Ridgeline, S2000, Accord, Odyssey, Element, Pilot; Honda Car EWDs. In 1946, the Japanese automobile company Honda was created. Its founder Soichiro Honda did not have the necessary engineering... PDF Manual: Rosemount 8750W Magnetic Flowmeter Platform for Utility... For sensor wiring diagrams, see Electrical Drawing 8750W-1504 in Appendix C: Wiring Diagrams. For information on connecting to another manufacturer's sensor, refer to Appendix D: Implementing a Universal Transmitter. Quick Installation and Start-Up. Predator 8750 Wiring Diagram - schematron.org Predator Generator 8750 Wiring Diagram. Harbor Freight Tools Manual Online: Wiring Diagram. DC coil R M O BL PI Wiring Diagram. Predator generator wiring diagram on predator download wirning diagrams. Page 26 for generator technical questions please call 1 800 444 3353.

Hakko Soldering Station HAKKO FX-889 - Wiring Diagram - Manuals+

Hakko Soldering Station HAKKO FX-889 - Wiring Diagram - Manuals+

Predator Generator 8750 Wiring Diagram 19.09.2018 19.09.2018... 23.09.2019 · Predator 8750 Wiring Diagram- wiring diagram is a simplified welcome pictorial representation of an electrical circuit.It shows the DC coil Portable Generator Harbor Freight Tools Predator generators Watt Owner's Manual. where can I get a view of the wiring diagrams for.

Wiring a remote start on H.F. Predator 3500 (gear forum at ...

Wiring a remote start on H.F. Predator 3500 (gear forum at ...

Wiring diagram for predator 8750 generator. I need to hook - Fixya Don't just look for wiring diagrams for that generator; but, do some google search on how generators are wired. That will help you sort out the issue I have the 8750/7000 watt predator and the EverStart ES9BS works great and fits well on the holder. It comes with the acid and you will need to add the...

Homelite PS903500 PowerStroke 3,500 Watt Generator Parts ...

Homelite PS903500 PowerStroke 3,500 Watt Generator Parts ...

Predator 8750 Generator Review [2020 Model] The Predator 8750 is a large-size generator designed for high power needs such as job sites, home repair/emergencies, food trucks/pop-ups and more Predator generators are known for their easy-to-understand instructions and instrument panels, and the 8750 is no different from others in the brand.

Wiring | DIY Forums

Wiring | DIY Forums

CAGIVA Motorcycle Manuals PDF - Motorcycles Manual Pdf, Wiring... CAGIVA Motorcycle Manuals PDF & Wiring Diagrams. Cagiva Canyon 600 Complete Schematic - Free Motorcycle, Scooter Wiring Diagrams; - Free Motorcycle Fault Codes DTC. Comments: 707. please send service manual and wireing diagram for a 2021 kayo predator 125 at...

PREDATOR 61725 OWNER'S MANUAL & SAFETY INSTRUCTIONS Pdf ...

PREDATOR 61725 OWNER'S MANUAL & SAFETY INSTRUCTIONS Pdf ...

PDF Owner's Manual & Safety Instructions back of the manual near the assembly diagram (or month and year of purchase if product has no number). Keep this manual and the receipt in a safe and dry place for future reference. productsupport@harborfreight.com Email our Engine support at: predator@harborfreight.com.

How Do You Get The Wiring Diagram Off The Internet For A 2000 ...

How Do You Get The Wiring Diagram Off The Internet For A 2000 ...

Another Generator Shed Build for the Predator 8750 - YouTube Parts list below. Our version of the generator shed. As part of our 2020 hurricane prep, and after installing an interlock kit into our electrical system...

17 Jeep ideas | jeep, jeep mods, jeep xj

17 Jeep ideas | jeep, jeep mods, jeep xj

Ford Wiring Diagrams Free Download | Carmanualshub.com Carmanualshub.com Automotive PDF manuals, wiring diagrams, fault codes, reviews, car manuals and news! Skip to content. Here are wiring diagrams for Ford Escort, F-series, Fiesta, Focus, Mustang, Ranger, Kuga and Many other's. Title. File Size.

XP4400E AVR wiring | Power Equipment Forum

XP4400E AVR wiring | Power Equipment Forum

Toyota Full Models 2006-2019 Electrical Wiring Diagram CD1_Online Type of document: Electrical Wiring Diagram Models List: TOYOTA 2006 4Runner Electrical Wiring Diagram (EM00T0U) TOYOTA 2006 Avalon Land Cruiser Electrical Wiring Diagram (EM0010U) TOYOTA 2006 Prius Electrical Wiring Diagram (EM01R0U) TOYOTA 2006 RAV4 Electrical Wiring...

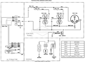
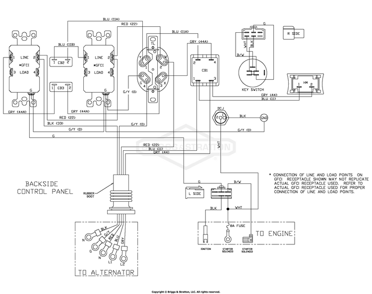
Briggs & Stratton Power Products_DEL_26072017021729 ...

Briggs & Stratton Power Products_DEL_26072017021729 ...

Predator 8750 generate will not start | Power Equipment Forum As Matt1097 said, I would make sure that the main jet is clear, and isn't partially restricted due to corrosion, a piece of grit, etc. You can do things like running a copper wire strand through the jet to help make sure there't nothing blocking it. If the testing points to a fuel problem, and cleaning doesn't help...

Portable generator neutral rewiring

Portable generator neutral rewiring

I Have a Harbor Freight Predator Generator 7000/8750 with ...Predator Generator 7000/8750 with Electric Start and I need a wiring Diagram any suggestions I have a PREDATOR 7000/8750 generator. Fired it up and started fine. Within 5 minutes, motor I have a wiring diagra, but am unclear which wife goes where because they are color cobed … read more.

Dormany Road: Predator 2000 Watt Generator Inverter

Dormany Road: Predator 2000 Watt Generator Inverter

Predator 420cc Engine Wiring Diagram - Wiring Site Resource 212 346 and 420cc horizontal engines. Or you can search for a more searchable search through the search box that is in the top corner of th...

MATLAB/Simulink diagram of TSBBC without PFC | Download ...

MATLAB/Simulink diagram of TSBBC without PFC | Download ...

Predator 8750 Wiring Diagram Generator Head... | autocardesign ...Head Wiring Diagram Wiring Diagram just push the gallery or if you are interested in similar Gallery of Predator 8750 Wiring Diagram Generator Head Wiring We always effort to show a picture with HD resolution or at least with perfect images. Popular of Predator 8750 Wiring Diagram Generator...

CHAMPION 100592 6250W Dual Fuel Generator User Guide - Manuals+

CHAMPION 100592 6250W Dual Fuel Generator User Guide - Manuals+

Predator 8750 generator auto start diy | All About Circuits | Forum I wanted to make the predator 8750 generator have the ability to start via dry contacts. I came up with and are doing a sketch and a circuit diagram that...

Harbor Freight Predator 4000W/3200W | Power Equipment Forum

Harbor Freight Predator 4000W/3200W | Power Equipment Forum

HENDI Convection steam oven manual NANO 5x GN2/3 User Manual ...

HENDI Convection steam oven manual NANO 5x GN2/3 User Manual ...

PREDATOR GENERATORS 6500 WATT OWNER'S MANUAL & SAFETY ...

PREDATOR GENERATORS 6500 WATT OWNER'S MANUAL & SAFETY ...

Interruptor de encendido y apagado para Harbor Freight ...

Interruptor de encendido y apagado para Harbor Freight ...

How to wire 240v generator plug - DoItYourself.com Community ...

How to wire 240v generator plug - DoItYourself.com Community ...

Cabela s Portable Generator User Manual - Manuals+

Cabela s Portable Generator User Manual - Manuals+

Descriptions, Photos and Diagrams of Low Oil Shutdown Systems ...

Descriptions, Photos and Diagrams of Low Oil Shutdown Systems ...

Honda EB3000c no spark | Power Equipment Forum

Honda EB3000c no spark | Power Equipment Forum

Wiring a remote start on H.F. Predator 3500 (gear forum at ...

Wiring a remote start on H.F. Predator 3500 (gear forum at ...

Where Can I Find A Wiring Diagram For A Harbor Freight 7000 ...

Where Can I Find A Wiring Diagram For A Harbor Freight 7000 ...

3200 watt Predator Generator convert to 120 volt only at 26 amps for RV use

3200 watt Predator Generator convert to 120 volt only at 26 amps for RV use

Predator 63965 6500 Watt Max Starting Gas Powered Generator ...

Predator 63965 6500 Watt Max Starting Gas Powered Generator ...

Briggs and Stratton Power Products 1021-0 - Megaforce 6500 ...

Briggs and Stratton Power Products 1021-0 - Megaforce 6500 ...

Predator Generator Running Our ENTIRE Home. (Complete Setup and Cost)

Predator Generator Running Our ENTIRE Home. (Complete Setup and Cost)

Diagrams | DIY Forums

Diagrams | DIY Forums

Owner's Manual & Safety Instructions

Owner's Manual & Safety Instructions

Old H/F generator in need of kill switch repair! Part 1

Old H/F generator in need of kill switch repair! Part 1

Help reading predator wiring diagram. | Polaris ATV Forum

Help reading predator wiring diagram. | Polaris ATV Forum

030663-01 Briggs and Stratton Generator 7,000 Watt ...

030663-01 Briggs and Stratton Generator 7,000 Watt ...

Briggs and Stratton Power Products 1021-0 - Megaforce 6500 ...

Briggs and Stratton Power Products 1021-0 - Megaforce 6500 ...

Briggs and Stratton Power Products 8762-1 - 580.328191, 3,500 ...

Briggs and Stratton Power Products 8762-1 - 580.328191, 3,500 ...

Unboxing and setup of the Predator 8750/7000 Generator

Unboxing and setup of the Predator 8750/7000 Generator

Installing Remote Start, Choke & Stop on your Generator for ...

Installing Remote Start, Choke & Stop on your Generator for ...

CHAMPION GLOBAL POWER EQUIPMENT 4250W Dual Fuel Inverter ...

CHAMPION GLOBAL POWER EQUIPMENT 4250W Dual Fuel Inverter ...

Briggs & Stratton 030477A-02 - 7,000 Watt Troy-Bilt XP ...

Briggs & Stratton 030477A-02 - 7,000 Watt Troy-Bilt XP ...

York Yc Yd Predator Technical Guide

York Yc Yd Predator Technical Guide

Predator 9000 - 7250/9000W Portable Generator: User Review ...

Predator 9000 - 7250/9000W Portable Generator: User Review ...

0 Response to "40 predator 8750 wiring diagram"

Post a Comment

Iklan Atas Artikel

Iklan Tengah Artikel 1

Iklan Tengah Artikel 2

Iklan Bawah Artikel