Iklan 300x250

36 echo blower fuel line diagram

Echo PB-200 and PB-201 Parts Diagrams Online - Lawnmower Pros Echo PB-200 and PB-201 Parts Diagram. Echo PB-200 and PB-201 Power Blower Parts available at LawnMowerPros. We are an Authorized Echo dealer carrying a large selection of Echo PB-200 and PB-201 Power Blower Parts ready to ship direct to your door. If you do not see the Power Blower Parts you need, please complete the Lawn Mower Parts Request ... Echo Blower Parts | Fast Shipping | eReplacementParts.com Popular Echo Blower Parts. Fuel Grommet. Part Number: 13211546730. In Stock, 25+ available. This is a genuine ECHO/Shindaiwa replacement part. It is compatible with over 150 machines listed below. The Fuel Line Grommet is placed into the fuel tank. The Vent tube, Fuel return line and fuel line are inserted through the three holes.

PDF Operator's Manual MODEL PB-265L - ECHO USA ECHO provides an operator's manual. It must be read and understood for proper and safe operation. ... • Do not use blower if any part is missing or damaged. ... The fuel tank/fuel line emission control system is EVAP (evaporative emissions). Evaporative emissions for California models may only be applicable to fuel tanks.

Echo blower fuel line diagram

Echo blower fuel line diagram

ECHO PB-250 Blower Parts Diagram SN P05412001001-P05412999999 ECHO PB-250 Parts for serial number P05412001001-P05412999999 available online and ready to ship direct to your door. Our parts diagrams are a great resource for ECHO Blower parts lookup. These illustrated parts diagrams include top repair parts like carburetors, trimmer heads, throttle triggers and primer bulbs for the ECHO PB-250 Blower. Operator's Manual MODEL PB-250 - ECHO USA Power Blower Operator's Manual MODEL PB-250 X750012944 12/11 X7501182004 ... ECHO recommends wearing hearing protection whenever unit is used. ... and TWC (3-way catalyst). The fuel tank/fuel line emission control system is EVAP (evaporative emissions). Evaporative Line Fuel Blower Diagram Echo [A5FMXY] Echo Blower Fuel Line Diagram. the blower 3. No fuel at cylinder. Replace a fuel line that's brittle or damaged. We supply Lawnmower blades, drive belts, handles, wheels height adjuster and service kits. Clean/replace air filter. The prime bulb has 2 plastic looking connections on the back side of it, 1 bigger than the other.

Echo blower fuel line diagram. Blower Line Fuel Diagram Echo [8XVLY0] 30: Integrated blower design. Homelite Blower Fuel Line Diagram. Fits: ECHO SHC-260 SHC-261 SHC 260 261 Hedge trimmer and many echo homelite line trimmer. i have purchased the 2 various sizes of fuel line but not sure what needs to. Genuine and aftermarket mower repair parts for Toro, Scag, Lawn-Boy, Honda, EGO, Kohler, Kawasaki and more. Line Diagram Blower Echo Fuel [V1G8ZQ] Search: Echo Blower Fuel Line Diagram. About Diagram Fuel Blower Echo Line Basic Troubleshooting Steps for Echo PB-413h Leaf Blowers ... This line is the return line and it connects from the fuel tank grommet to the purge pump body to the connector closest to the air filter. This connector has a single barb at the end to secure the return line. This line is not submerged in the fuel. If your Echo-PB413H has a different serial number, you may see a third fuel line which holds the ... Line Fuel Blower Diagram Echo [BLWKDO] Search: Echo Blower Fuel Line Diagram. About Fuel Line Blower Echo Diagram

Echo Leaf Blower Fuel Supply Line Replacement ... - YouTube This video provides step-by-step instructions for replacing the fuel supply line on Echo leaf blowers. The most common reason for replacing the line is when ... Echo Parts - Echo Chainsaw Parts - Cs-370 - 370 Fuel ... Fuel Filter For Shindaiwa Chainsaws and Trimmers, Echo Chainsaws, Backpack Blowers, Brushcutters and Trimmers Under 40 cc New OEM A369000470. Item: Fuel Filter PN: OEM A369000470 Replaces: 13120514931, 13120002830, 13120021330, 13120005330, 13120514930, 131200-02830, 13120500830, 13120505230, 13120005230 Model Fit: Most Echo Chainsaws, Trimmers, Backpack Blowers and... Need blower fuel line connection instructions or very good ... Get shopping advice from experts, friends and the community! Blower part # 358.797200. Blower fuel lines crumbled due to age. Ordered the fuel lines and filter but the no "real" instructions came with them and neither did the 2 small fittings. Now out $20 and still broken blower. I need an assembled fuel tank with all fittings and lines or a diagram of how to fit everything together and the ... Echo Leaf Blower Fuel Line Kit Installation #90129 - Repair ... This video provides step-by-step instructions for installing a fuel line kit (replacing the fuel tank grommet, fuel lines, fuel filter, vent line, and vent) on Echo and Shindaiwa leaf blowers. The most common reason for replacing any of these parts is when the leaf blower is leaking fuel and the part is worn.

Echo PB-210E - Echo Handheld Blower Parts (Type 1) Fuel ... Fuel System, Ignition, Starter diagram and repair parts lookup for Echo PB-210E - Echo Handheld Blower Parts (Type 1) I cannot get the Echo Primer bulb to fill with fuel. What ... I just replaced the primer bulb on my Ryobi 325r trimmer, but I'm not sure how the fuel lines are supposed to hook up. There are two holes in the … read more. My Echo PB-500H blower will start but will cut off after running a few minutes and the primer bulb will not release when primed. What can be the … read more. Echo Blowers Parts with Diagrams - PartsTree All models of Echo Blowers. Fix it fast with OEM parts list and diagrams. ... Echo Blowers Parts Lookup & Diagrams Echo Blowers Parts Lookup & Diagrams Echo Blowers ( 86 Models ) CBL-58V (107946001) - Echo Blower Parts, 58V Battery, Revision 05 (2018-03) CPLB-58V (107188001) - Echo Blower Parts, 58V Battery, Revision 09 (2018-04) ... BLOWERS - Echo Parts Online Quick view. PB-2520 Handheld SN: P47115001001-P4711599999 - Fuel System Parts lookup. Parts lookup and diagram for your Echo PB-2520 2 Handheld SN: P46814001001 - P46814999999 Fuel System. Best Price of the market and Premium Support.

Echo SRM-225 Trimmer Fuel Lines Replacement - iFixit Repair Guide

Echo SRM-225 Trimmer Fuel Lines Replacement - iFixit Repair Guide

Echo Backpack Blower | PB-755T | eReplacementParts.com Echo PB-755T (07001019 - 07999999) Backpack Blower Parts. Search within model. Maintenance Kits. Tune-Up Kit. $25.13. Add to Cart. 90161Y. bubbles. Questions & Answers.

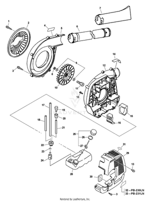
Echo PB-230LN S/N: 06001001 - 06999999 Handheld Blower ...

Echo PB-230LN S/N: 06001001 - 06999999 Handheld Blower ...

Parts Lookup - BLOWERS - Page 1 - ECHO PARTS ONLINE PB-9010T SN P53415001001 - P53415999999 - Blower Tubes Parts lookup. Parts lookup and diagram for your Echo PB-9010T SN P53415001001 - P53415999999 Blower Tubes. Best Price of the market and Premium Support. View Details.

Basic Troubleshooting Steps for Echo PB-413h Leaf Blowers ...

Basic Troubleshooting Steps for Echo PB-413h Leaf Blowers ...

Echo PB-500T S/N: P31212001001-P31212999999 Parts Diagrams Echo PB-500T S/N: P31212001001-P31212999999 Parts Diagrams. Parts Lookup - Enter a part number or partial description to search for parts within this model. There are (290) parts used by this model. PISTON ASY.

Echo PB-2520 - Echo Handheld Blower Parts (SN: P46814001001 ...

Echo PB-2520 - Echo Handheld Blower Parts (SN: P46814001001 ...

Echo Fuel Diagram Blower Line [KMJS1A] Search: Echo Blower Fuel Line Diagram. About Fuel Diagram Echo Line Blower

Echo PB-620 - Echo Backpack Blower Parts (SN: 09001001 ...

Echo PB-620 - Echo Backpack Blower Parts (SN: 09001001 ...

Fuel Blower Line Echo Diagram [5UI4WD] What is Echo Blower Fuel Line Diagram. Come with 2x air filters, 2x …. Echo CS-601SVL Parts Diagram for Fuel Line. Flat Rate Shipping Available. The anode recirculation blower is a key component in the hydrogen path of a fuel-cell system. Echo's 58V Blower gets a boost in power over most of the competition thanks to the higher voltage battery.

Echo PB-8010T - Echo Backpack Blower Parts (SN: P49515001001 ...

Echo PB-8010T - Echo Backpack Blower Parts (SN: P49515001001 ...

How to Change Echo Fuel Lines. - YouTube In this video i teach you how to change Echo fuel lines. In this video i teach you how to change Echo fuel lines.

Hans Sauer GmbH - Ersatzteile Festool (und ehem. Protool) RW ...

Hans Sauer GmbH - Ersatzteile Festool (und ehem. Protool) RW ...

Echo Diagram Blower Line Fuel [T16OEH] Search: Echo Blower Fuel Line Diagram. About Line Blower Echo Diagram Fuel

How to rebuild a leaf blower carburetor | Repair guide

How to rebuild a leaf blower carburetor | Repair guide

Echo Blower Line Diagram Fuel [REUSMG] Echo Blower Fuel Line Diagram Discover over 129 of our best selection of 1 on AliExpress. PB-24LN - Echo Handheld Blower Parts. Equipped with a powerful 48cc two-cycle engine, it is capable of incredible high-velocity air speeds up to 200 MPH and airflow up to 475 CFM. Examine it to ensure that the shutter is clean.

Echo Handheld Blower | PB-200 | eReplacementParts.com

Echo Handheld Blower | PB-200 | eReplacementParts.com

How to replace leaf blower fuel lines | Repair guide Fuel lines can clog, crimp or crack. Damaged leaf blower gas lines restrict gas flow and prevent the engine from starting and running. Clear clogs and check for crimps or cracks in the fuel lines. Replace any cracked or damaged leaf blower fuel lines with a manufacturer-approved gas leaf blower part.

Basic Troubleshooting Steps for Echo PB-413h Leaf Blowers ...

Basic Troubleshooting Steps for Echo PB-413h Leaf Blowers ...

Amazon.com: echo trimmer fuel line MDAIRC Carburetor with Fuel Line Kit Echo Trimmer, for Zama RB-K85 Echo PB-265L PB-251 PB-265LN Blower A021001350 A021001351 A021001352 K90 K106 4.6 out of 5 stars 145 $17.99 $ 17 . 99

How to Change Echo Fuel Lines.

How to Change Echo Fuel Lines.

Echo PB-2100 Type 1E Parts Diagram for Ignition, Starter ... Echo PB-2100 Type 1E Ignition, Starter, Fuel System Exploded View parts lookup by model. Complete exploded views of all the major manufacturers. It is EASY and FREE

Fuel Tank Grommet 2 Hole Echo Hc 161 180 and 50 similar items

Fuel Tank Grommet 2 Hole Echo Hc 161 180 and 50 similar items

Line Fuel Blower Diagram Echo [A5FMXY] Echo Blower Fuel Line Diagram. the blower 3. No fuel at cylinder. Replace a fuel line that's brittle or damaged. We supply Lawnmower blades, drive belts, handles, wheels height adjuster and service kits. Clean/replace air filter. The prime bulb has 2 plastic looking connections on the back side of it, 1 bigger than the other.

Replace Ryobi PBV-30A WYC-6 Blower Fuel Line Fuel Filter Primer Bulb  680577575554 | eBay

Replace Ryobi PBV-30A WYC-6 Blower Fuel Line Fuel Filter Primer Bulb 680577575554 | eBay

Operator's Manual MODEL PB-250 - ECHO USA Power Blower Operator's Manual MODEL PB-250 X750012944 12/11 X7501182004 ... ECHO recommends wearing hearing protection whenever unit is used. ... and TWC (3-way catalyst). The fuel tank/fuel line emission control system is EVAP (evaporative emissions). Evaporative

Cauretor Ca Air Filter Kit for Echo PB-580 Echo Backpack ...

Cauretor Ca Air Filter Kit for Echo PB-580 Echo Backpack ...

ECHO PB-250 Blower Parts Diagram SN P05412001001-P05412999999 ECHO PB-250 Parts for serial number P05412001001-P05412999999 available online and ready to ship direct to your door. Our parts diagrams are a great resource for ECHO Blower parts lookup. These illustrated parts diagrams include top repair parts like carburetors, trimmer heads, throttle triggers and primer bulbs for the ECHO PB-250 Blower.

How to Replace Fuel Lines on 2-Cycle Engines ...

How to Replace Fuel Lines on 2-Cycle Engines ...

Echo PB-260L S/N: 05001001-05999999 Parts Diagram for Fuel System

Echo PB-260L S/N: 05001001-05999999 Parts Diagram for Fuel System

Echo Shindaiwa_DEL_15072017062556 PB-755ST S/N: P04213001001 ...

Echo Shindaiwa_DEL_15072017062556 PB-755ST S/N: P04213001001 ...

Amazon.com : OEM Genuine Echo 90015 (7 FEET) Black Rubber 2 ...

Amazon.com : OEM Genuine Echo 90015 (7 FEET) Black Rubber 2 ...

How to tell where to correctly connect what fuel line on a weed eater,  trimmer, leaf blower or edger

How to tell where to correctly connect what fuel line on a weed eater, trimmer, leaf blower or edger

Echo Hochdruckreiniger HPP-1890 - Echo Pressure Washer, S/N ...

Echo Hochdruckreiniger HPP-1890 - Echo Pressure Washer, S/N ...

Echo Handheld Blower | PB-251 | eReplacementParts.com

Echo Handheld Blower | PB-251 | eReplacementParts.com

Echo 90098Y Fuel System Maintenance Kit

Echo 90098Y Fuel System Maintenance Kit

Stihl 009 fuel tank vent line needs replacement in Chainsaws

Stihl 009 fuel tank vent line needs replacement in Chainsaws

Echo PB-251 S/N: 09001001 - 09999999 Parts Diagram for Fuel ...

Echo PB-251 S/N: 09001001 - 09999999 Parts Diagram for Fuel ...

النثر الفصل أخضر echo srm - woodridgeapartmentliving.com

النثر الفصل أخضر echo srm - woodridgeapartmentliving.com

allthumbsdiy-echo-pb-413h-leaf-blower-gas-cap-diagram-fl ...

allthumbsdiy-echo-pb-413h-leaf-blower-gas-cap-diagram-fl ...

Echo Leaf Blower Fuel Line Kit Installation #90129

Echo Leaf Blower Fuel Line Kit Installation #90129

Luftfilter ab 02/2107 | MS-430.4 U | Viertakt-Geräte | Benzin ...

Luftfilter ab 02/2107 | MS-430.4 U | Viertakt-Geräte | Benzin ...

SOLVED: Homelite UT-08544 fuel line which one goes to bulb ...

SOLVED: Homelite UT-08544 fuel line which one goes to bulb ...

Echo Pb-770H, Pb-770T All Weather Fuel Line Kit 91204

Echo Pb-770H, Pb-770T All Weather Fuel Line Kit 91204

Husqvarna 125B Blower - Fuel Line | Page 2 | LawnSite™ is the ...

Husqvarna 125B Blower - Fuel Line | Page 2 | LawnSite™ is the ...

Echo PB-250 S/N: P36826001001 - P36826999999 Parts Diagram ...

Echo PB-250 S/N: P36826001001 - P36826999999 Parts Diagram ...

58.2 cc Gas Backpack Blower, 510 cfm Max. Air Flow, 215 mph Max. Air Speed

58.2 cc Gas Backpack Blower, 510 cfm Max. Air Flow, 215 mph Max. Air Speed

Echo PB-2100 - Echo Handheld Blower Parts (Type 1E) Ignition ...

Echo PB-2100 - Echo Handheld Blower Parts (Type 1E) Ignition ...

Volvo Penta 32 Alternator, Charging, Electric Motor, Electric ...

Volvo Penta 32 Alternator, Charging, Electric Motor, Electric ...

FUEL LINE KIT

FUEL LINE KIT

0 Response to "36 echo blower fuel line diagram"

Post a Comment

Iklan Atas Artikel

Iklan Tengah Artikel 1

Iklan Tengah Artikel 2

Iklan Bawah Artikel