Iklan 300x250

36 kenmore sewing machine parts diagram

Is there a sewing machine parts diagram technical book ... The second image shows the parts list diagram page that includes the reverse stitch lever. You can view a full parts list diagram for the sewing machine on the Sears PartsDirect website. Use the full model number of your sewing machine (385.17928090) to access the parts list diagram for your machine. Kenmore Sewing Machine Parts - Etsy Sears Kenmore Sewing Machine Accessories Parts Buttonhole Plastic Case Ad by MarthaSchumer Ad from shop MarthaSchumer MarthaSchumer From shop MarthaSchumer. 5 out of 5 stars (27) $ 25.00 FREE shipping More like this Add to Favorites Kenmore 158.19460 and 158.19461 Sewing Machine Manual (PDF download) - Quality Scan 19460 19461 ...

Kenmore 15817810 sewing machine parts | Sears PartsDirect Kenmore 15817810 sewing machine parts - manufacturer-approved parts for a proper fit every time! We also have installation guides, diagrams and manuals to help you along the way!

Kenmore sewing machine parts diagram

Kenmore sewing machine parts diagram

Kenmore 148 manuals Archives - sewconsult.com Kenmore 148 source instruction manuals. sewconsult.com. Sewing machine instruction, user, service and repair manuals Kenmore Sewing Machine Instruction Manuals and Repair Manuals We provide a picture of the machine in the manual listed, if your machine doesn't match the picture, it means that manual is not for your machine. Don't order it, without contacting us first.. Important Kenmore tip! The Numbers 1120, 2156, 6186 are not machine model numbers!!! They're model numbers for something else. Kenmore Washing Machine Parts Diagram | Automotive Parts ... Description: Whirlpool Llr9245Bq1 Direct-Drive Washer Timer - Stove Clocks And in Kenmore Washing Machine Parts Diagram, image size 752 X 1028 px, and to view image details please click the image.. Honestly, we have been noticed that kenmore washing machine parts diagram is being one of the most popular issue right now. So we tried to locate some great kenmore washing machine parts diagram ...

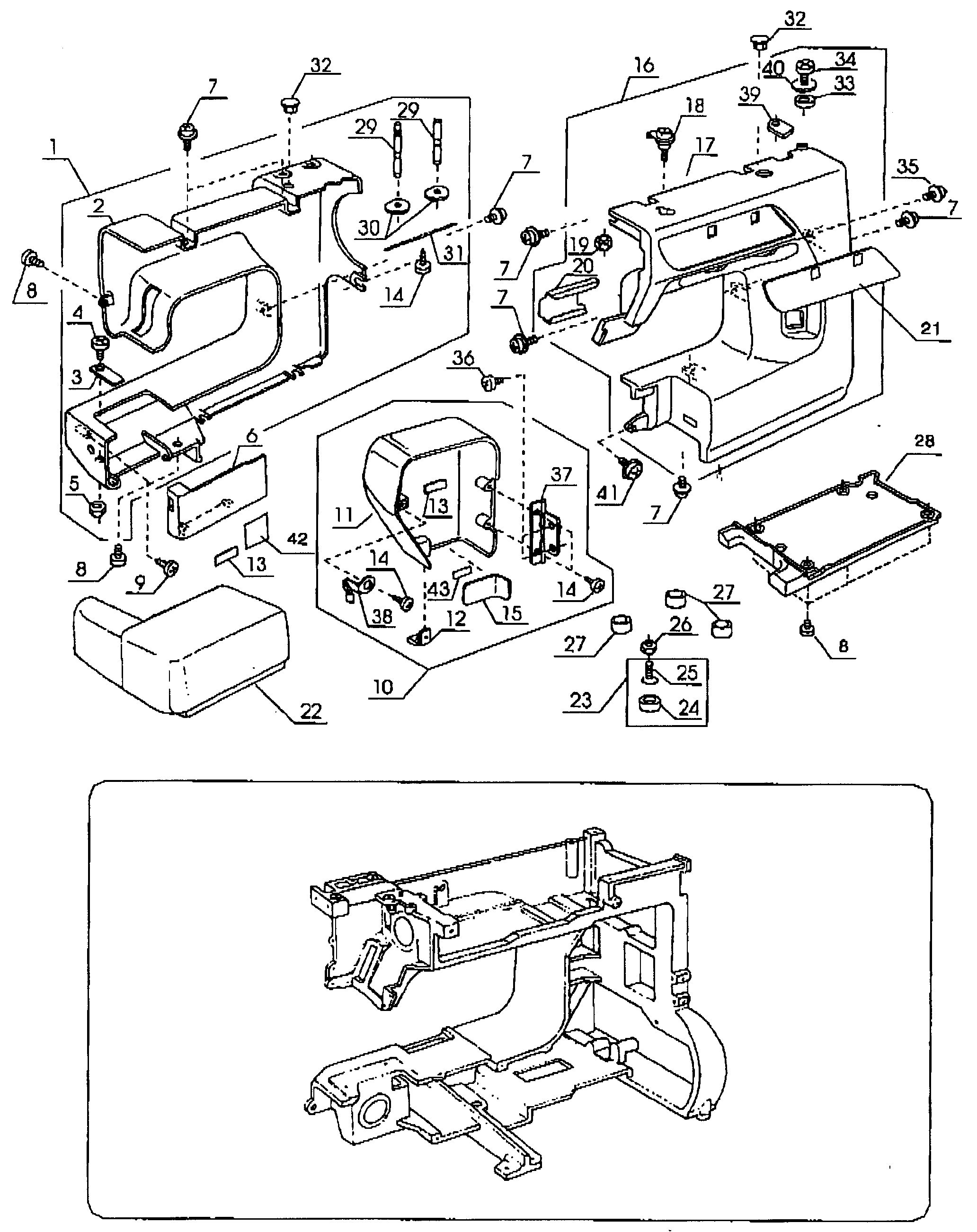
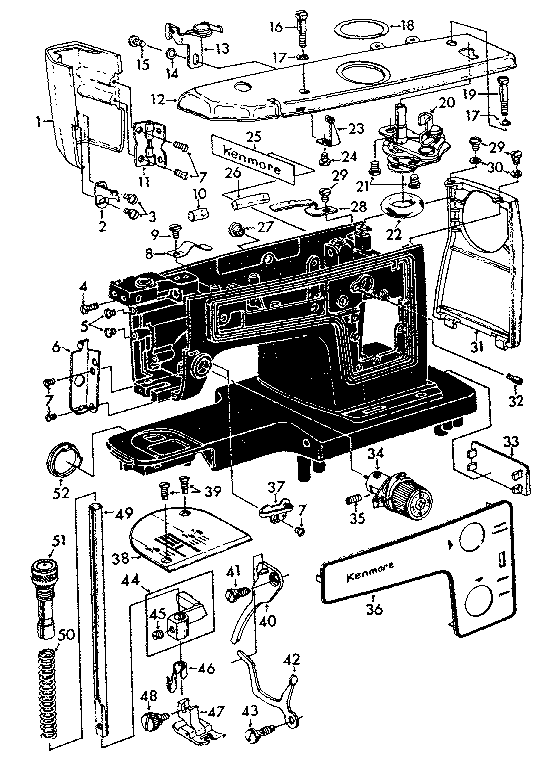
Kenmore sewing machine parts diagram. Free Kenmore Sewing Machine User Manuals - ManualsOnline.com Kenmore Sewing Machine 1941. Kenmore Sewing Machine User Manual. Pages: 50. See Prices. Showing Products 1 - 50 of 95. Kenmore Sewing machine Parts, Orders over $20 Ship FREE! 1 & 2 day shipping. Orders are shipped fast from our Cleveland Ohio location. Warranty Information > All items on our website are brand new. If the item you purchased from us fails in the first 90 days, you may send the item back to us and we will replace it at no charge. Therese. 01/08/2022. How To Thread A Kenmore Sewing Machine Model 385 Diagram ... Page 45 machine now that you have purchased your kenmore sewing machine should a need ever ex st lor repair parts or service simpty contact your nearest sears serv ce center be sure to prov de all pertinent tacts when you cal or visit the model number wilt be shown on the nomenclature page 4 for location. Kenmore Sewing Machine Tension Assembly Diagram Kenmore Part - Tension Assembly - Pristine. Kenmore Sewing Machine Parts We carry replacement parts, repair parts and accessories for You depend on your Kenmore sewing machine for hobby projects, to mend clothing and to create unique items for gifts. Parts Diagram For Craftsman 24" Snow Thrower Click to Chat We're available to chat.

PDF Sewing Machines 121307 - Sears Archives SEWING MACHINES. Machine Model Identification Nomenclature Model Number Years Produced SEWING MACHINES Kenmore Long Shuttle 117.36 1954 Kenmore Long Shuttle 117.361 1954 Minnesota "E" 117.38 1939 Franklin 117.4 1938 Challenge Long Shuttle 117.40 1939 Franklin Rotary 117.41 1943 Kenmore Sewing Machine Parts Diagram | Automotive Parts ... kenmore sewing machine parts diagram - here you are at our site. At this time were pleased to announce we have found an extremely interesting niche to be pointed out, namely kenmore sewing machine parts diagram. Some people trying to find details about kenmore sewing machine parts diagram and definitely one of them is replace tension dial 14815600 Kenmore Kenmore sewing ... You can view the parts diagram for the machine through this link:  Kenmore Sewing Machine Model 148.15600 Repair Parts.   Your details indicate that you have already viewed the parts diagram.    There appears to be a set screw (Key 35 on the Base Assembly Page) that holds the tension dial in place. You may be able to loosen ... Amazon.com: kenmore sewing machine model 385 parts 1-48 of 278 results for "kenmore sewing machine model 385 parts" Price and other details may vary based on product size and color. Complete Foot Pedal + Cord #033770217 For SOME Kennmore 385 Series, Singer from Searss LISTED BELOW. 4.7 out of 5 stars 235. $26.00 $ 26. 00. Get it as soon as Tue, Feb 22.

Sewing Machine Parts Diagram.kenmore Sewing Machine Parts ... sewing machine parts diagram.kenmore sewing machine parts diagram.riccar sewing machine parts diagram|sewing machine parts diagram Kenmore Sewing Machine Parts | Sewing Insight Finding Replacement Parts for Your Kenmore Sewing Machine. When it comes to servicing newer Kenmore sewing machines, finding replacement parts is a breeze. Since being taken over by Janome, parts for current Kenmore sewing machines are readily available. Taking care of a vintage Kenmore sewing machine, however, is another story altogether. Kenmore Sewing Machine: Models, History, Value Sears carried its first Kenmore sewing machine model from 1913-1919. This treadle-powered model sold for just $6.75! You probably spend this amount on a cup of coffee at Starbucks now, but in the early 1900s, the price would have been equal to about $180 today. Kenmoresewingmanuals.com - Kenmore sewing machine ... Kenmore sewing machine instruction and service manuals Available for instant download or we can print them for you Kenmore Manuals Click on model sections below or use the search feature.

Kenmore 14815600 mechanical sewing machine parts | Sears ...

Kenmore 14815600 mechanical sewing machine parts | Sears ...

Sears Kenmore Sewing Machine Manual Model 2142 Download Sears Kenmore Sewing Machine Manual Model 2142 Thank you totally much for downloading sears kenmore sewing machine manual model 2142.Maybe you have knowledge that, people have see numerous times for their favorite books in the same way as this sears kenmore sewing machine manual model 2142, but end up in harmful downloads.

Manual Kenmore 385.16765 Sewing Machine

Manual Kenmore 385.16765 Sewing Machine

Kenmore : A1 Sewing Machine Specialists We can supply parts for most models of Kenmore sewing machines and Sergers. We are working to get the most popular parts up on these pages. If you do not see what you need it does not mean we do not carry it just have not been able to get it on the site yet.

Kenmore 148.27 - 148.39 Sewing Machine Service-Parts Manual

Kenmore 148.27 - 148.39 Sewing Machine Service-Parts Manual

Kenmore Sewing Machine Tension Assembly Diagram Kenmore Sewing Machine Parts We carry replacement parts, repair parts and accessories for You depend on your Kenmore sewing machine for hobby projects, to mend clothing and to create unique items for gifts. Parts Diagram For Craftsman 24" Snow Thrower Click to Chat We're available to chat.

Page 12 of Kenmore Sewing Machine 385. 17620 User Guide ...

Page 12 of Kenmore Sewing Machine 385. 17620 User Guide ...

PDF OWNER'S MANUAL - Sears Parts Direct Kenmore Sewing, Machine Record in space provided below the model number and serial number of this appliance. The model number and serial number are located on the nomenclature plate, as identified on Page 4 of this booklet. Model No. 385. Serial No, Retain these numbers for future reterence. THIS MODEL 1SA CENTER NEEDLE, LOW BAR SEWING MACHINE.

Kenmore 158.12121 1229 1239 1241 1251 1252 1341 Instruction ...

Kenmore 158.12121 1229 1239 1241 1251 1252 1341 Instruction ...

Kenmore Sewing Machine Model 158.541 Parts & Attachments Browse our selection of Kenmore sewing machine parts, attachments & accessories for your Kenmore Sewing Machine Model 158.541 at SingerOnline.com.

Kenmore 158.350 - 158.351 - 158.352 - 158.353 Sewing Machine Manual PDF

Kenmore 158.350 - 158.351 - 158.352 - 158.353 Sewing Machine Manual PDF

kenmore sewing machine 158.504 - Service Manual free ... kenmore sewing machine 158.504 : Full Text Matches - Check >> kenmore sewing machine 158.504 : Forum Matches - Check >> ... Also includes Sears Kenmore website address and phone # for Kenmore parts look up. 425 kB: 37171: Kenmore: 110.92273100: sewing machine.pdf ... Electrical Diagram for Kenmore laundary system. Get thousands of Manuals ...

Kenmore 385.16221 Sewing Machine Manual PDF

Kenmore 385.16221 Sewing Machine Manual PDF

Amazon.com: Kenmore Sewing Machine Parts 2 Pieces Fit Singer Kenmore Japanese Sewing Machine Metal Screw-in Drive-in Spool Pins Thread Holder Domestic Home Sewing Machine Spare Part 4.3 out of 5 stars 112 $12.99 $ 12 . 99

Kenmore 385 15358 sewing machine user manual by David Mannock ...

Kenmore 385 15358 sewing machine user manual by David Mannock ...

Kenmore sewing machine parts | Sears PartsDirect Find the Sears Kenmore sewing machine parts you need to fix any sewing machine failure. We have Kenmore sewing machine 385 parts and accessories as well as parts for other Kenmore models. Use the Kenmore sewing machine parts diagram for your model to look up the replacement parts you need to keep your machine running in top condition.

Kenmore 385.17824090 Sewing Machine Manual PDF

Kenmore 385.17824090 Sewing Machine Manual PDF

Kenmore Sewing Machine Parts & Kenmore Serger Parts Kenmore Sewing Machine Parts Kenmore was once a leader in the sewing machine industry, having dominated the market before ceasing production 100 years after building their 1st sewing machine in 1913. Owned by the Sears Company, Kenmore was known for manufacturing reliable and innovative appliances- growing with Americans as we entered the new ...

SERVICE MANUAL - Sears Parts Direct | Manualzz

SERVICE MANUAL - Sears Parts Direct | Manualzz

Kenmore 158.12270 Sewing Machine Parts Kenmore 158.12270 Parts. These parts and accessories are guaranteed to fit your Kenmore 158.1227 Sewing Machine. $3.99 $2.99. Save 25%. Light Bulb, Turn & Lock (15 Watt) See Options. $7.99 $4.99. Save 38%. 10pk Metal Bobbins, Class 15 #2518-A.

Kenmore Machine Parts – The Silk Pincushion

Kenmore Machine Parts – The Silk Pincushion

Sewing Machine Parts : A1 Sewing Machine Specialists Our warehouse's have over 60,000 parts in stock for immediate shipment for both home and industrial sewing machines and Sergers. We also have parts for antique and vintage sewing machines. If you are in need of some obsolete part, we might be able to find what you need from our sewing machine junk yard. In addition, we stock new replacement ...

Kenmore Sewing Machine Manual Type2[1] - [PDF Document]

Kenmore Sewing Machine Manual Type2[1] - [PDF Document]

Kenmore Washing Machine Parts Diagram | Automotive Parts ... Description: Whirlpool Llr9245Bq1 Direct-Drive Washer Timer - Stove Clocks And in Kenmore Washing Machine Parts Diagram, image size 752 X 1028 px, and to view image details please click the image.. Honestly, we have been noticed that kenmore washing machine parts diagram is being one of the most popular issue right now. So we tried to locate some great kenmore washing machine parts diagram ...

Kenmore 38515516000 mechanical sewing machine parts | Sears ...

Kenmore 38515516000 mechanical sewing machine parts | Sears ...

Kenmore Sewing Machine Instruction Manuals and Repair Manuals We provide a picture of the machine in the manual listed, if your machine doesn't match the picture, it means that manual is not for your machine. Don't order it, without contacting us first.. Important Kenmore tip! The Numbers 1120, 2156, 6186 are not machine model numbers!!! They're model numbers for something else.

Kenmore Sewing Machine Manual – Model 158.17851 – Laughter On ...

Kenmore Sewing Machine Manual – Model 158.17851 – Laughter On ...

Kenmore 148 manuals Archives - sewconsult.com Kenmore 148 source instruction manuals. sewconsult.com. Sewing machine instruction, user, service and repair manuals

Sears Kenmore 158.10401 (Model 1040) Sewing Machine – A ...

Sears Kenmore 158.10401 (Model 1040) Sewing Machine – A ...

Page 10 of Kenmore Sewing Machine 385.16120200 User Guide ...

Page 10 of Kenmore Sewing Machine 385.16120200 User Guide ...

Instruction Manual For Kenmore Sewing Machine

Instruction Manual For Kenmore Sewing Machine

Kenmore 385.1168280 - 11682 Sewing Machine Manual PDF

Kenmore 385.1168280 - 11682 Sewing Machine Manual PDF

Kenmore 158.1340280 - 158.1340281 Sewing Machine Manual

Kenmore 158.1340280 - 158.1340281 Sewing Machine Manual

Kenmore 1430, 1431, 1625, 1641, 1940, 1941 PARTS LIST, 48

Kenmore 1430, 1431, 1625, 1641, 1940, 1941 PARTS LIST, 48

Kenmore Sewing Machine Troubleshooting and Repair Guide

Kenmore Sewing Machine Troubleshooting and Repair Guide

Kenmore 158.17560 Sewing Machine Instruction Manual | Sewing ...

Kenmore 158.17560 Sewing Machine Instruction Manual | Sewing ...

Service Manual, Kenmore 385.17822490

Service Manual, Kenmore 385.17822490

Kenmore 158.11101 - 158.1110180 Sewing Machine Manual

Kenmore 158.11101 - 158.1110180 Sewing Machine Manual

KENMORE 385.16221 OWNER'S MANUAL Pdf Download | ManualsLib

KENMORE 385.16221 OWNER'S MANUAL Pdf Download | ManualsLib

Vintage Sears Kenmore Sewing Machine Model 158.13414 w/o Foot Pedal - as is  | eBay

Vintage Sears Kenmore Sewing Machine Model 158.13414 w/o Foot Pedal - as is | eBay

How to Thread a Kenmore Sewing Machine (with Pictures) - wikiHow

How to Thread a Kenmore Sewing Machine (with Pictures) - wikiHow

Kenmore 385 Models Instruction Manuals

Kenmore 385 Models Instruction Manuals

Kenmore 158.1515 158.15150 instruction manual ...

Kenmore 158.1515 158.15150 instruction manual ...

Kenmore 385.1154180 Sewing Machine Manual PDF

Kenmore 385.1154180 Sewing Machine Manual PDF

KENMORE 385.190011890 SERVICE MANUAL Pdf Download | ManualsLib

KENMORE 385.190011890 SERVICE MANUAL Pdf Download | ManualsLib

Kenmore Model 29 Instruction Book - mrsewing

Kenmore Model 29 Instruction Book - mrsewing

KENMORE KENMORE SEWING MACHINE Parts | Model 3851274180 ...

KENMORE KENMORE SEWING MACHINE Parts | Model 3851274180 ...

How to Thread a Kenmore Sewing Machine (with Pictures) - wikiHow

How to Thread a Kenmore Sewing Machine (with Pictures) - wikiHow

Green Sears Kenmore 158.17511 (Model 1751) Sewing Machine – A ...

Green Sears Kenmore 158.17511 (Model 1751) Sewing Machine – A ...

Shop for KENMORE SEARS SEWING MACHINE repair parts for model ...

Shop for KENMORE SEARS SEWING MACHINE repair parts for model ...

0 Response to "36 kenmore sewing machine parts diagram"

Post a Comment

Iklan Atas Artikel

Iklan Tengah Artikel 1

Iklan Tengah Artikel 2

Iklan Bawah Artikel