39 troy bilt horse xp deck diagram
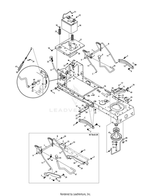
Diagram Troy Bilt Mower Deck [GP7H62] Search: Troy Bilt Mower Deck Diagram. About Bilt Deck Troy Mower Diagram Troy Bilt Horse XP (13YX79KT011) (2016) Parts Diagram for Deck Troy Bilt Horse XP (13YX79KT011) (2016) Deck Exploded View parts lookup by model. Complete exploded views of all the major manufacturers. It is EASY and FREE
Troy Bilt Horse Wiring Diagram - Wiring Sample Shop online for oem wiring diagram parts that fit your troy bilt 13wx79kt011 horse xp 2011 search all our oem parts or call at 717 375 1021. At troy bilt we build outdoor power equipment that works as hard as you do. Read reviews and learn more about the horse 46 troy bilt riding lawn mower. Troy bilt 13ax60tg766 parts list and diagram.

Troy bilt horse xp deck diagram
Troy Bilt 13YX79KT011 Horse XP (2015) Mower Deck Parts Diagram Troy Bilt 13YX79KT011 Horse XP (2015) Mower Deck Exploded View parts lookup by model. Complete exploded views of all the major manufacturers. It is EASY and FREE Troy-Bilt Parts Diagrams Lookup Parts by Diagram. Use our parts diagram tool below to find the parts you need for your machine. Select the model and year, then browse the parts diagrams to find the right part. Add to cart when you're ready to purchase and we'll ship it to you as soon as possible! Financing Now Available for Online Purchases.*. Learn More. Troy Bilt Horse Xp Drive Belt Diagram Troy Bilt 13WX79KT Horse XP () Mower Deck Parts Diagram. SWIPE SWIPE Drive & Rear Wheels . Deck Belt Cover $ They're more concerned with making it difficult for the belt to come off. of the small pulleys (#75 in the diagram) pivots and give you enough slack to fit the whole thing properly. On a Horse XP there is only one drive pulley.
Troy bilt horse xp deck diagram. 13YX79KT011 - Troy-Bilt Horse XP Lawn Tractor (2016) Deck ... Deck diagram and repair parts lookup for Troy-Bilt 13YX79KT011 - Troy-Bilt Horse XP Lawn Tractor (2016) Troy Bilt Horse Xp Belt Diagram Troy Bilt 13WX79KT Horse XP () Mower Deck Parts Diagram. SWIPE SWIPE Previous . Deck Belt Cover $ Extension Spring. They're more concerned with making it difficult for the belt to come off. of the small pulleys (#75 in the diagram) pivots and give you enough slack to fit the whole thing properly. On a Horse XP there is only one drive pulley. Gallery of troy bilt 13wx79kt011 horse 2010 parts diagram ... Troy Bilt 13wx79kt011 Horse 2010 Parts Diagram For Mower images that posted in this website was uploaded by Sgi.gene.com.gene.com. Troy Bilt 13wx79kt011 Horse 2010 Parts Diagram For Mower equipped with a HD resolution x .You can save Troy Bilt 13wx79kt011 Horse 2010 Parts Diagram For Mower for free to your devices.. If you want to Save Troy Bilt 13wx79kt011 Horse 2010 Parts Diagram For Mower ... Troy-Bilt Riding Lawn Mower - Model 13YX79KT011 | Troy-Bilt US Find parts for your Horse XP Troy-Bilt Riding Lawn Mower . Parts diagrams and manuals available. Free shipping on parts orders over $45.
Troy-Bilt Horse Xp | 13WX79KT011 | eReplacementParts.com Need to fix your 13WX79KT011 (2011) Horse Xp? Use our part lists, interactive diagrams, accessories and expert repair advice to make your repairs easy. ... Repair Parts Home Power Tool Parts Troy-Bilt Parts Troy-Bilt Lawn Tractor Parts Troy-Bilt 13WX79KT011 (2011) Horse Xp Parts. ... Use With 787-01591 Deck, Screw Secures Handle Bracket - 13 ... Troy-Bilt 13AX79BT066 - Troy-Bilt Horse XP 46" Lawn ... Deck diagram and repair parts lookup for Troy-Bilt 13AX79BT066 - Troy-Bilt Horse XP 46" Lawn Tractor, Hydro Drive (2019) Troy-Bilt Operator's Manuals & Illustrated Parts Diagrams Yes, printed Troy-Bilt Operator's Manuals, Illustrated Parts Lists and Troy-Bilt / MTD Engine Manuals are available for purchase. The price for a pre-printed manual is typically less than $20+s/h, but can range up to $45+s/h for larger documents. To order a pre-printed Troy-Bilt manual, have your Model & Serial Number handy and call our ... EOF
Troy-Bilt Horse XP (13CX79KT011) (2016) Deck | Shank's ... Shop online for OEM Deck parts that fit your Troy-Bilt Horse XP (13CX79KT011) (2016), search all our OEM Parts or call at 717-375-1021 PDF Troy-Bilt Parts Manual 13WX79KT011 Horse (2010) Page 3 of 21 Frame & PTO Lift For Discount Troy Bilt Parts Call 606-678-9623 or 606-561-4983 Troy Bilt Horse Xp Drive Belt Diagram Troy Bilt 13WX79KT Horse XP () Mower Deck Parts Diagram. SWIPE SWIPE Drive & Rear Wheels . Deck Belt Cover $ They're more concerned with making it difficult for the belt to come off. of the small pulleys (#75 in the diagram) pivots and give you enough slack to fit the whole thing properly. On a Horse XP there is only one drive pulley. Troy-Bilt Parts Diagrams Lookup Parts by Diagram. Use our parts diagram tool below to find the parts you need for your machine. Select the model and year, then browse the parts diagrams to find the right part. Add to cart when you're ready to purchase and we'll ship it to you as soon as possible! Financing Now Available for Online Purchases.*. Learn More.
Troy Bilt 13YX79KT011 Horse XP (2015) Mower Deck Parts Diagram Troy Bilt 13YX79KT011 Horse XP (2015) Mower Deck Exploded View parts lookup by model. Complete exploded views of all the major manufacturers. It is EASY and FREE
0 Response to "39 troy bilt horse xp deck diagram"
Post a Comment