Iklan 300x250

38 moto mirror wiring diagram

Im trying to add a moto mirror to my 07 386 pete. I found the Im trying to add a moto mirror to my 07 386 pete. I found the wires in the dash for the power mirror. But I can not figure out which way to connect the wires. There are 3 wires labeled mirr motor. Which wire is what for a power mirror. Does any one know where I get a wiring diagram for a 07 386 Pete? I can't get any help from peterbilt dealers. Traditional Mirror Kit | Motomirror 7-2310. Moto Mirror Traditional style mirrors are the true classic, premium mirror you have been looking for. Our unique motorized head movement delivers better range of visibility than mirrors with glass movement alone. This ensures you can see more and avoid more, saving time and money. The rugged and durable construction delivers a product ...

SHINERAY. AlphaZero, for instance, introduced the concept ... Wiring_for_Yellow_Plug. a flogged out japanese bike is a lot less likely to fall apart. As a matter of fact, Shineray manufactured engines for Honda in China for a period of time and this is pretty close to that engine, but bored out to 440cc and up-specced with oil cooling and fuel injection (mostly to meet European emission requirements). 1 100562 engine, shineray 420cc hrz black …

Moto mirror wiring diagram

Moto mirror wiring diagram

Peterbilt 579 Mirrors Service Manual Peterbilt 579 Mirrors Service Manual pdf manufactured by the company PETERBILT presented for you in electronic format Page size 612 x 792 pts (letter) (rotated 0 degrees) . This manual can be viewed on any computer, as well as zoomed and printed, makes it easy to diagnose and repair problems with your machines electrical system. Diagrams Archives - CFMoto USA Parts - Operated by Curren RV Diagram: 2007 CFMoto CFORCE 500 SWB/07-08 - CYLINDER HEAD [E09] From: $ 2.39. Select options. Diagram: 2007 CFMoto CFORCE 500 SWB/07-08 - DRIVE CLUTCH ASSY [E15] From: $ 8.99. Select options. Default sorting Sort by popularity Sort by average rating Sort by latest Sort by price: low to high Sort by price: high to low. Moto Mirror Wiring Diagram - justussocializing.org Moto Mirror Wiring Diagram Wiring Schema The best unconventional is always to use a verified and accurate Moto Mirror Wiring Diagram that's provided from a trusted source. A good, time-honored company that has a long track autograph album of providing the most up-to-date wiring diagrams easily reached is not difficult to find.

Moto mirror wiring diagram. to truck ground Wire. Nut white. For Motorized, Heated Mirror (e.g. 21101). INSTALLATION. 1. Use supplied switches. 2. Disconnect switches, route wires, reconnect as shown.1 page Products | Motomirror Prutsman Look-down Convex Mirror MAKE American Lafrance AutoCar Freightliner Hino IC Bus International Isuzu Kenworth Mack Peterbilt Sterling Volvo Western Star MODEL besichtigungonline.de RD125DX - 1E7-E5 RD125 - 200 B/C/DX - GERMAN AS3 RD125 1973 WIRING DIAGRAM RD125DX WIRING DIAGRAM RD125 - 200DX WIRING ROUTING RD125-200B MANUAL CS3B 200cc MANUAL YL1 - YL1E PARTS MANUAL RD200DX WIRING Insert the dial guage in the LHS plug hole and find 2. yamaha dt250 mx vs yamaha rd250 dx. distributor, YAMAHA … Moto Mirror Troubleshooting Procedures | Motomirror Here are some simple troubleshooting procedures for your Moto Mirror. IMPORTANT: Before performing any other troubleshooting work, check to see that the unpinned nuts locking the mirror to the mirror bracket are tightened to 15 foot pounds of torque, plus or minus 2 pounds. Mirrors that are loose in the bracket are the most common cause of reported Moto Mirror failures.

2015 Subaru Legacy Radio Wiring Diagram 2015 Subaru Legacy Radio Wiring Diagram - One of the most difficult automotive repair tasks that a mechanic or repair shop can give a positive response is the wiring, or rewiring of a car's electrical system.The burden essentially is that all car is different. subsequent to aggravating to remove, replace or fix the wiring in an automobile, having an accurate and detailed 2015 subaru legacy ... LEU Schematics 21668222 04 1 w1 - Mack Trucks cb20 cir. brkr., moto. mirrors 10a a b f19 fuse inst. cluster 5a a b cb26 cir. brkr., rear flood lps. 15a a b cb29 cir. brkr., ems relays a b cb8 cir. brkr., air sol. 15a a b cb24 cir. brkr., 2way radio 15a a b cb27 cir. brkr., ign. stud 15a a b ac:0 b spf7a ba:0 d spcb1 frc1:f4 frc1:f3 f13 fuse abs batt 15a/20a a b buss bar continues on sheet ... UTV Parts and Accessories Online Store - Kemimoto Kemimoto is your one-stop shop online for UTV, ATV, motorcycle. We carry parts, accessories, riding gear. Designed by riders for riders. Free shipping in the U.S. and Canada. T660 Wiring Diagram | Wiring Diagram - Cadillac You are able to discover this manual easy to use as well as very affordable. T660 Wiring Diagram | Wiring Diagram - Kenworth Wiring Diagram Pdf. You can usually count on Wiring Diagram as an crucial reference that can assist you to conserve money and time. With all the assist of the book, you can effortlessly do your own wiring assignments.

WIRING DIAGRAM INDEX, 12V - Mack Trucks wiring diagram index, 12v name description page name description page aa-o power distribution 1/2 2 gd lighting-forward/signal (cxu,gu7,gu8) 30 ab-o power distribution 2/2 3 . gf lighting – tail/perimiter 31 : ac-o key sw., start & charging 4 gg trailer lighting control 32 ad grounding 5 gh-o interior lighting 33 ae battery configuration 6 gi snowplow prep connector 34 aj-o power ... Diagrams Archives - Page 2 of 696 - CFMoto USA Parts ... Diagram: 2007 CFMoto CFORCE 500 SWB/07-08 - LEFT SIDE COVER ASSY (GOES) [E06-2] From: $ 5.94. Select options. Diagram: 2007 CFMoto CFORCE 500 SWB/07-08 - MAGNETO STATOR ASSY. [E12] Yitamotor Mr-044-x1r Wiring Diagram Yitamotor Mr-044-x1r Wiring Diagram. by YITAMOTOR Manufacturer Part Number, MRx1r . professional as they worked with me in sending a wiring diagram and second set and when those. Brand, YITAMOTOR. Item Weight, 24 pounds. Package Dimensions, x 16 x inches. Exterior, Textured. Power Mirror Wiring Diagram? - The Diesel Stop 27,082 Posts. #10 · Mar 18, 2009. Here's some info on wiring for you. You should be able to tap into a circuit for power. The whole thing runs on a 5 amp fuse. View attachment Van mirror switch connector.pdf. View attachment Van power mirror wiring.pdf. Good luck with your project.

Power mirror wiring help - Ranger-Forums - The Ultimate Ford ...

Power mirror wiring help - Ranger-Forums - The Ultimate Ford ...

SOLVED: How do I troubleshoot my moto mirror on my - Fixya 16 Nov 2019 — Your best bet mite be to take to a qualified repair shop , i really don't think you'll be able to do anything with it. Do you have wiring diagrams so you know ...1 answer · Top answer: for the mirror check for wire connections at the door hinge as there may be a broken wire or faulty connection, replace the gear lever switch2007 Peterbilt 379 power mirror and heat wiring diagram1 answer8 Jan 2017Power mirrors not working, have tried moving them1 answer29 Dec 2010More results from

INSTALLATION INSTRUCTIONS | Motomirror

INSTALLATION INSTRUCTIONS | Motomirror

need to connect mirror wiring - Truckers Report 17 Feb 2013 — does anyone know the wiring schematic for a moto mirror. i have a couple on my truck that were not hooked up and now i am trying to figure ...10 posts · . Found this..help !!!!!!!!!! my 2006 Pete 379 has no power to heater ...10 posts20 Oct 2013Mirror heater not working Peterbilt 387 - Truckers Report10 posts28 Feb 2018Heated Moto Mirrors | TruckersReport.com Trucking ...7 posts10 Mar 2017mirrors wont adjust | TruckersReport.com Trucking Forum10 posts22 Jan 2015More results from

All Wiring Diagrams for Nissan 350Z 2004 model – Wiring ...

All Wiring Diagrams for Nissan 350Z 2004 model – Wiring ...

The GMC Sierra is the sister truck of the Chevy Silverado ... Diagram Gmc 2007 Sierra 2500 Radio Wiring Diagram Full. 1GD39LE7XNF167699 If you’re in the market for a new pickup truck, you may be considering the 2020 GMC Sierra 1500. The process should be the same, if not really similar for the newer Chevy Silverado. 2005-2009 GMC Envoy Sierra 1500 2500 AM FM Radio Single Disc CD Player 15850275. 3L & 6. For example, …

92FT4915 Mobile 2-Way Radio User Manual Installation Manual 1 ...

92FT4915 Mobile 2-Way Radio User Manual Installation Manual 1 ...

WIRING DIAGRAM INDEX - Mack Trucks wiring diagram − type om w/obd 2013 eng product schematics 22437775 04 1 (2) 1 (52) ... ic mirror control 1/2 43 id mirror control 2/2 44 ka visual systems 45 ... moto. mirrors f19 fuse inst. cluster 5a cb26 rear flood lps. 15a cb29 cir. brkr., ems relays 10a cb8 cir. brkr., air sol. 15a a b

OEM Moto Guzzi Wiring Diagram California 1400

OEM Moto Guzzi Wiring Diagram California 1400

wiring diagram for 2008 full function tow mirror WITH MEMORY! Wire harness to mirrors are different from non-memory. I don't have a digital copy of the wiring diagram but the diagram number is 124-3 (Power Mirrors with memory) in the 2009 Super Duty wiring manual. Don't have my camera tonight. If you don't find it with the reference above. I can take a diagram pic and sent.

Morimoto 9004/9007 Bi-Xenon Wiring Harness

Morimoto 9004/9007 Bi-Xenon Wiring Harness

Pioneer avh custom rom - beautyathomeshop.de Pioneer avh custom rom. Pioneer avh custom rom

Traditional Mirror | Motomirror

Traditional Mirror | Motomirror

Moto Mirror Switch Wiring Diagram, Atv Parts Wiring Diagram for the Escalade switch PIN 1 = THE SWITCH LIGHT PIN 2 = THE GROUND PIN 3 = THE POWER PIN 4 = GRAY FROM MIRROR PIN 5 = BROWM FROM MIRROR I also went a step further and wired my mirrors to my alarm Viper 791XV Now I just press a button on my alarm to fold and another to retract.

4WAY TM MIRROR SYSTEMS

4WAY TM MIRROR SYSTEMS

kreuzkirche-osterode.de Free shipping for many products!wiring diagram; 2008 saturn vue fuse box; 2008 saturn vue fuse box diagram; 2008 saturn vue fuse box locations; 2008 saturn vue wiring Odes 170 utv RZR RearView Mirror, ISSYAUTO 15" Ultra Clear SXS UTV Mirror with 1. OEM Hisun Brake Master Cylinder Pump for UTV 700 500 Hisun Massimo MSU 400 800 Menards(Except sector …

D.I.Y. Power Side Mirror install (Hard wire) -

D.I.Y. Power Side Mirror install (Hard wire) -

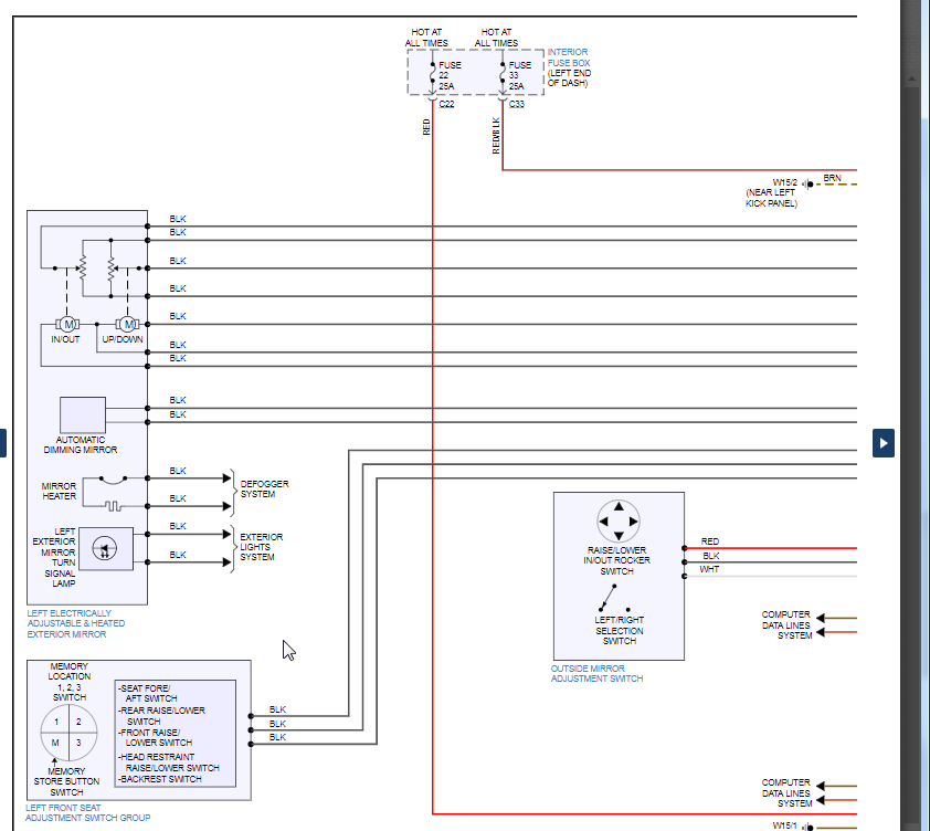
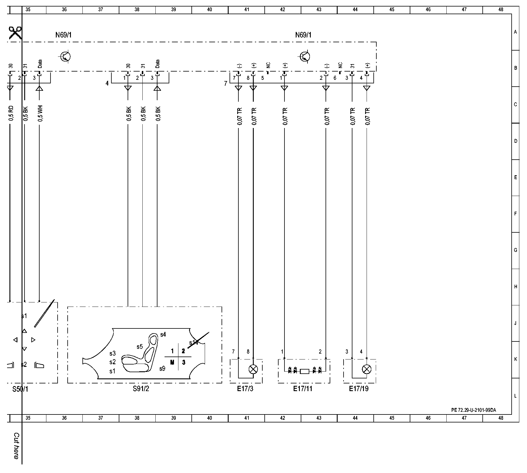
PDF Wiring diagram of outside mirrors / Wiring diagram of outside mirrors Page 1/2 MODEL 638.014 /034 /064 /074 /114 /134 /164 /174 /2 14 /234 /244 /274 as of 23.4.98 with CODE (F68) Hea ted and electrically adjustable rearview mirror r1 7 2 6 10 18 K L 4 3 2 1 F106 18E r1 F G H J 1,5 sw/rt 15 18A 0,5 sw/rt 0,5 br 0,75 br 0,75 sw/rt 4 1 8 7 6 5 M36 m2 M 12 11 10 9 0,5 ws 0,5 sw 0,5 ...

West Coast Mirror Signal Heated 16x7 Stainless Steel Pair for ...

West Coast Mirror Signal Heated 16x7 Stainless Steel Pair for ...

need to connect mirror wiring | Page 2 - TruckersReport.com I just bought a truck that has moto mirrors on it, and I can't figure out how to use them. There is the heat switch on the dash and a toggle switch mounted on the shifter but it doesn't seem to do anything ... Wiring Schematic ProfessionalNoticer posted Mar 2, 2022. 2001 Kenworth T800 High Hood. Idaho KP posted Feb 27, 2022. T800 rear end ...

INSTALLATION INSTRUCTIONS | Motomirror

INSTALLATION INSTRUCTIONS | Motomirror

PDF RV, Truck and Commercial Vehicle Mirrors, Parts and ... Created Date: 3/31/2005 3:22:32 PM

Side Mirror Wiring Diagram: I Have the Car Listed Above XLE ...

Side Mirror Wiring Diagram: I Have the Car Listed Above XLE ...

WIRING DIAGRAM INDEX, 12V - Mack Trucks wiring diagram index, 12v . ... ic mirror control 1/2 38 : bm body link ii refuse bodybuilder circuits 15 id mirror cintrol 2/2 39 : ... moto. b mirrors f19 fuse inst. cluster 5a b cb26 rear flood lps. 15a b cb29 cir. brkr., ems relays a b cb8 cir. brkr., air sol. 15a a b cb24 cir. brkr., 2way

Amazon.com: West Coast 7

Amazon.com: West Coast 7"x16" Stainless Steel Heated Lighted ...

[email protected] - cosmo-kasino350.de W463 relay diagram. email protected]@D-V4/ [email protected]

Wiring Diagram Drivers Side Power Mirror, Heater, and Turn ...

Wiring Diagram Drivers Side Power Mirror, Heater, and Turn ...

5th Gen Camaro SS LS LT General Discussions - Page 2 ... 04.04.2022 · Moto-Mojo. 04-01-2022 12:48 PM by SaReNi. 533: 30,116 : Wheel polish. SSChris15. 04-01-2022 10:44 AM by Whoomba. 7: 538 : 1/4 window trim. Bluebagger06 . 03-31-2022 02:49 PM by 1JEWLDSSRS. 8: 726 : Heated Outside Rear View Mirror (1 2) Classic-Chevy-Guy. 03-31-2022 11:16 AM by Classic-Chevy-Guy. 21: 959 : Bbk headers fitment to a …

Wiring kit for turn signals and mirror with integrated turn ...

Wiring kit for turn signals and mirror with integrated turn ...

Motomirror | Home The Moto Mirror products has been known for decades as the premier vision solution for trucks.The combination.. SEE INNOVATIONS. Gallery. View a wide variety of images of all of our special products and events coverage here. VIEW GALLERY. About Us.

lifan 200cc ohc need wiring harness ATVs | Motorcycle wiring ...

lifan 200cc ohc need wiring harness ATVs | Motorcycle wiring ...

Hadley Power Mirror Wiring Diagram - schematron.org need to connect mirror wiring. HADLEY CABINET MIRROR - SEC0 INSTALLATION INSTRUCTIONS. GENERAL zone. 2 IEE Bathroom Zones Diagram IF THERE ARE ONLY TWO WIRES COMING FROM YOUR POWER SUPPLY IT MEANS THAT THIS FITTING. does anyone know the wiring schematic for a moto mirror. i have a I have the Moto Mirror heated power mirrors with clearance ...

Wiring Diagram Drivers Side Power Mirror, Heater, and Turn ...

Wiring Diagram Drivers Side Power Mirror, Heater, and Turn ...

Ideal Running Led Circuit Diagram Moto Mirror Wiring Ideal Wiring Led Running Diagram Circuit Mirror Moto The Above Diagram Shows A 3v Led Circuit In This Circuit There Are Two Aa Cells Are Used. Ideal Wiring Led Running Diagram Circuit Mirror Moto In This Circuit Diagram All Leds Blink As A Moving In One Direction. Villagemartin24.

610306 by RETRAC MIRROR - 7in. X 16in. Mirror Head, Polished ...

610306 by RETRAC MIRROR - 7in. X 16in. Mirror Head, Polished ...

INSTALLATION INSTRUCTIONS - Motomirror Please refer to the Wiring Diagram when replacing an original equipment mirror with an aftermarket Moto Mirror remote control mirror. All Moto Mirror products must be mounted so that the wire harness exits the bottom of the mirror. Mounting the mirror upside down can lead to mirror failure and voids the mirror warranty. MIRROR MOUNTING

Wiring Diagram Drivers Side Power Mirror, Heater, and Turn ...

Wiring Diagram Drivers Side Power Mirror, Heater, and Turn ...

2015 Z Force 800 Wiring Diagram - CFMoto-Forum Wiring Diagram for the 2015 (Probably 2015-2017+) Z-Force 800 « Last Edit: November 16, 2020, 07:06:44 PM by NMKawierider »

All Wiring Diagrams for Isuzu Rodeo XS 1991 – Wiring diagrams ...

All Wiring Diagrams for Isuzu Rodeo XS 1991 – Wiring diagrams ...

Welcome to motogadget (Home) - motogadget The motogadget product family Analog Gauges Digital Instruments mo.hub Kits mo.ride app Electrics Rear View Mirrors for Handlebars Turn Signals Product The production of the mo.view motorcycle mirrors Glassless Mirrors Product The new mo.unit blue and mo.ride App Make your bike smart Service Contact our technical support Get help now Retailer Search See before you … Continue reading "Welcome ...

Yamaha FJ 1100 1984-1985 (FJ1100 36Y 47E) Owners Manual Wiring diagram US  model

Yamaha FJ 1100 1984-1985 (FJ1100 36Y 47E) Owners Manual Wiring diagram US model

2001-2007 ETV Caponord - AF1 Racing 20TV4Factory OEM Parts Diagram; 2018 Tuono V4 1100 Factory Fiche; 2017 Tuono V4 1100 Factory Fiche; 2017-2018 Tuono V4 1100 RR Fiche ; 2016 Tuono V4 1100 Factory Fiche; 2016 Tuono V4 1100 RR Fiche; 2014-2015 Tuono V4 R APRC ABS Fiche; 2011-2013 Tuono V4 Standard Fiche. 2011-2020 Tuono V4 Exhaust Systems. Back; 2011-2016 Tuono V4 Exhaust …

6P CONNECTOR:

6P CONNECTOR:

TUNQAKE Baca selengkapnya Moto Mirror Wiring Diagram. Postingan lainnya. سما المصرى sama elmasry youtube statistics an… Public Holidays 2021 Qld : The Money Edge - New public holiday in Queensland - If you deposit a check when the fed is closed, you may experience a delay in funds availability.

Grote 16053 Stainless Steel, Ice and Frost-Free Heated West ...

Grote 16053 Stainless Steel, Ice and Frost-Free Heated West ...

Moto Mirror - PDF4PRO Moto Mirror is known as the premium truck mirror. Its unique operation, high quality construction, and ... Route​the​wire​harness​and​connect​to​the​mirror.10 pages

Precision Wire Saw with Sample Stage and Diamond Wire - 6 ...

Precision Wire Saw with Sample Stage and Diamond Wire - 6 ...

[email protected] - betsson263-registrieren.de Daihatsu mira l5 wiring diagram full gretsch truck fuse box ford efrl owner club ecu efdet l2 lc l l6 diy l l and kelisa 6ae9 diagrams charade ggturbo models chevy van l7 perodua kancilKancil l6 - ardingly. 00 . kete kancil aku pakai enjin l2 dekat 10 tahun dah Kedai di indera mahkota 14 kuantan pahang. It was originally planned to be the replacement of Perodua's current city cars …

Weatherproof Wireless Charging Head - FAQ – What can we help ...

Weatherproof Wireless Charging Head - FAQ – What can we help ...

Moto Mirror Wiring Diagram - justussocializing.org Moto Mirror Wiring Diagram Wiring Schema The best unconventional is always to use a verified and accurate Moto Mirror Wiring Diagram that's provided from a trusted source. A good, time-honored company that has a long track autograph album of providing the most up-to-date wiring diagrams easily reached is not difficult to find.

Artcool mirror su_chassis service manual

Artcool mirror su_chassis service manual

Diagrams Archives - CFMoto USA Parts - Operated by Curren RV Diagram: 2007 CFMoto CFORCE 500 SWB/07-08 - CYLINDER HEAD [E09] From: $ 2.39. Select options. Diagram: 2007 CFMoto CFORCE 500 SWB/07-08 - DRIVE CLUTCH ASSY [E15] From: $ 8.99. Select options. Default sorting Sort by popularity Sort by average rating Sort by latest Sort by price: low to high Sort by price: high to low.

Aero Mirror | Motomirror

Aero Mirror | Motomirror

Peterbilt 579 Mirrors Service Manual Peterbilt 579 Mirrors Service Manual pdf manufactured by the company PETERBILT presented for you in electronic format Page size 612 x 792 pts (letter) (rotated 0 degrees) . This manual can be viewed on any computer, as well as zoomed and printed, makes it easy to diagnose and repair problems with your machines electrical system.

WIRING HARNESS MIRRORS for MV Agusta F4 1000R 1+1 2007 # MV ...

WIRING HARNESS MIRRORS for MV Agusta F4 1000R 1+1 2007 # MV ...

Moto Mirror Troubleshooting Procedures | Motomirror

Moto Mirror Troubleshooting Procedures | Motomirror

wiring diagram to change 03+ mirrors to an 01-02 | Chevy and ...

wiring diagram to change 03+ mirrors to an 01-02 | Chevy and ...

Wiring kit for turn signals and mirror with integrated turn ...

Wiring kit for turn signals and mirror with integrated turn ...

TRQ® - Manual Side View Mirrors (Heated)

TRQ® - Manual Side View Mirrors (Heated)

WIRING HARNESS MIRRORS for MV Agusta F3 675 2015 # MV AGUSTA ...

WIRING HARNESS MIRRORS for MV Agusta F3 675 2015 # MV AGUSTA ...

Wiring Diagram Drivers Side Power Mirror, Heater, and Turn ...

Wiring Diagram Drivers Side Power Mirror, Heater, and Turn ...

Weatherproof Wireless Charging Head - FAQ – What can we help ...

Weatherproof Wireless Charging Head - FAQ – What can we help ...

Moto Mirror - The Premium Truck Mirror

Moto Mirror - The Premium Truck Mirror

Wiring Diagram Drivers Side Power Mirror, Heater, and Turn ...

Wiring Diagram Drivers Side Power Mirror, Heater, and Turn ...

1999 Ford Ranger Mazda Drifter RHD Wiring Diagram Manual - PDF DOWNLOAD

1999 Ford Ranger Mazda Drifter RHD Wiring Diagram Manual - PDF DOWNLOAD

0 Response to "38 moto mirror wiring diagram"

Post a Comment

Iklan Atas Artikel

Iklan Tengah Artikel 1

Iklan Tengah Artikel 2

Iklan Bawah Artikel