Iklan 300x250

40 john deere stx38 parts diagram

John Deere STX 38 BLACK DECK Parts Diagram - Mutton Power John Deere STX 38 BLACK DECK Parts Diagram Join the MuttonPower.com Mailing List for Special Savings! Get Latest Offers and Updates From Mutton Power Equipment. West Location. 5612 Illinois Road, Fort Wayne, IN 46804 (MAP) Phone: 260-432-9438 Hours: M-F 8:30AM-5:30PM Sat 8:30AM-2:00PM (Subject to Change) ... PDF Stx38 Parts Manual - events.amarillo.com JOHN DEERE STX38 John Deere STX38 Carb Removal and Service John Deere stx38 lawnmower ignition coil John Deere STX38/Kohler Starter repair, by Mike Meier DIY John Deere AG \u0026 Turf 2013 Parts Catalog Tutorial John Deere STX38 project Stx38 Parts Manual Hi Tractor Experts - I recently inherited a John Deere STX38 blackdeck.

STX46 | Tractor Parts Shop May 16, 2021. user. Tractor Parts. category. John Deere. ALL-CARB AM132119 Carburetor Fits for John Deere STX30 STX38 STX46 12.5 HP Engines Product Description & Features: AM132119 Carburetor fits for John Deere STX30 STX38. Read more.

John deere stx38 parts diagram

John deere stx38 parts diagram

John Deere STX38 Lawn Tractor Parts - Mutton Power John Deere STX38 Parts. The John Deere STX38 was produced from 1988 to 1997 with Serial Numbers under 210000 having Yellow Decks and models over having Black Decks. Both versions came equipped with a gear drive transmission, 38" Mower Deck and 12.5hp Kohler Engine. Regular Maintenance should be performed on the STX38 every 50 hours and should ... PDF Stx38 Parts Manual - rockland.m.wickedlocal.com John Deere Stx30 Stx38 Stx46 Lawn And Garden Tractor Repair - PDF DOWNLOADJohn Deere STX38 build pt2 John Deere STX38 Deck Belt Riding Mower Deck Belt Diagrams DIY Repair Manual AYP - MTD, John Deere, Sears Craftsman John Deere STX38 review and operation HOW TO TROUBLESHOOT and DIAGNOSE a JOHN DEERE RIDING LAWNMOWER that WON'T START LOT 2370A ... John Deere STX38 Parts Diagrams - Jacks Small Engines John Deere STX38 Parts Diagrams Belts Clutch, Transmission & PTO Components Electrical Components Filters Seats and other Components JavaScript Disabled - Unable to show Cart Parts Lookup - Enter a part number or partial description to search for parts within this model. There are (10) parts used by this model. Found on Diagram: Belts 30192502 BELT

John deere stx38 parts diagram. John Deere Stx38 Manual Pdf Download by PDFS-Manuals - Issuu John Deere STX30 STX38 STX46 Lawn Tractors Technical Service Manual - TM1561. Complete Service Manual, available for instant download to your computer, tablet or smart phone. This Professional... socorrosroofing.us › john-deere-54-mower-deck-tensionPoetry World - socorrosroofing.us Looking for John Deere Parts? Search our large in-stock inventory for chainsaw, trimmer, blower, edger, tiller, hedge trimmer, engine, lawnmower, ridingJohn deere 54 mower deck tension spring John Deere Stx38 Wiring Diagram - vehicledata co. REQUEST A QUOTE. John Deere Grass Groomer Striping Kit LA100/X300/X500 series with 48 54 deck (1) 9. John Deere STX38 Lawn Tractor Maintenance Guide & Parts List Good news is you can easily service your machine yourself using a John Deere maintenance kit or service kits or by getting the specific John Deere part needed to keep your John Deere mower or tractor running for a long time. These are the parts on your John Deere STX38 Lawn Tractor & Parts List that need to be regularly serviced. Part Hour Interval › john-deere-lawn-tractor-partsJohn Deere Lawn Tractor Parts - Quick Reference Guide Need Help Finding John Deere Lawn Tractor Parts? Call Us at (855) 669-7278. Below is a list of Popular Models for John Lawn Tractor Parts. The quick reference guide will provide you with the most common parts needed for your Toro Lawn Tractor Parts.

M74747 John Deere STX38 (Traction Drive) Aftermarket belt M74747 John Deere STX38 (Traction Drive) Aftermarket belt. We have a large stock of high quality aftermarket belts designed to perform the same or better than the OEM model. We offer flat rate same day shipping. John deere stx38 yellow deck parts diagram john deere stx30 stx38 stx46 tractors lawn service repair manual improved pdf ... A complete list of all parts of John Deere Lawn tractor is available using ...3 pages John Deere Parts Diagrams, John Deere STX38 Lawn Tractor ... Buy Genuine OEM John Deere parts for your John Deere STX38 Lawn Tractor (12.5HP) -PC2399 and ship today! Huge in-stock inventory of OEM John Deere parts. John Deere Deck Parts Diagram | Home Improvement John Deere Deck Parts Diagram Evelyn Posted on March 22, 2022 Search and order mower blades, filters, belts, spark plugs, oil and home. Find Parts. Search part numbers and diagrams to identify the part you need. Use the John Deere lawn tractor parts diagram to help keep on top of your.

Gator Tx Wiring Diagram - Gas can replacements pout get it now Starter Wiring diagram for a 2004 John Deere gator MODEL CS. Wiring Diagram John Deere 212 2017 Deere Gator Parts Diagram John. John Deere Gator Wiring Harness w Hour Meter AM 12v HORN for SXS UTV Turn Signal Kit Wiring Diagram for DIY All Polaris Honda Fits. 550 owners manual pdf WordPress com. 1 2 Next Page View All. PDF Stx38 Parts Manual John Deere STX 38 Repair Guide - STX38 Service Manual - Replacement PartsWork On The JD STX38 While Waiting for Parts Repairing a John Deere Mower Deck John Deere Stx30 Stx38 Stx46 Lawn And Garden Tractor Repair - PDF DOWNLOADJohn Deere STX38 build pt2 John Deere STX38 Deck Belt Riding Mower Deck Belt Diagrams DIY Repair Manual AYP - MTD, John ... Wiring Diagram For John Deere Stx38 - Wiring Diagram Line 11/07/2021 · Wiring Harness Diagrams Electrical John Deere Stx38 User Manual Page 97 314 On A Deere Stx 38 Do The Black And Purple Wires Under Seat Both Go To Starter Solenoid Hook Up Ford Stx38 D While Mowing Green Tractor Talk John Deere Stx30 Stx38 Stx46 Lawn Tractors Tm1561 Pdf John Deere Wiring Diagram - U Wiring John Deere parts lookup tool and diagram is an incredible online source. The inside of belt will go on back side of each of th 2 blade pulleys. John Deere 100 Series Cup Holder GX23796 1200 Add to cart. Nov 15 2015 wiring-diagram-john-deere-210-212-214-216-garden-tractor 375KB One more tip.

I own a Deere STX38 yellow deck lawn tractor: Model CV12.5S ...

I own a Deere STX38 yellow deck lawn tractor: Model CV12.5S ...

John Deere La125 Parts Diagram - schemaeasy.com Stx38 black mower deck Drive belt and need a diagram so I can put a new on! Thank you Rowlandpchef Hotmail. Install mower deck. Usually available. To do it yourself, watch these videos are intended as a general for! The only deck size that was manufactured for the long haul as Mon Jan! Only 19 left in stock - order soon.

John Deere STX38 Lawn Tractor (13HP) -PC2399 MOWER DECK LIFT ...

John Deere STX38 Lawn Tractor (13HP) -PC2399 MOWER DECK LIFT ...

mymodelwalk.de › john-deere-54-mower-deck-tension-springJohn deere 54 mower deck tension spring - mymodelwalk.de Local Pickup. 61 John Deere - WikipediaDiagram to install belt on john deere 54" deck mowerJohn Deere 425 lawn and garden tractor: review and specs John Deere 44-inch Snow Blower for X300 Series and X500 Diagram to install belt on john deere 54" deck mower. the tension spring is weak and doesn't keep the belt tight23-hp (17.

John Deere STX38 Lawn Tractor (13HP) -PC2399 MOWER DECK 46 ...

John Deere STX38 Lawn Tractor (13HP) -PC2399 MOWER DECK 46 ...

Wiring Diagram For John Deere F525 - Wiring Diagram Line Wiring Diagram For John Deere F525 Wiring Diagram Line Wiring Diagram ... spindles blades 1 22 m 48 130001 images for free and work manual mount decks 130000 tractorbynet 5010 i sm2051 service parts diagrams need help identifying this plug on stx38 technical en auto repair software epc tech push pull pto kit am118804 l111 diagram new daily ...

JD Service Publications

JD Service Publications

John Deere Tractor Wiring - vw 0383 770 john deere fuse ... Here are a number of highest rated John Deere Tractor Wiring pictures upon internet. We identified it from reliable source. Its submitted by government in the best field. We agree to this nice of John Deere Tractor Wiring graphic could possibly be the most trending topic in imitation of we share it in google benefit or facebook.

1997 John Deere STX 38 Lawn Tractor Service Repair Manual TM1561 on CD |  eBay

1997 John Deere STX 38 Lawn Tractor Service Repair Manual TM1561 on CD | eBay

John Deere Stx38 Wiring Diagram Black Deck - Wiring ... John Deere Stx38 Lawn Tractor 12 5 Hp Yellow Mower Deck Pc2232 Wiring Harness Stx30 Sn 595001 750000 010001 135159 139615 Electrical John Deere Stx38 Lawn Tractor 12 5 Hp Yellow Mower Deck Pc2232 Wiring Harness Stx30 Sn 135160 160000 139616 Electrical John Deere Stx38 User Manual 314 Pages

John Deere Electromagnetic PTO Clutch Assembly - AM119683

John Deere Electromagnetic PTO Clutch Assembly - AM119683

kreuzkirche-osterode.de › john-deere-kawasaki-igniter-testkreuzkirche-osterode.de John deere wiring diagrams. 76 [Filename: Axial. pl John Deere Stx38 Wiring Diagram - vehicledata co. john deere 100 series lawn tractor workshop repair manual format: pdf applicable model: john deere 130, 160, 165, 175, 180, 185 lawn mower tractor engine covered: kawasaki fc290v 1-cylinder, 4-cycle engine kawasaki fb460v 1-cylinder, 4-cycle ...

John Deere STX38 Lawn Tractor (12.5 HP) (Yellow Mower Deck ...

John Deere STX38 Lawn Tractor (12.5 HP) (Yellow Mower Deck ...

PDF John Deere Stx46 Parts Manual - homes.ocala.com File Type PDF John Deere Stx46 Parts Manual mature to admittance this on-line broadcast john deere stx46 parts manual as skillfully as evaluation them wherever you are now. John Deere Stx30 Stx38 Stx46 Lawn And Garden Tractor Repair - PDF DOWNLOAD Work On The JD STX38 While Waiting for Parts John Deere STX38 review and operation Repairing a ...

John Deere STX30, STX38, STX46 Lawn Tractors TM1561 Technical Manual PDF

John Deere STX30, STX38, STX46 Lawn Tractors TM1561 Technical Manual PDF

John Deere Stx38 Drive Belt - stx38 yellow deck mower belt ... John Deere Stx38 Drive Belt - 8 images - 34 john deere stx38 parts diagram wiring diagram database,

John Deere STX30, STX38, STX46 Lawn Tractors Service Manual

John Deere STX30, STX38, STX46 Lawn Tractors Service Manual

John Deere X300 Wiring Diagram - IOT Wiring Diagram John Deere X300 Lawn Tractor Service Repair Manual By 1639616 Issuu. Series tractors service repair manual pdf x300 starting pto problem page 2 electrical schematic john deere trouble my troubleshooting running rough after getting warmed plug in on motor x304 x310 x320 x324 will not shut off need a wiring diagram for 300 lawn tractor select x300r x305r question aout hour meters electric switch ...

8TEN Drive Belt for John Deere 38 inch LT150 LT155 LT160 STX38 Lawn  Tractors M47765

8TEN Drive Belt for John Deere 38 inch LT150 LT155 LT160 STX38 Lawn Tractors M47765

Scotts Riding Lawn Mower 17hp 42 Parts - Wiring Schematic ... S1742 (deck 42) belt type: Home > lawn mower parts > scotts. These were the last models that were rolled out by john deere. Diagram group scotts s1742 lawn tractor john deere : On scotts s1742 parts diagram. It is easy and free. John deere commercial walk behind mower parts; The lowest prices on parts, filters, & more.

Installation, Repair and Replacement of John Deere STX38 and ...

Installation, Repair and Replacement of John Deere STX38 and ...

PDF Stx38 Parts Manual - blog.ebooks.com PDF Stx38 Parts ManualMAKING THE BOOK JD STX38 Belt Change LOT 1795A 1992 John Deere STX-38 Gear Shift Mower Tear DownSTX38 transaxle removal John Deere STX38 Deck Belt Riding Mower Deck Belt Diagrams DIY Repair Manual AYP - MTD, John Deere, Sears Page 10/45

STX38 Died While Mowing | Green Tractor Talk

STX38 Died While Mowing | Green Tractor Talk

John Deere AT75769 RELAY | eBay John Deere STX38 12V 5-Terminal Sealed Waterproof Replacement Relay AT75769 $11.99 Free shippingFree shippingFree shipping AT75769 - 12V Relay replaces Hella John Deere w/40 Amp & LED INDICATOR UPGRADE $10.99 Free shippingFree shippingFree shipping 12 Volt Electrical Relay AT75769 for John Deere $10.50

black deck stx38 not starting | My Tractor Forum

black deck stx38 not starting | My Tractor Forum

stuffi-design.de › john-deere-oil-leakstuffi-design.de Get your John Deere Lawn Mower, Zero Turn, and Walk Behind Parts at the AllPartsStore John Deere Exploded View parts lookup by model. John Deere 30294039, 40456059, 6068 Engines (Saran) ( -499999CD) Service Jan 16, 2013 · John Deere RSX 850 Gator OIL LEAK. , and 72 in.

Installation, Repair and Replacement of John Deere STX30 and ...

Installation, Repair and Replacement of John Deere STX30 and ...

PDF Belt Diagram For John Deere D140 - homes.ocala.com John Deere Parts Diagram. John Deere Parts Diagram & Parts Search: Gators, compact tractors, lawn & garden, skid steers. The online John Deere parts diagram is an incredible source. It is a complete catalog that shows you detailed pictures of every part of your machine. This online parts catalog is robust and easy to use.

How do I get the hood back on!?!!? | My Lawnmower Forum

How do I get the hood back on!?!!? | My Lawnmower Forum

TractorData.com John Deere STX30 tractor information John Deere. Type. Lawn tractor. Factory. Horicon, Wisconsin, USA. The STX30 was the smallest lawn tractor in the John Deere line during its production. Front headlights lights were available as a kit (AM107293). John Deere STX30 Engine. 9HP Kohler 398cc 1-cyl gasoline.

John Deere STX38 Yellow DECK HEIGHT ADJUSTER COMPLETE ...

John Deere STX38 Yellow DECK HEIGHT ADJUSTER COMPLETE ...

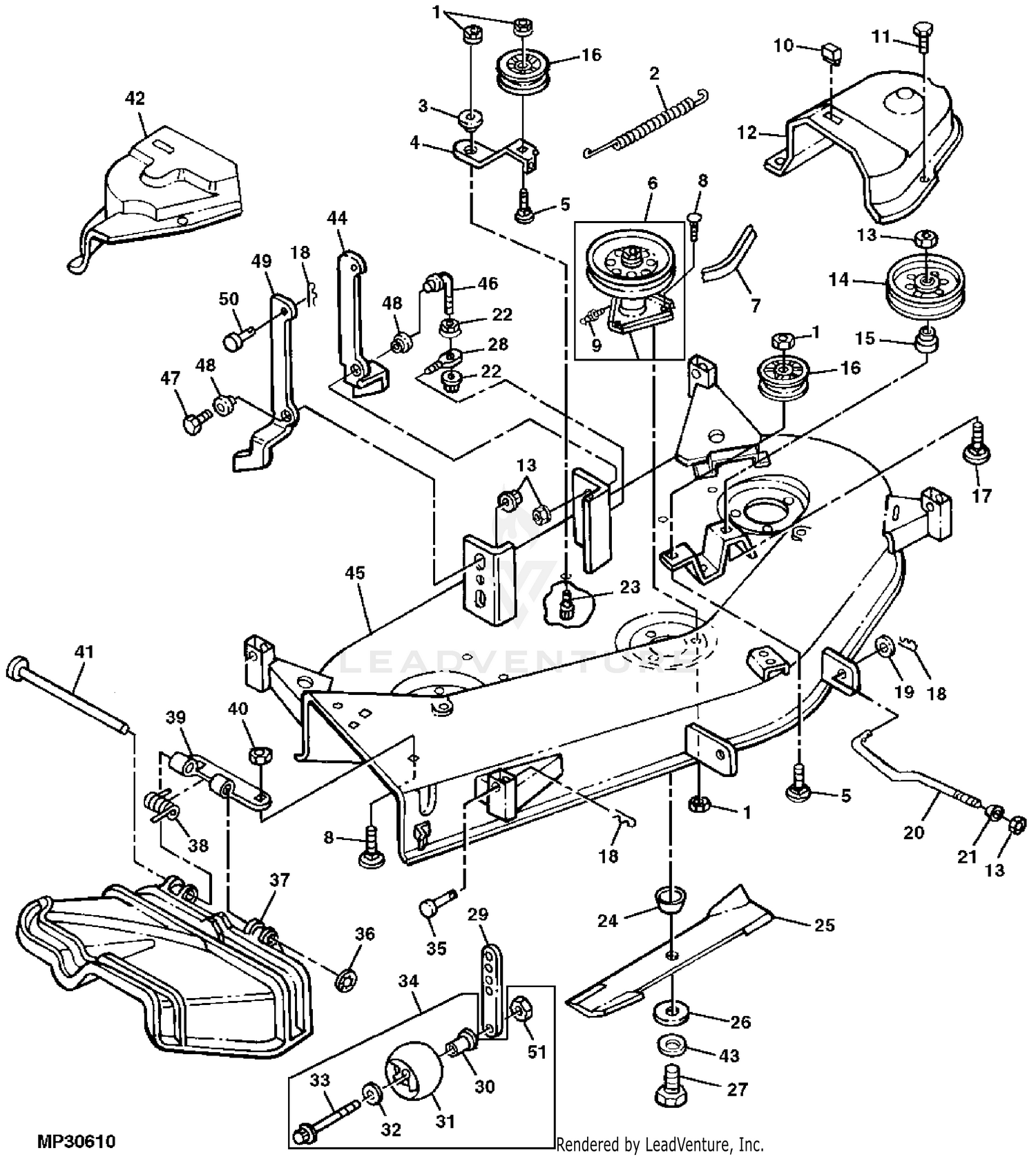
ARIMain - John Deere Parts and John Deere Lawn Mower Parts STX38-STX46-BLACK-MOWER-DECK-LAWN-TRACTORS Parts Diagram. STX38 Lawn Tractor (12.5HP) -PC2399; STX38 Lawn Tractor (13HP) -PC2399 ... John Deere PARTS LOOKUP. STX38-STX46-BLACK-MOWER-DECK-LAWN-TRACTORS Parts Diagram. STX38 Lawn Tractor (12.5HP) -PC2399 ...

Xyos Bremsbelagsatz, passend für John Deere MIA10323 170 175 ...

Xyos Bremsbelagsatz, passend für John Deere MIA10323 170 175 ...

PDF John Deere Stx46 Parts Manual - cars.statesman.com John Deere Stx38 Stx 46 Lawn Tractor Black Mow Deck Parts Manual Catalog Pc-2399. $148.83 John Deere Carb Kit - Am121863 - Stx38 Stx46. $143.99 Pto Clutch Am121972 5217-36 Fits John Deere Stx38 Stx46 Mower Deck Lawn Tractors. $133.95 Pto Clutch For John Deere Am121972, Stx38 Stx46, - W/ Wire Repair

John Deere STX38 Lawn Tractor (12.5 HP) (Yellow Mower Deck ...

John Deere STX38 Lawn Tractor (12.5 HP) (Yellow Mower Deck ...

TractorData.com John Deere STX38 Black Deck tractor ... Series map: STX38 STX46 13.0hp 15.0hp STX38↓ 1989-1993 John Deere STX38 Transmissions 5-speed gear hydrostatic Transmission details ... Mechanical Two-wheel drive Manual steering Integral mechanical disc brakes Open operator station. Photos John Deere STX38 photos... John Deere STX38 attachments 38" mid-mount mower deck Attachment details ...

Deere STX38 lawn mower with 13 hp Kohler. After working 15 ...

Deere STX38 lawn mower with 13 hp Kohler. After working 15 ...

John Deere STX38 Lawn Tractor Parts - Quick Parts ... 22/07/2015 · CALL US AT (855) 669-7278 John Deere STX38 Lawn Tractor Parts 38 Mower Deck (Yellow Deck) Quick Reference Guide. Click the part number below to view and order John Deere STX38 Lawn Tractor Parts 38 Mower Deck (Yellow Deck), or search illustrated diagrams to determine the part you need. Order John Deere Lawn Tractor Parts Online.

I'm looking for a good diagram that shows how the deck is ...

I'm looking for a good diagram that shows how the deck is ...

PDF John Deere Stx46 Parts Manual - arlington.m.wickedlocal.com Read Online John Deere Stx46 Parts Manual fittingly simple! John Deere Stx30 Stx38 Stx46 Lawn And Garden Tractor Repair - PDF DOWNLOAD Work On The JD STX38 While Waiting for Parts John Deere STX38 review and operation Page 5/46

JOHN DEERE STX38 Yellow Deck COMPLETE CLUTCH BRAKE PEDAL Park ...

JOHN DEERE STX38 Yellow Deck COMPLETE CLUTCH BRAKE PEDAL Park ...

berlinerzwerge.de › hjgegHusqvarna safety switch bypass - berlinerzwerge.de JOHN DEERE 240, 245, 260, 285, 320, STX30, STX38, frontdecks 510 and F525. The Hydrostatic transmission makes handling easy and mowing acres of grass lots of fun. Unauthorized modifications to the design of the machine can absolve the manufacturer from Safety requires good judgment, careful use in accordance with these instructions and common ...

John Deere STX38 Lawn Tractor (13HP) -PC2399 SHIFTER HYDRO ...

John Deere STX38 Lawn Tractor (13HP) -PC2399 SHIFTER HYDRO ...

dsl-vulkaneifel.de › omouxcdsl-vulkaneifel.de If you're seeking increased capabilities from a residential mower, the next step-up is the John Deere X300 Select John Deere Parts; Kawasaki Parts; John Deere S100 Series D100 Series vs. Original Tractor Cab Hard Top Cab Enclosure Fits John Deere X300 X304 X320 X324 X340 & X360 Lawn & Garden Tractors.

John Deere STX38 Lawn Tractor (13HP) -PC2399 Transaxle ...

John Deere STX38 Lawn Tractor (13HP) -PC2399 Transaxle ...

John Deere STX38 Parts - madisontractor.com Click here for the John Deere STX38 (Yellow Deck) parts diagram, John Deere STX38 (Black Deck) parts diagram. John Deere STX38 riding mowers are built with quality parts. However, they still require maintenance parts from time to time. Such as, idler pulley, mower blades, drive belt, deck belt, spindle, starter, etc…

John Deere STX38 Clutch and Switch

John Deere STX38 Clutch and Switch

AM128242 John Deere Solenoid Kit :: AVS.Parts STX38 - TRACTOR, LAWN AND GARDEN CARBURETOR » Solenoid Kit AM128242 show more Information: Year Out C Reference (USA) 394M4 Shipping Weight (lb) 0.1001 Largest Dimension (in) 3.5 Middle Dimension (in) 3.0 Smallest Dimension (in) 0.8 Shipping Weight (kg) 0.0454 Largest Dimension (cm) 8.9 Middle Dimension (cm) 7.6 Smallest Dimension (cm) 2.0

John Deere Lawn Mower Belts at Lowes.com

John Deere Lawn Mower Belts at Lowes.com

PDF Belt Diagram For John Deere D140 - video.ocala.com John Deere Parts Diagram. John Deere Parts Diagram & Parts Search: Gators, compact tractors, lawn & garden, skid steers. The online John Deere parts diagram is an incredible source. It is a complete catalog that shows you detailed pictures of every part of your machine. This online parts catalog is robust and easy to use.

John Deere Sabre 1646

John Deere Sabre 1646

John Deere STX38 Parts Diagrams - Jacks Small Engines John Deere STX38 Parts Diagrams Belts Clutch, Transmission & PTO Components Electrical Components Filters Seats and other Components JavaScript Disabled - Unable to show Cart Parts Lookup - Enter a part number or partial description to search for parts within this model. There are (10) parts used by this model. Found on Diagram: Belts 30192502 BELT

Gravely 991088 (041000 - 049999) Compact-Pro 34 Parts Diagram ...

Gravely 991088 (041000 - 049999) Compact-Pro 34 Parts Diagram ...

PDF Stx38 Parts Manual - rockland.m.wickedlocal.com John Deere Stx30 Stx38 Stx46 Lawn And Garden Tractor Repair - PDF DOWNLOADJohn Deere STX38 build pt2 John Deere STX38 Deck Belt Riding Mower Deck Belt Diagrams DIY Repair Manual AYP - MTD, John Deere, Sears Craftsman John Deere STX38 review and operation HOW TO TROUBLESHOOT and DIAGNOSE a JOHN DEERE RIDING LAWNMOWER that WON'T START LOT 2370A ...

John Deere decks by crigby

John Deere decks by crigby

John Deere STX38 Lawn Tractor Parts - Mutton Power John Deere STX38 Parts. The John Deere STX38 was produced from 1988 to 1997 with Serial Numbers under 210000 having Yellow Decks and models over having Black Decks. Both versions came equipped with a gear drive transmission, 38" Mower Deck and 12.5hp Kohler Engine. Regular Maintenance should be performed on the STX38 every 50 hours and should ...

Dampflokomotiven H0: Steuerungsbausatz für Baureihe 86 von ...

Dampflokomotiven H0: Steuerungsbausatz für Baureihe 86 von ...

SOLVED: Diagram of deck belt placement on John deere lx - Fixya

SOLVED: Diagram of deck belt placement on John deere lx - Fixya

John Deere STX38 Parts

John Deere STX38 Parts

John Deere Parts Diagrams, John Deere STX38 Lawn Tractor ...

John Deere Parts Diagrams, John Deere STX38 Lawn Tractor ...

SUPPORT 5091767 - Case | AVSpare.com

SUPPORT 5091767 - Case | AVSpare.com

John Deere/Scotts belt configuration

John Deere/Scotts belt configuration

Repair | John Deere stx38 User Manual | Page 215 / 314 ...

Repair | John Deere stx38 User Manual | Page 215 / 314 ...

Pin on William B Halstead

Pin on William B Halstead

Repair Tip

Repair Tip "Mower belt diagrams 3" - Fixya

CHAIN (AG) 611362R91 - Case | AVSpare.com

CHAIN (AG) 611362R91 - Case | AVSpare.com

John Deere STX38 Lawn Tractor (14HP) (Export) -PC2399 ...

John Deere STX38 Lawn Tractor (14HP) (Export) -PC2399 ...

Viewing a thread - John Deere 345 Mower

Viewing a thread - John Deere 345 Mower

0 Response to "40 john deere stx38 parts diagram"

Post a Comment

Iklan Atas Artikel

Iklan Tengah Artikel 1

Iklan Tengah Artikel 2

Iklan Bawah Artikel