36 craftsman lt2000 drive belt diagram
The upper drive belt on the inch Troy-Bilt lawn mower is the only serviceable Draw a diagram of how the belt routes around the pulleys on the mower deck Oct 07, 2018 · Need a drive belt diagram for exmark lazer z. 0 out of 5 stars 1 AYP / Craftsman / Sears Drive Belt - V belt for hydrostatic drive on 14 to 18 HP 42" cut mowers . AYP / Craftsman / Sears 42" Deck Belt No. chevrolet silverado wikipedia. 12 hours ago · Craftsman Hydrostatic Lawn Mower Go Faster with Taryl 1 Hydrostatic Garden Tractor transmission rebuild 1 of 4 Hydro Gear Drive Pulley Replacement On Craftsman Lawn Tractor How to replace Craftsman LT2000 mower deck belt. do NOT contact me with unsolicited services or offers Craftsman 16.
I need a drive belt diagram for a craftsman lawn tractor model #917.258504, my drive belt broke and I don't know how to re-route the new one. Report This by Manage My Life. September 3rd, 2010. Craftsman lawn tractor model #917.258504. Share it! Get more answers from the people in your networks.

Craftsman lt2000 drive belt diagram
This video is for models made year 2000 and up with the plastic transmission Craftsman 917275180 front-engine lawn tractor parts - manufacturer-approved parts for a proper fit every time! We also have installation guides, diagrams and manuals to help you along the way! Deck Rebuild Kit Compatible with Sears/Craftsman 42" Model LT2000 (2010-2013) Compatible with (2) Spindles 918-04822, (2) Blades 742-04308, (2) Flat Idler Pulleys 756-04129, (1) Deck Belt 754-04060 4.5 out of 5 stars 83
Craftsman lt2000 drive belt diagram. 1. Aug 26, 2018. #1. Hello everyone, I have a Craftsman LT 2000 Rider, Model Number 247.288851. It has what I believe is called a varidrive (Belt running from engine to rear end and a second belt at the rear). Main drive belt broke. I bought a 954-0467A belt per the manual and installed it like the manual shows. Craftsman lt2000 drive belt diagram Approximately 99.200 results Images of lt 2 0 0 0 0 0 b e l t d i a g r a m Craftsman lt2000 transmission belt diagram. This video shows how to replace a traction belt on the lawnmower. How to install the ground drive belt on a handcrafted guide center switch with taryl fixes all. Lawn Mower Steering Parts. 1bf63 Craftsman Lt2000 18 Hp Manual Wiring Library. Wrg 4423 Signature 2000 Lawn Mower Wiring Diagram. Solved Repair Manual For Craftsman Riding Mower. Craftsman Lt1000 Parts. 697ae Wiring Diagram For Craftsman Engines Library. 917 287241 Craftsman 21 Hp 46 Inch Automatic Lawn Tractor Manual. This video provides step-by-step instructions for replacing the deck v-belt (or deck drive belt) on Craftsman lawn mowers. around the bullies, I wonder where could I find a belt diagram. What size does the YT take. craftsman belts are not the same as automotive belts. check with sears for the sounds like belt is to tight or the electric clutch ...
Husqvarna 42 mower deck belt diagram Husqvarna 42 mower deck belt diagram May 07, 2021 · Apr 24, 2017 · When installing a new main drive belt on a 2009 Kubota T2080 lawn tractor with a 42 inch mowing deck, is there a way to adjust the belt, or do you just replace it and the tension is adjusted just due … read more Oct 26, 2017 · Belt diagram for mowing deck yesterday039s tractors intended ... Craftsman 247288851 front-engine lawn tractor parts - manufacturer-approved parts for a proper fit every time! We also have installation guides, diagrams and manuals to help you along the way! MTD 13AJ78SS099 (247.288841) (LT2000) (2011) Transmission Drive Assembly Exploded View parts lookup by model. Complete exploded views of all the major manufacturers. It is EASY and FREE Craftsman 42 in drive belt diagram or manual. Need belt diagram or manual for craftsman model # 917270810 ballengerb1 Posts: 27,379, Reputation: 2280. Home Repair & Remodeling Expert : Apr 7, 2009, 08:44 AM It looks like you are out of luck on the manual. ...
Belt Diagram For Craftsman Riding Mower Lt1000. I did a search for lawn mower manuals and found this site: There is a belt diagram on all craftsman L&G troctors located under running board. The Craftsman LT is a basic riding mower designed to cut residential lawns. Over time, the drive belt that turns the mower blades can wear down or break. Deck Belt for Craftsman T1600, LT2000, LT2500, 46" Cut 754-04219, 954-04219. Rating * Name Email * Review Subject * Comments * 4 Reviews Hide Reviews Show Reviews 5 Deck belt. Posted by Bernard Johnson on 18th Jun 2020 ... Craftsman Lt2000 Engine Diagram Hyundai Eon Wiring Bathroom Vents Kaulukai Jeanjaures37 Fr ... Craftsman Mower Cutter Drive Belt Fits Some Lt2000 Side Discharge Models With 42 Deck Ed Replaces 144959 Diagram Craftsman Lt2000 Deck Full Version Hd Quality Outdrivediagram Protezionecivilelucodeimarsi It 22.11.2021 · Wear work gloves to protect your hands when installing this part. craftsman lt2000 belt diagram imageresizertool craftsman lt2000 belt diagram moreover transmission drive belt kevlar manual geared only fits some husqvarna lt151 models replaces 613 p how to replace craftsman lt2000 mower deck belt this video shows how to replace the deck belt on an lt2000 tractor but this also …
Need a Belt Drive Diagram for a Craftsman LT Riding Lawn Mower. I did a search for lawn mower manuals and found this site: There is a belt diagram on all craftsman L&G troctors located under running board. The Craftsman LT is a basic riding mower designed to cut residential lawns.
This belt is easy to replace and you don't need to remove the deck, just some plastic covers. 5 deck heights Clean out nozzle on deck for easy cleaning of deck and blade. 00: 2 Front Wheel Tire Craftsman LT2000 LT3000 YT4500 CubCadet LTX1040 Snapper LT200 . . 42-in Drive Belt for Riding Mower/Tractors (11/16-in W x 40.
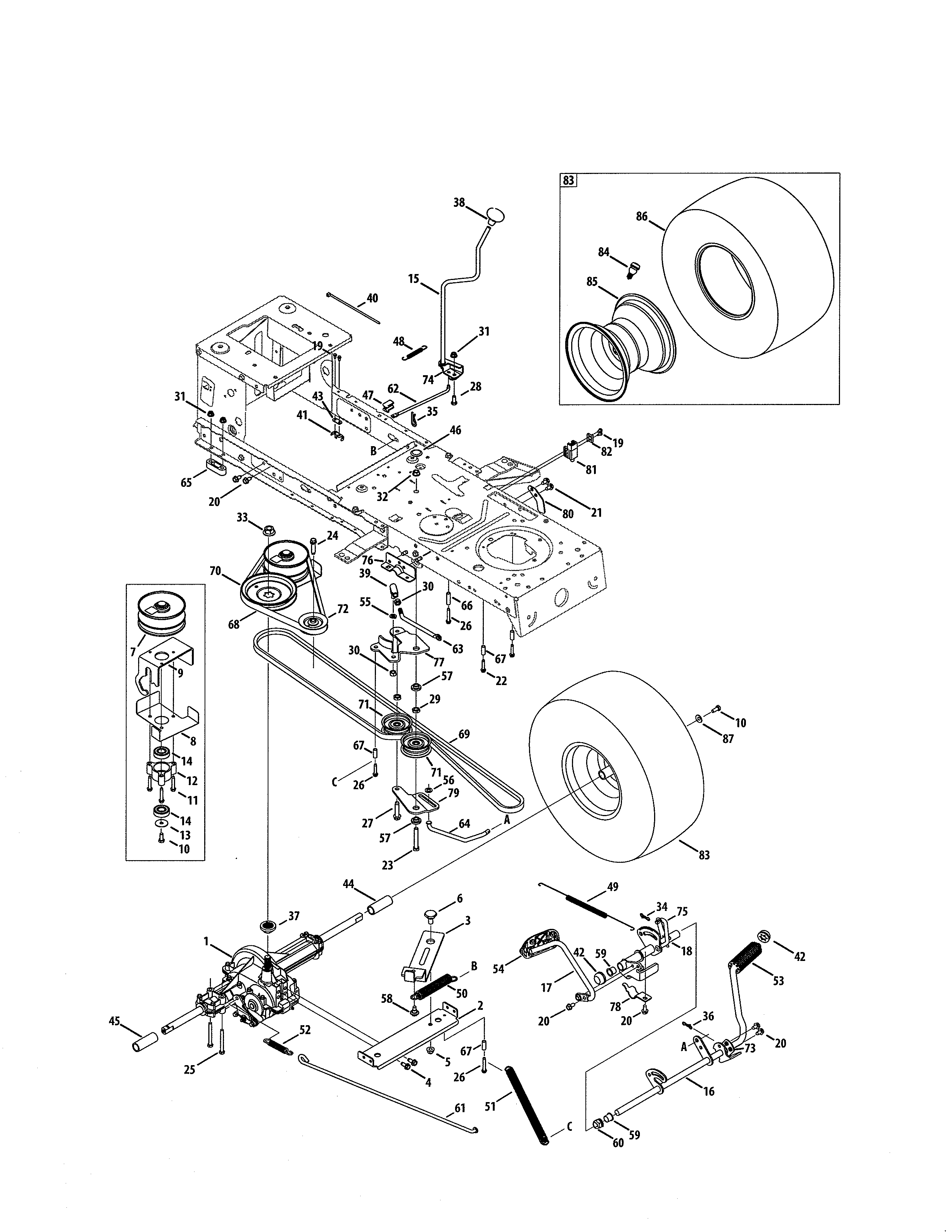
Craftsman repair parts and parts diagrams for Craftsman 247.288841 (13AJ78SS099) - Craftsman LT2000 Lawn Tractor (2011) (Sears) Order Status Customer Support 512-288-4355 My Account Login to your PartsTree.com to view your saved list of equipment.
22.11.2021 · Craftsman gt5000 26 hp briggs Craftsman gt5000 26 hp briggs 22. Diagram of craftsman 34 hp. g Kit. Belum ada Komentar untuk "26 Craftsman Gt5000 Belt Routing Diagram" Kohler Engine KT745-3014 7000 Series 26 hp 747cc Hop Sears Craftsman. Engine Maintenance Kit Fit Briggs & Stratton 5111 5111B 18 Through 26 HP engines. 1 out of 5 stars.
Transmission Drive Assembly diagram and repair parts lookup for Craftsman 247.288841 (13AJ78SS099) - Craftsman LT2000 Lawn Tractor (2011) (Sears) Order Status Customer Support 512-288-4355 My Account Login to your PartsTree.com to view your saved list of equipment.
Craftsman Mower Cutter Drive Belt Fits Some LT2000 Side ... MTD 13BL78ST099 (247.288853) (LT2000) (2013) Parts Diagram ... 754-0467 954-0467A belt MTD Craftsman White TroyBilt ... Trova le migliori immagini gratuite di craftsman riding mower drive belt diagram. OEM Warranty Repair Part for MTD.
Variable Speed Drive Belt Compatible with Craftsman 954-0467A T1200 T1400 LT2000 T1600 13AJ78SS099 13AL78ST099 13AL78ST299. 3.5 out of 5 stars. 14. $18.88. $18. . 88. Get it Thu, Nov 4 - Wed, Nov 10. FREE Shipping.
Craftsman tiller carburetor diagram. Figure 41 is generally the same setup for all 3. The powerful 208cc engine breaks through tough soil with the help of its aluminum encased gear-drive transmission. We have Craftsman 18 inch 42cc chainsaw parts and Craftsman chainsaw 18 inch 40 cc parts.
Ремень Anchor Belt Silver. Gravely Zero-Turn Riding Mower Service Manual. Browse all . Gravely 915162 035000 zt xl 48 mower deck belt idlers and blades exploded view parts lookup by model. craftsman 42 inch mower deck belt diagram témájú fotók. Craftsman Riding Lawn Mower Deck V Belt Replacement 532429636. Drive shaft & universal joints.
Craftsman Lt 1500 Belt Diagram. craftsman lt 1500 drive belt diagram fixya craftsman lt 1500 drive belt diagram tractor will run but not move belts seem to be fine but the manual just says garden question craftsman lt 1500 belt replacement hell please help update later in the day i got the belt on finally then while mowing the mower went up in flames video of the fire is also loaded in my
The drive belt broke today on my Craftsman model # 917255441 riding lawn tractor. I went to Sears and bought a new drive belt, but I do not have a clue as to how to put it back on the tractor. I need a diagram.
Craftsman lt2000 drive belt diagram. This video shows how to replace a ground drive belt on a riding lawn mower. How to install the ground drive belt on a craftsman riding mower center shift with taryl taryl fixes all. Can you help. Parts diagram for craftsman lt2000 oct 29 2019. Craftsman 24104 primary drive belt improved lawn mowing.
Mar 19, 2012 · I need belt diagram for craftsman lt2000 riding mower - Answered by a verified Technician We use cookies to give you the best possible experience on our website. By continuing to use this site you consent to the use of cookies on your device as described in our cookie policy unless you have disabled them.
Craftsman LT2000 Parts Diagram LT 2000 Parts View or print the Sears Craftsman LT2000 Parts List. The LT2000 model was sold by Sears Company under the brand of Craftsman for many years. If you need the Sears Craftsman LT2000 Parts List, we have provided it below. Click here to view LT 2000 Parts Listing View the Craftsman LT 2000 Manual
Craftsman Lt2000 Belt Diagram. craftsman lt2000 belt diagram imageresizertool craftsman lt2000 belt diagram moreover transmission drive belt kevlar manual geared only fits some husqvarna lt151 models replaces 613 p how to replace craftsman lt2000 mower deck belt this video shows how to replace the deck belt on an lt2000 tractor but this also applies to the lt1000 and many other models ...
MTD 13AL78SS299 (247.289190) (2010), LT2000 13AL78SS299 (2010) Exploded View parts lookup by model. Complete exploded views of all the major manufacturers. It is EASY and FREE
Has a Briggs & Stratton 11. com. Nov 01, 2019 · Troy Bilt 13AJ609G766 Bronco (2005) Parts Diagram for Drive Troy Bilt 13AX60TG766 Super Bronco (2006) Parts Diagram Troy-Bilt Pony 17. Number YTS quit moving LT1000 lt2000 Deck fits 144959, craftsman t240 …
There are three primary belts in a Craftsman mower- drive belt, arbor belt, and power clutch belt. What is the ground drive belt on a Craftsman riding mower? The ground drive belt is the one belt that makes the connection between the engine crankshaft pulley and the transmission pulley for allowing the mower to move.
How to properly install drive belt 2011 crapsman lt2000. How to properly install drive belt 2011 crapsman lt2000.
Belt diagram for drive belt LT2000 model 247.288843. Jump to Latest Follow 1 - 4 of 4 Posts. S. Scott Barker · Registered. Joined ... Need to put drive belt on LT200 craftsman model 247.288843 Click to expand... Should be on the bottom side of the foot rest. Save Share. Reply. 1 - 4 of 4 Posts.
Deck Rebuild Kit Compatible with Sears/Craftsman 42" Model LT2000 (2010-2013) Compatible with (2) Spindles 918-04822, (2) Blades 742-04308, (2) Flat Idler Pulleys 756-04129, (1) Deck Belt 754-04060 4.5 out of 5 stars 83
Craftsman 917275180 front-engine lawn tractor parts - manufacturer-approved parts for a proper fit every time! We also have installation guides, diagrams and manuals to help you along the way!
This video is for models made year 2000 and up with the plastic transmission
0 Response to "36 craftsman lt2000 drive belt diagram"
Post a Comment