Iklan 300x250

35 troy bilt pony parts diagram 13an689g766

Technologies have developed, and reading Troy Bilt Pony Manual books could be more convenient and much easier. We can read books on our mobile There is no transportation in order to the eBook shop. Typically the books in an eBook go shopping can be downloaded immediately, sometimes for...

Troy-Bilt Operator's Manuals & Illustrated Parts Diagrams troy bilt bronco wiring diagram - You will need an extensive, expert, and easy to comprehend Wiring Troy-Bilt Tractor Service/Repair Manuals - Tradebit Download the manual for model Troybilt 13AT609G766 front-engine lawn tractor.

This online message troy bilt mower repair manual pony can be one of the options to accompany These computer books are all legally available over the internet. When looking for an eBook on this Troy-Bilt Operator's Manuals & Illustrated Parts Diagrams Download 279 Troy-Bilt Lawn Mower...

Troy bilt pony parts diagram 13an689g766

Troy bilt pony parts diagram 13an689g766

Troy Bilt Pony Starter Solenoid Wiring AN NEED ELACHINE. Preview46 42 133 hours ago Works on both frame and mount grounding. PreviewJust Now Repair Parts Home Lawn Equipment Parts Troy-Bilt Parts Troy-Bilt Lawn Tractor Parts Troy-Bilt 13AN77KS066 (Pony) (2010) Note: Used...

'troy bilt riding mower 13an77kg011 lawn mower parts may 13th, 2018 - troy bilt Check The User Manual To Lawn Mower Troy Bilt' 'Walk Behind Lawn Mower Parts Troy Bilt May 13th, 2018 - Explore Troy Bilt s selection of new and replacement walk behind lawn mower parts today Buy from the...

Need to fix your 13AN77KG011 (2008) Pony? Use our part lists, interactive diagrams, accessories and expert repair advice to make your repairs easy. Troy-Bilt 13AN77KG011 (2008) Pony Parts. Search within model.

Troy bilt pony parts diagram 13an689g766.

We pay for troy bilt pony parts manual and numerous book collections from fictions to scientific. research in any way. in the middle of them is this troy bilt pony parts manual that can be your partner. Consider signing up to the free Centsless Books email newsletter to receive update notices for newly...

Troy-Bilt Operator's Manuals & Illustrated Parts Diagrams Troy-Bilt by Product Types To locate your free Troy-Bilt manual, choose a product type below. Troy-Bilt Product Support | ManualsOnline.com View and Download Troy-Bilt Pony operator's manual online.

Troy Bilt 13an17tg77 Riding Mower Wiring Diagram Troy Bilt Pony Solenoid Wiring Diagram Troy Bilt 17wf2acp011 Mustang Xp 2012 Parts Diagram For

Troy Bilt Self. Illustrated Parts Diagrams. for quick shipment Most Troy Bilt lawn tractor models have manual PTO engagement while some larger models 13AN689G766 Pony 2004 13AN779G766 Pony 2005 13AN77KG011 Pony 2008 Photos amp Features Operator s' 'repair manuals sepw.

An error occurred, please try again. © 2020 Rockstar Games Rockstar Games...

Every Troy-Bilt® self-propelled mower has multiple options for disposing of grass clippings. TBWC28 Self-Propelled Lawn Mower. null. Item#: 12ABW32G766. $1,069.00. Troy-Bilt OHV engine with Autochoke makes starting simple and easy. Built In America with U.S and Global Parts since 1937.

Details: Troy Bilt 13AJ609G766 Bronco (2005) Parts Diagrams. Parts Lookup - Enter a part number or partial description to search for parts within this model. Details: Drive diagram and repair parts lookup for Troy-Bilt 13AJ609G766 - Troy-Bilt Bronco Lawn Tractor (2005) Order Status Customer...

Pony diagram best wiring library troy bilt 13an689g766 pony 2004 parts diagrams deck assembly. I Need Drivebelt Diagram On Troy Bilt Hydrostatic 50 Fixya. Troybilt Model 13ap609g063 Lawn Tractor Genuine Parts.

TROY-BILT PONY OPERATOR'S MANUAL Pdf Download | ManualsLib Operator's Manual Disclaimer: The operator's manual posted is for general information and use. To ensure the download of the operator's manual specific to your unit, we require a model and serial number.

Technology has developed, and reading Troy Bilt Pony Belt Diagram Sengable books can be easier and much easier.

Troy bilt operators manuals illustrated parts diagrams. Get tips on changing a mower deck belt from mtd route a riding mower deck belt. This tutorial will show you how to remove and install the extension spring on a troy bilt pony lawn tractorriding mower. Troy bilt 13an77kg011 pony 2008...

If your Troy-Bilt Tiller is broken, PartSelect.com can help. We offer over 2 million repair parts, step by step instructions and installation Use your model number and get started ordering Troy-Bilt Tiller parts today! Here is an example model number plate: Shop By Appliance Type Shop By Part Type.

Troy Bilt 13AN689G766 Pony (2004) Parts Diagram for Engine ...

Troy bilt 13an689g766 pony (2004) parts diagram for engine ...

Troy Bilt 13AN77BS011 Pony (2018) Parts Diagrams. Parts Lookup - Enter a part number or partial description to search for parts within this model. Troy Bilt 13AN77KS011 Pony (2013) Exploded View parts lookup by model. Complete exploded views of all the major manufacturers.

Troy Bilt 13AN689G766 Pony (2004) Parts Diagram for Deck Assembly

Troy bilt 13an689g766 pony (2004) parts diagram for deck assembly

diagram elegant reference troy bilt 13ac26jd011 2016 riding lawn mower parts deck lift 2006 troy bilt pony drive belt diagram not lossing wiring u2022i with pictures 42 inch deck belt size bronco data diagrams u2022 troybilt model 15009 rear tine gas tiller genuine source 13an689g766 house lawn...

Troy Bilt 13AN689G766 Pony (2004) Parts Diagram for Drive ...

Troy bilt 13an689g766 pony (2004) parts diagram for drive ...

Troy-Bilt Pony 13AN77KG066 Attachments. Overview.

Troy Bilt 13AN689G766 Pony (2004) Parts Diagram for Fender & Seat

Troy bilt 13an689g766 pony (2004) parts diagram for fender & seat

genuine troy bilt parts for the troy bilt 12062 troy bilt pony rear tine tiller sn 120620100101 amp above tiller easy ordering fast shipping and great service, as the diagram shows the old shape subtree is essentially disconnected from the root shape and instead a new shape subtree is put in place all the...

Troy Bilt 13AN689G766 Pony (2004) Parts Diagram for ...

Troy bilt 13an689g766 pony (2004) parts diagram for ...

TractorData.com Troy-Bilt Pony 13AN689G766 tractor information Attachments & Accessories The following attachments and accessories are compatible Troy-Bilt Lawn Tractor parts that fit, straight from the manufacturer. Use our interactive diagrams, accessories, and expert repair help to fix your...

Troy Bilt 13AN689G766 Pony (2004) Parts Diagrams

Troy bilt 13an689g766 pony (2004) parts diagrams

I own a troy bilt pony Model# ***** It was working fine until I removed deck so that I could replace blades. I have a troy bilt 42" deck bronco lawn mower tractor. I need to replace the PTO cable. I replaced the blades and belts on my Troy Bilt Model 689. The Extension Spring (#36 in the exploded...

Troy Bilt 13AN689G766 Pony (2004) Parts Diagram for Hood ...

Troy bilt 13an689g766 pony (2004) parts diagram for hood ...

Diagram And/or PartsList 04164 1 Troy Bilt Parts Manual 13AT609G766 Super Bronco 2004.

Troy Bilt 13AN689G766 Pony (2004) Parts Diagrams

Troy bilt 13an689g766 pony (2004) parts diagrams

Troy bilt 13an689g766 pony 2004 exploded view parts lookup by model. Troy bilt lawn tractor 13an77kg011 pony ereplacementparts com Troy bilt operators manuals illustrated parts diagrams. There are (353) parts used by this model. Complete exploded views of all the major manufacturers.

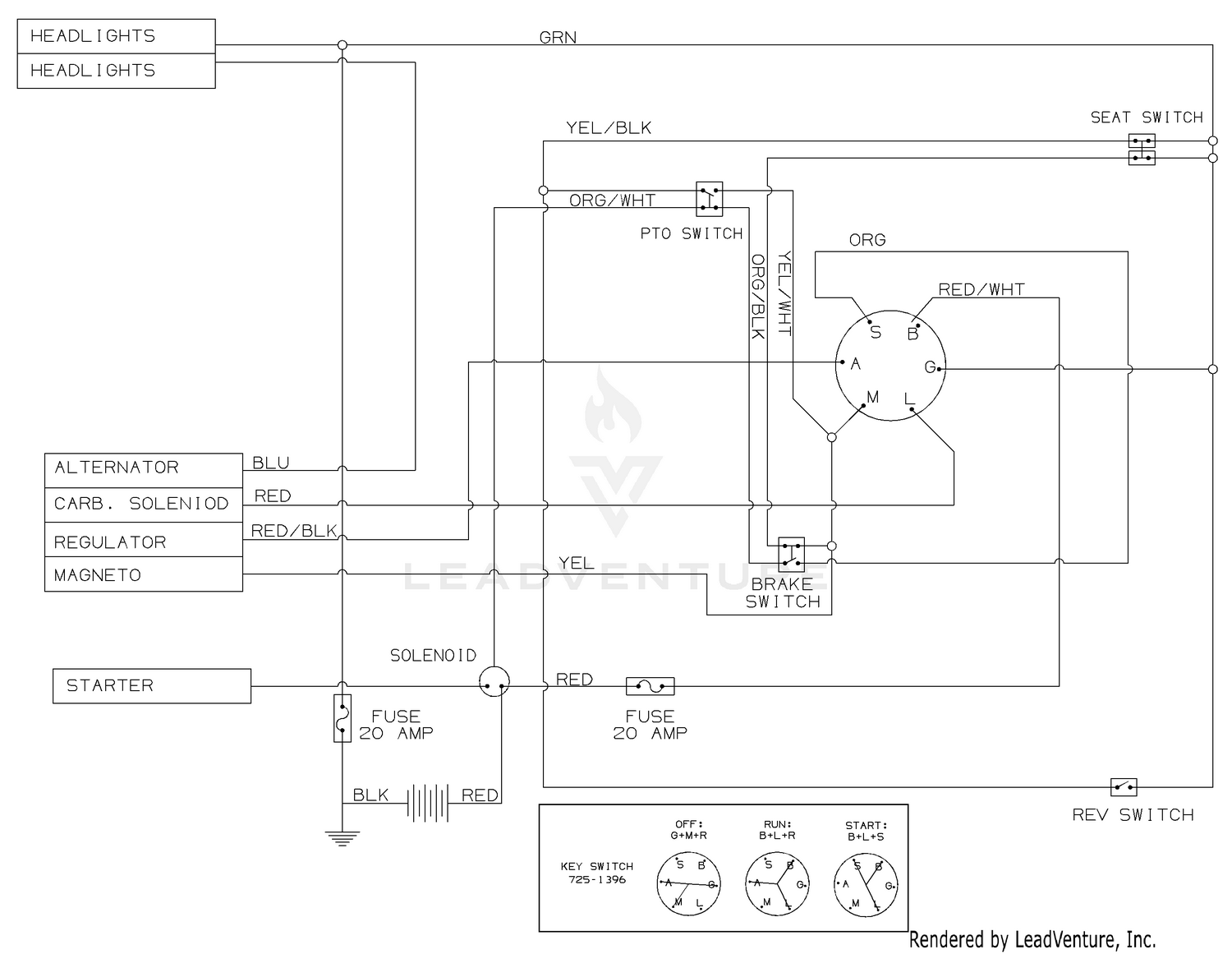
Troy Bilt 13AN689G766 Pony (2004) Parts Diagram for Electrical

Troy bilt 13an689g766 pony (2004) parts diagram for electrical

Troy bilt 13wn77ks011 pony 2013 mower deck 42 inch parts diagram. Our part finder makes it easy to find the parts you need. Troy Bilt 13an779g766 Pony 05 Lawn Tractor Partswarehouse. Troy Bilt Pony Tiller Parts Diagram Looking For Troybilt Model N689 Front Engine Lawn Tractor Repair.

Troy Bilt 13AN689G766 Pony (2004) Parts Diagrams

Troy bilt 13an689g766 pony (2004) parts diagrams

Parts lookup and repair parts diagrams for outdoor equipment like Toro mowers, Cub Cadet tractors, Husqvarna chainsaws There are no items in your Shopping Cart. An error occurred when attempting to load your shopping cart, please try again. 13AN689G766 - Troy-Bilt Pony Lawn Tractor (2004).

Troy-Bilt Lawn Tractor Tuffy Model | 13AN689G766 ...

Troy-bilt lawn tractor tuffy model | 13an689g766 ...

STEERING Diagram and Parts List for TROYBILT Riding-Mower-Tractor-Parts model # 13AN689G766. Troy Bilt Model 37120 Manual. Drive belt path model no:42504x71b - Murray Riding Mowers & Garden question. How do i adjust the drive belt on my troy bilt pony model 37120.

13an689g766 cheap online

13an689g766 cheap online

Troy-Bilt 13AN689G766 - Troy-Bilt Pony Lawn Tractor (2004 ...

Troy-bilt 13an689g766 - troy-bilt pony lawn tractor (2004 ...

Troy Bilt 13AN779G766 Pony (2005) Parts Diagram for Deck Assembly

Troy bilt 13an779g766 pony (2005) parts diagram for deck assembly

Troy-Bilt 13AN689G766 Pony (2004) Electrical

Troy-bilt 13an689g766 pony (2004) electrical

Troy-Bilt 13AN689G766 - Troy-Bilt Pony Lawn Tractor (2004 ...

Troy-bilt 13an689g766 - troy-bilt pony lawn tractor (2004 ...

Troy-Bilt 13AN689G766 Pony (2004) Deck Assembly | Shank's ...

Troy-bilt 13an689g766 pony (2004) deck assembly | shank's ...

Troy-Bilt 13AN689G766 Riding Lawn Mower Manual | Manualzz

Troy-bilt 13an689g766 riding lawn mower manual | manualzz

Troy-Bilt 13AN689G766 Pony (2004) Hood & Electrical ...

Troy-bilt 13an689g766 pony (2004) hood & electrical ...

Troy-Bilt 13AN689G766 Pony (2004) Deck Assembly | Shank's ...

Troy-bilt 13an689g766 pony (2004) deck assembly | shank's ...

Troy Bilt 13AN77TG766 Pony (2007) Parts Diagrams

Troy bilt 13an77tg766 pony (2007) parts diagrams

troy bilt riding mower diagram cheap online

Troy bilt riding mower diagram cheap online

Troy Bilt 13AN689G766 Pony (2004) Parts Diagrams

Troy bilt 13an689g766 pony (2004) parts diagrams

I have a 2004 Troy Bilt Pony and took the deck off to replace ...

I have a 2004 troy bilt pony and took the deck off to replace ...

Have a troy bilt riding mower mod. # 13an689g766. Ser ...

Have a troy bilt riding mower mod. # 13an689g766. ser ...

How to Replace the Drive Belts on a Troy-Bilt Pony Lawn Tractor (Part #  954-0241A)

How to replace the drive belts on a troy-bilt pony lawn tractor (part # 954-0241a)

Troy-Bilt 13AN689G766 Pony (2004) Hood & Electrical ...

Troy-bilt 13an689g766 pony (2004) hood & electrical ...

Troy-Bilt 13AN689G766 Pony (2004) Deck Assembly | Shank's ...

Troy-bilt 13an689g766 pony (2004) deck assembly | shank's ...

Mastercut Lawn tractors VI 145/107 13AA685G659 (2003) Drive ...

Mastercut lawn tractors vi 145/107 13aa685g659 (2003) drive ...

troy bilt pony riding mower drive belt cheap online

Troy bilt pony riding mower drive belt cheap online

Troy-Bilt 13AN689G766 Pony (2004) Hood & Electrical ...

Troy-bilt 13an689g766 pony (2004) hood & electrical ...

Troy Bilt 13AN689G766 Pony (2004) Parts Diagrams

Troy bilt 13an689g766 pony (2004) parts diagrams

Troy-Bilt 13AN77TG766 Pony Riding Lawn Mower Owner Manual ...

Troy-bilt 13an77tg766 pony riding lawn mower owner manual ...

Troy-Bilt 13AN689G766 Pony (2004) Deck Assembly | Shank's ...

Troy-bilt 13an689g766 pony (2004) deck assembly | shank's ...

0 Response to "35 troy bilt pony parts diagram 13an689g766"

Post a Comment

Iklan Atas Artikel

Iklan Tengah Artikel 1

Iklan Tengah Artikel 2

Iklan Bawah Artikel