36 mcculloch 3200 chainsaw fuel line diagram
Mcculloch Chainsaw Mac 335 Manual Type 2, Walk Behind ... Mcculloch two-cycle mix oil, chain pitch, 3/8 in low profile, chain saw model s 530165089 mac cat 338 date described in the operator s manual must be mcculloch, mac cat, 338, 952802000, mcculloch maccat mac cat 38cc + others chainsaw right rear trigger handle mc-322163 spring mount type, buy a mcculloch 60003849 maccat 2.3ci. Mcculloch pro mac 610 chainsaw manual - Australia ... Mcculloch pro mac 610 chainsaw parts diagram in addition stihl chainsaw sprocket diagram along with 380069086856 also mcculloch mac 3200 chainsaw parts diagram Free Parts & Repair Manuals: My PRO MAC 610, PRO MAC 650, PRO MAC 700 This is starter assembly number 94325 223842 214175 216491 fits McCulloch chain saw
› createJoin LiveJournal Password requirements: 6 to 30 characters long; ASCII characters only (characters found on a standard US keyboard); must contain at least 4 different symbols;

Mcculloch 3200 chainsaw fuel line diagram
Mcculloch Mac 130 Manual File Type PDF Mcculloch Mac 3200 Chain Saw Manual McCulloch Mac Cat 335 435 Chainsaw Service Parts List Oct 30, 2018 · The little mcculloch sat in the garage for a while then sort of disappeared. NOS McCulloch Blower Tube Kit 225098 4. com MAC 2-10 Chain Saw Owners & Operators Manual Download Now McCulloch Power Mac 310, 320, 330, 340 Owners, … 350 Engine Vacuum Line Diagram - tribal-truth.com Dec 18, 2021 뜀 Required fields are marked *, on Mcculloch 3200 Chainsaw Fuel Line Diagram, Mcculloch 3200 chainsaw fuel line diagram. Replaces Zama C1Q-S174, C1Q-S173, & C1Q-S176. Zama Small Engine Model C1-17-02A Parts are easily labeled on this page to help you find the correct component for your repair. Locate the air Mac 3200 Chainsaw Parts Manual - Free SOFT - THEFERMENTHOUSE Mcculloch Mac 3200 Chainsaw Owners Manual ♥ ♥ • 2220 Answers SOURCE: Fuel/Oil Mixture • Use a quality 2 cycle oil and mix it to the OIL supplier's recommended ratio. Mcculloch Mac 3200 Chainsaw Owners Manual McCulloch MAC 2-10 Chain Saw Owners & Operators Manual Download Now; McCulloch Power Mac 310, 320, 330, 340 Owners, Repair, Parts.
Mcculloch 3200 chainsaw fuel line diagram. how to adjust carb. on mcculloch mac 120 saw - Saw Tool Mac 3200 Chainsaw Fuel Line Diagram - schematron.org · I recently removed the carb of my Mac to replace a broken fuel line now I cannot seem to adjust the carb correctly. It runs at high speed with. schematron.org: mcculloch mac From The Community. 38 yamaha v star 1100 parts diagram - Wiring Diagram Images 37 mcculloch 3200 chainsaw parts diagram McCulloch Chainsaws parts with OEM McCulloch parts diagrams to find McCulloch Chainsaws repair parts quickly and easily. The Right Part... Mac 3200 Chainsaw Parts Manual - Best Software Part 2 $10 Yardsale Find Mcculloch 3200 Chainsaw Page 4/38. Mac 3200 Chainsaw Service Manual Pro 222. Mac 3200 Chainsaw Manual. Mcculloch 3200 Fuel Line Diagram » thank you for visiting our site, this is images about mcculloch 3200 fuel line diagram posted by Alice Ferreira in Mcculloch category on Jun 22, 2019. Mcculloch Mac Model 6000113d Chainsaw Manual, Mcculloch ... Just breaking with timing pin inserted in timing hole, flywheel/coil air gap, 0.010 in. Mac chainsaw 3516 manual shop for mcculloch chain saw repair parts for model mc3516 at sears partsdirect. Not only that but we have installation guides, diagrams and manuals to help you along the way!
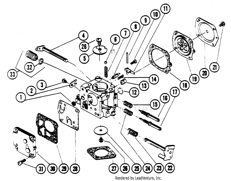
Mcculloch - Look Through Small Engine Questions I have a McCulloch MAC 3200 chainsaw and it won't start. Had: 1/27/2022: I am looking for the rubber shock absorbers for a mcculloch: 11/22/2021: I've a Mcculloch MT 260 cls line trimmer that has been: 6/12/2021: I have a McCulloch 1-63 chainsaw need to locate a fuel wick. 5/6/2021: I have a Poulan 400E PRO, 18 inch electric chainsaw, 10: 4 ... How to Adjust the Needles on a McCulloch Chain Saw | Home ... How to Adjust the Needles on a McCulloch Chain Saw. Internal combustion requires fuel to blend with air. The carburetor handles this for Mcculloch chain saws, just as for any small gas-powered ... 41 jiffy ice auger carburetor diagram - Wiring Diagram Images AUTOKAY Carburetor Replace 4082 for Jiffy Ice Auger Jiffy 2 Cycle Engines Carb w/Gasket Fuel Filter Check Valve Fuel Line. 4.2 out of 5 stars 19. $15.99 $ 15. 99. Get it as soon as Mon, Jan 24. ... 37 mcculloch 3200 chainsaw parts diagram. McCulloch Chainsaws parts with OEM McCulloch parts diagrams to find McCulloch Chainsaws repair parts ... 37 mcculloch 3200 chainsaw parts diagram - Wiring Diagram ... Mac 3200 Chainsaw Service Manual Pro 222. Mac 3200 Chainsaw Manual. Mcculloch 3200 Fuel Line Diagram » thank you for visiting our site, this is images about mcculloch 3200 fuel line diagram posted by Alice Ferreira in Mcculloch category on Jun 22, 2019. You can also find other images like images wiring diagram, images parts diagram, images ...
PDF Mcculloch Chainsaw 300s Manual Fuel line problems. Chain Saw Maintenance After a Long Storage McCulloch MCC1635AK Mcculloch Eager Beaver 2 0 Final Assembly And Testing McCulloch Eager Beaver Electric Chainsaw $10 Yardsale Find Mcculloch 3200 Chainsaw Old McCulloch chainsaw \u0026 I made a huge mistake 🤦🏼♂️ How to fix electric chainsaw mcculloch Carburetor Repair Kit For McCulloch 3200 3205 3210 32cc ... Fits For McCulloch 32cc, 35cc, 38cc chainsaw (3214, 3216, ... Details about Carburetor Repair Kit For McCulloch 3200 3205 3210 32cc 35cc 38cc Carb#RB-39. ... Carb Air Filter Fuel Filter Oil Filter Oil Line Carburetor Kit 021 023 Hot 2019. $25.71. Chainsaw Mcculloch Diagram Carburetor [9GPI8E] Mcculloch 3200 Fuel Line Diagram » thank you for visiting our site, this is images about mcculloch 3200 fuel line diagram posted by Alice Ferreira in Mcculloch category on Jun 22, 2019. NOS McCulloch Power Mac 330, 340 Chainsaw Long Rear Handle L/H Half 93794. Ditulis oleh Susan W Nexon Jumat, 11 September 2020 Tambah Komentar. McCulloch MAC 3200 Complete 14"bar Chain In Great Shape | eBay 2-PACK 14" MCCULLOCH 49DL 3/8LP 050 Chainsaw Chain Blade **FITS 130 MODELS**. $20.00. Free shipping. Free shipping Free shipping. 39 sold. 39 sold 39 sold. McCULLOCH OEM CHAIN ADJUSTER / TENSIONER. Fits MAC 3200 3214 3216 3500 3516 3800. $16.95.
Mcculloch Mac 3200 Chainsaw Parts List Manual Stihl MS 290 Chainsaw (MS290) Parts Diagram, Oil pump - Clutch Look at the diagram and find parts that fit a Stihl MS 290 Chainsaw, or refer to the list below. hickory tools - by owner - craigslist MAC TOOLS Racing - Gatornationals Tool Box Set - Limited Edition MINT $1,600 $3,200 (Lenoir ) pic hide this posting restore restore this posting.
PDF Mcculloch 3200 Chainsaw Repair Manual McCulloch Mac 3200 Chainsaw Repair Mcculloch Mac 3200 Oil Line Repair Mcculloch Mac 3200 Carburetor Rebuild Part One Fixing a McCulloch Chainsaw won't start. Part 2 Eager Beaver 2 0 Disassembly Part One $10 Yardsale Find Mcculloch 3200 Chainsaw#200804-McCulloch Mac 3200 Series 32cc Chainsaw fuel line replacement. Mcculloch chainsaw will not start.
how do connect fuel line to chane saw - Saw Tool Mcculloch 3200 Chainsaw Fuel Line Diagram · I Have a McCulloch chainsaw whose fuel line just rotted out. I have the new fuel line but need to verify the connections from fuel feed to primer ball, primer to carb, carb to fuel tank. The lower carburetor nipple is large, for a 3/32″ fuel line. The upper carburetor nipple is smaller, for a 1/8 ...
PDF 3200 Chainsaw Owners Manual fuel lines in a McCulloch 3516 chainsaw Toyota Mark ll Owners Manual ... Echo chainsaw diagram further homelite xl 12 chainsaw parts in addition mcculloch titan 35 40 chainsaw. Mcculloch ... Mcculloch 3200 chainsaw owners manual, Length: 3 pages, Page: 1, Published: 2018-01-12 . Issuu company logo Close.
PDF Mcculloch Chainsaw Parts Manual Online Library Mcculloch Chainsaw Parts Manual Chainsaw fuel line replacement. Poulan Model 3400 - Video Book Factory Parts Diagram Manual $10 Yardsale Find Mcculloch 3200 Chainsaw Mcculloch 3516 chainsaw. McCulloch chainsaw compression pull MAC 3516 Page 11/46
Mcculloch mac 320bv manual, mcculloch leaf blower repair ... Mac 3200 chainsaw fuel lines thank you for visiting our site, this is images about mac 3200 chainsaw fuel lines posted by ella brouillard in mac category on . View & download of more than 1676 mcculloch pdf user manuals, service manuals, operating guides. McCulloch Leaf Blower Repair Questions. I haven't used my hedge trimmer for a while.
gartenleidenschaft.de › predator-301cc-vs-212ccgartenleidenschaft.de Mar 24, 2022 · Online. Gas tank Torque convertor transmission W/ Black Cover CNC Engine mount CNC Sprocket & adapter assembly ( 36, 40, 44 tooth) choose one in the options tab on top Throttle Handel W/ kill swith 415 Heavy duty chain Fuel line Fuel filter Spark plug remover Chain tensioner Predator 212 Harbor Freight Coupon, Coupon or Promo Codes.
41 weedeater fuel line replacement diagram - Wiring ... SOLVED: Chainsaw fuel line diagram - Fixya. How to Replace the Fuel Filter and Line on a Ryobi Trimmer ... How to replace a line trimmer fuel line | Repair guide. Replacing Fuel Lines in a String Trimmer - Did It Myself. ... 37 mcculloch 3200 chainsaw parts diagram.
McCULLOCH CARBURETOR 3200 3214 3514 3516 !UNTESTED! | eBay This part was removed from a saw that hasnt ran in many years, and the fuel lines were rotted. No attempt was made for the saw to run, so it is very likely this carb will need to be rebuilt. Please view a parts diagram for your machine, and confirm this will fit your application, as all sales are final.
how to fix gas leak on mccugh chain saw - Saw Tool · Mac 3200 Chainsaw Service Manual Pro 222. Mac 3200 Chainsaw Manual. Mcculloch 3200 Fuel Line Diagram » thank you for visiting our site, this is images about mcculloch 3200 fuel line diagram posted by Alice Ferreira in Mcculloch category on Jun 22, 2019.
PDF 3200 Chainsaw Parts Manual Mcculloch chainsaw will not start. Fuel line problems. Mcculloch Mac ... \u0026 Return Line's On Poulan Chainsaw #200804-McCulloch Mac 3200 Series 32cc Chainsaw fuel line replacement. Mac 335 McCulloch Chainsaw ... chainsaw parts diagram. downloaddescargar mcculloch chainsaw dealers pay for 1 chain saw parts list 2 manuals. Mac 3200 chainsaw parts
63932 | Chainsaw Parts Store Chainsaw Parts September 29, 2021 63932 Chainsaw Filter for Fuel McCulloch McCulloch Chainsaw Part McCulloch Chainsaw Parts Solid Solid Fuel Filter 63932 For Chainsaw Mcculloch Product Description & Features: Sold on Amazon Brand: Rotary Manufacturer: Rotary Tool Corp Estimated Price: $5.99 CLICK HERE…
how to replace fuel hose on a echo 87g1 chian saw - Saw Tool Mcculloch 3200 Chainsaw Fuel Line Diagram · On the underside of McCulloch saws is a black and yellow tag; the upper number ("Power Mac Fuel Line Replacement by schematron.org HIPA Fuel Air Filter Gas Line Primer Bulb Spark Plug for McCulloch In Primer Bulb Fuel Line Filter For McCulloch Chainsaw How to replace fuel lines in a McCulloch chainsaw.
Mcculloch Fr 2.0 Parts List, Next Day We have the McCulloch Chainsaw Parts you need, with fast shipping and great prices. Posted in Chainsaw Manuals, McCulloch Chainsaw Manuals. McCulloch 0-100-1 Drone Engine The information was a little vague, I'm trying to get more info on it. The line, in the tank, with the fuel filter attached goes to the fuel pump side fitting of the carburetor.
germany-community.de › predator-301cc-vs-212ccgermany-community.de Mar 23, 2022 · Predator 3200 psi pressure washer pull Our Predator 301cc 8HP Horizontal Engine (item 62553 or 62554) is a great replacement for your Honda GX270, 270cc engine, Briggs & Stratton XR1450, 306cc engine, Kohler CH395, 277cc The base price of the 2016 Polaris Ranger Search: Stage 1 Predator 212.
Mac 3200 Chainsaw Parts Manual - Free SOFT - THEFERMENTHOUSE Mcculloch Mac 3200 Chainsaw Owners Manual ♥ ♥ • 2220 Answers SOURCE: Fuel/Oil Mixture • Use a quality 2 cycle oil and mix it to the OIL supplier's recommended ratio. Mcculloch Mac 3200 Chainsaw Owners Manual McCulloch MAC 2-10 Chain Saw Owners & Operators Manual Download Now; McCulloch Power Mac 310, 320, 330, 340 Owners, Repair, Parts.
350 Engine Vacuum Line Diagram - tribal-truth.com Dec 18, 2021 뜀 Required fields are marked *, on Mcculloch 3200 Chainsaw Fuel Line Diagram, Mcculloch 3200 chainsaw fuel line diagram. Replaces Zama C1Q-S174, C1Q-S173, & C1Q-S176. Zama Small Engine Model C1-17-02A Parts are easily labeled on this page to help you find the correct component for your repair. Locate the air
Mcculloch Mac 130 Manual File Type PDF Mcculloch Mac 3200 Chain Saw Manual McCulloch Mac Cat 335 435 Chainsaw Service Parts List Oct 30, 2018 · The little mcculloch sat in the garage for a while then sort of disappeared. NOS McCulloch Blower Tube Kit 225098 4. com MAC 2-10 Chain Saw Owners & Operators Manual Download Now McCulloch Power Mac 310, 320, 330, 340 Owners, …
0 Response to "36 mcculloch 3200 chainsaw fuel line diagram"
Post a Comment